タイトル:3.5MHz・DC受信機「Sparrow80」 を作ろう。 File-008
Back
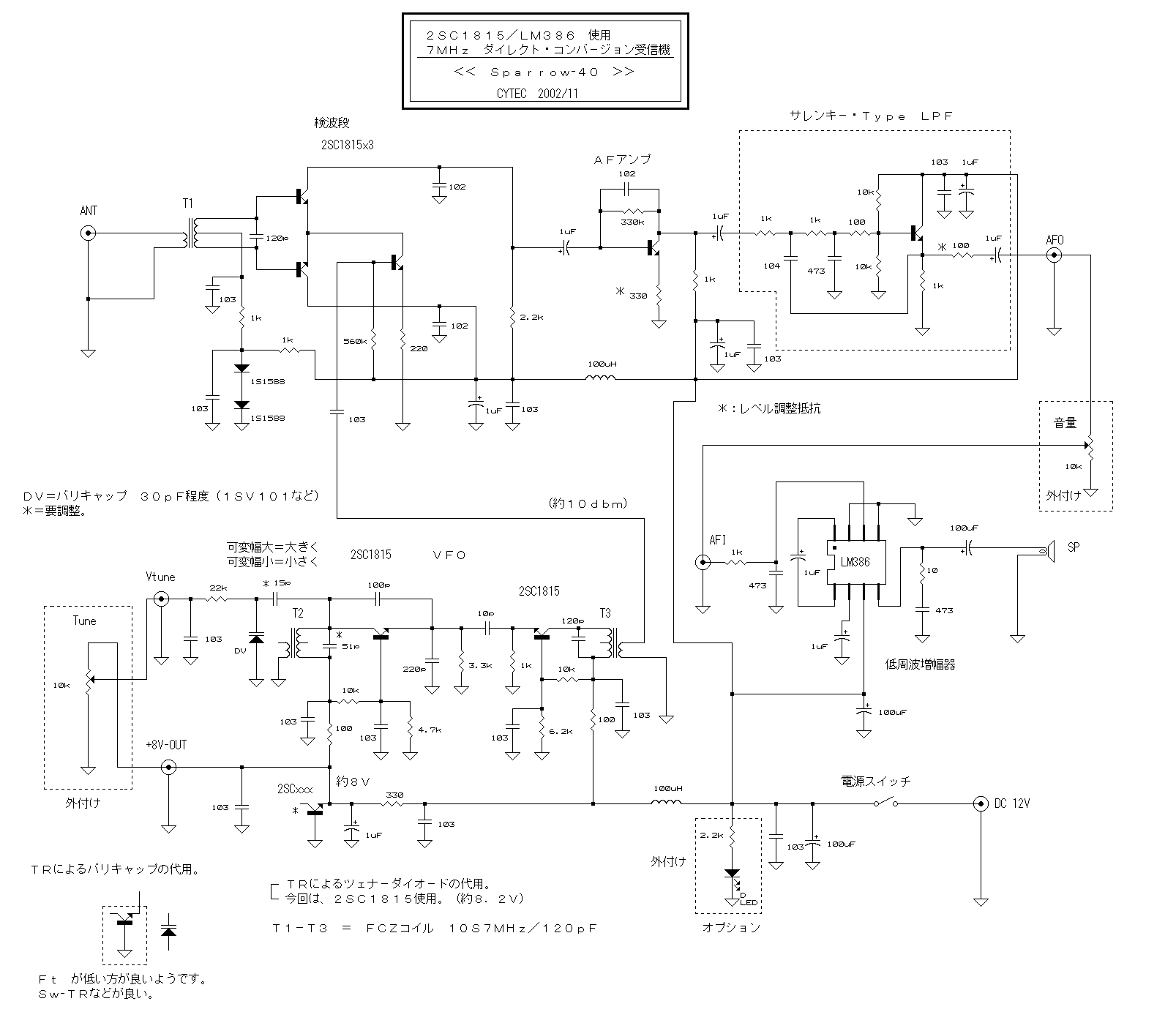
トランジスタ−で作る、「7MHz ダイレクト・コンバ−ジョン受信機 Sparrow40」の回路をベ−スに、3.5MHz用に改造した
「Sparrow 80」を、ご紹介します。この作品は、埼玉県/川越市在中の高橋純正さんの、投稿作品です。
主催:「Suparrow40 愛好者友の会」
「Sparrow 80」の、外観と、内部の様子です。
ケ−スも、自作しました。基板は、ジャノメ基板を
使用しました。

「Sparrow40」の、アンテナコイルと、VFOの発振コイルと、出力コイルを、3.5MHz用のコイルに交換しました。
改造した部分の、回路図は下記の様に成ります。(アンテナ部は有りませんが、FCZ3R5 に交換します。)

@可変周波数:3498.586〜3620.054KHzで
約120KHz
A周波数変動幅:60分で264Hz(1分換算で4.3Hz)
B周波数に関係する51p、100pはスチコン、120pは
0ppm/℃を使用。
その後、同調操作向上の為、トロイダルコア−の
巻数を、1回減らし、37回としました。
ベ−スになった、
「Sparrow40」の
回路図です。
クリックすると大きくなります。
Back ©CYTEC 2003/05