=アマチュア無線関係ガレ−ジキット販売。初心者の方から入門を終えた方たちに・・・。=
自作のオアシス
CYTEC /サイテック
by JE1AHW/Uchida
2026/05−02
50MHzAMトランシ−バ− VFOユニット完成 GO!
2026/04−25 50MHzAM送信機 完成基板をUPしました。 GO!
2026/04−23 50MHzAM送信機 回路図&プリント基板部品配置図(ほぼ決定) GO!
サイテック みんなの掲示板
![]()
●掲示板 ”情報の泉”・・・ 作品や回路図など、画像をUPできる掲示板になりました。
● 情報の泉”画像フォルダ− ・・・ CYTECの自作に関してのデ−タ集です。
|
|
|
|
|
|
|
|
|
|
●CYTEC 自作支援ソフト「HamTool」 7Pack Win10/11 ・・・ DownLoad
CYTEC/サイテックが、おすすめします。
アンテナ3本 <−> 無線機2台
または アンテナ2本 <−> 無線機3台 を切り替えるセレクタ−。
●つながっている状況を表示 「ANT+RIG セレクタ−」の製作 2026/01 NEW!
自作を続けてきて、いくつかの無線機や各バンドの受信機などが、ジャックに雑然とあります。これらの無線機を使用するたびに、アンテナをつなぎ変えたりするのが
結構面倒に感じるようになりました。アンテナ切り替え器もありますが、いくつか用意するとなると、かなりの出費が必要になります。
そこで、手元にあった高周波リレ−を使い、無線機2台、アンテナ3種類を、切り替えて、現在どれがつながっているかを表示させる、アンテナ/無線機切り替え器を
製作してみました。ソフトを書き替えて表示デ−タを変えると、無線機3台、アンテナ2種類の切り替えもできます。
リレ−は、パ−ソナル無線機に使われたと思われる高周波リレ−で、通過損失は少ないのですが、通せるパワ−は10W程度かと思われます。(50MHzまでです。)
現在は、入手できないと思います。その場合は、損失を覚悟で市販の一般リレ−を使ってみて下さい。50MHzぐらいまででしたら、十分使用できると
思います。
使用したPICは、PIC16F819で、かなり古い部類のPICになります。これはただ手持ちが有ったと言う事で採用しました。
書き込みソフトは、LCD表示デ−タが含まれますので、各自に合わせてソフトを書き替えなくてはならないので、 今回はhexファイルの公開はしません。
自分でPICへの書き込みができる方は、メ−ルで問い合わせてください。
実は、アンテナ切り替えは、圧倒的にメカニカル式のほうが使いやすいです。電源もいらず、前回の状態を保持していますので、使いやすいと思います。
ただ、どれとどれがつながっているかは、覚えているしかなく、アンテナ/無線機の両方の切り替えは、結構面倒かもしれません。
回路図 ・・・ Click
部品マウント図 ・・・ Click1, Click2
PCBEプリント基板デ−タ ・・・ Click(Zip)
参考:PIC16F819用ソ−スファイル(mikroC PRO) ・・・ Click (Zip)
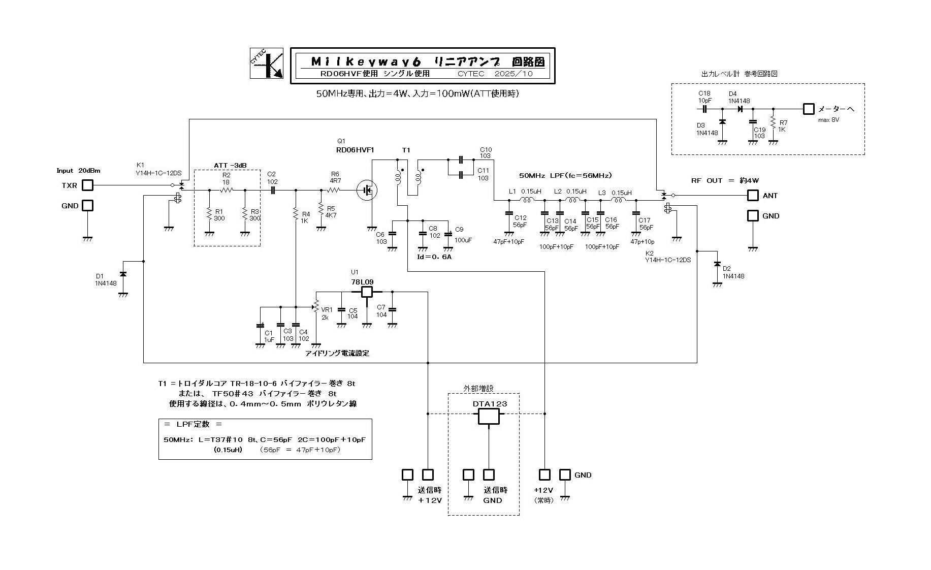
50MHz用 リニアンプ 100mW入力 → 4W出力 Milkeyway6にぴったり!。
●50MHz FETリニアンプ 「Venus64」の製作 2025/12
1130ユニットを使い、製作した50MHzトランシ−バ−「mILKEYWAY6」の、出力は1Wです。やはり平場でのQSOには、多少力不足を感じます。
そこで、POW1130の代わりに、FETを使用したリニアンプを、製作しました。入力=100mWで、出力=4Wになりました。
ケ−スに、以前プリアンプを製作した時使用した物を、流用しました。スペ−スが、かなり空いているので、SWR計を組み込んでみました。
このリニアンプは、LPFの定数を変えれば他のバンドの物が製作できます。その際のドライブ電力は、100mWを守ってください。
パ−ツリストを、今回は製作してありませんが、特別なパ−ツは使用していません。ほとんどが悪付き電子通商で入手できます。
放熱器は、秋月電子通商で販売している物で、一番大きなサイズです。
FETは、樫木総業株式会社(click)にて、入手しました。
回路図 ・・・ Click
部品マウント図 ・・・ Click
PCBEプリント基板デ−タ ・・・ Click(ZIP)
上記のデ−タをパッキングしたファイル ・・・ Click(zip)
1130ユニット・シリ−ズで作る SSB/RF出力=100mW(QRP)
●6m
or 15m 令和に作るトランシ−バ−2024/08
下記で紹介した、「1130ユニット・シリ−ズ」で、50MHzと21MHzの、トランシ−バ−を、製作しました。
VFOは、し5351Sを使用した、PLL−VFOです。
RF出力は、100mWと小さいですが、トランシ−バ−としての再現性を、第一と考えました。
ケ−スは、タカチのYM−250で、ホワイトに塗装しました。
6mSSBトランシ−バ−「Milkyway6」 各基板総合結線図 ・・・ Click
ケ−ス穴あけ用レイアウト図 ・・・ Click
今後の無線機の動向としては、ソフトウェア−を中心としたデジタル無線機が、中心になっていくでしょう。
小型、高性能になりますが、自作愛好家としては、かなり敷居が高くなり、自作を楽しむのが難しくなって
行くと思います。2024年現在でしたら、まだリ−ドタイプの部品も、入手できます。アナログ・トランシ−バ−を
製作する最後のチャンスかもしれません。アナログ無線機作りに挑戦してみたらいかがでしょうか。
VFOや発振器の出力レベルを測定 測定範囲: −50dBm〜+15dBm(50mW)
●dBmパワ−計 「PO−dBm025」の製作 2025/08
2025/11−22 PIC書き込みファイル(hexファイル)訂正しました。再度DLしてください。
自作をするうえで、VFOや発振器のレベルを知ると言う事は、重要な事です。
今から、20年ほど前に、今回も使用したIC「AD8307」を、使った
小信号パワ−計が、流行しました。CYTECでも、「PO−10」と言うパワ−計を
キットで出していました。
その後、パワ−計に周波数カウンタ−を付けた、「RF−Mate」を、出しました。
今更な感はありますが、1台あると便利なので再度製作してみました。
なお、パワ−計の単位は、「dBm」となります。使い慣れると、dBm表示の
ほうが、分かりやすくなります。
今回、同じ内容ですが、新たにリニュアルしてみました。
リニュ−アルした部分は、
1)PICの種類、表面実装のAD8307、小型LCD(I2C接続)使い
小型化しました。
2)上記に伴い、プリント基板も新しく書き直しました。
3)PICのソフトを見直して、昔より精度を上げました。
クリックすると拡大します。
回路図 ・・・ Click
部品マウント図 ・・・ Click
プリント基板デ−タ(PCBE) ・・・ Click(zip)
PIC書き込みhexファイル・・・ Click(zip)
上記のデ−タをパッキングしたファイル ・・・ Click(zip)
校正方法 ・・ 今回は、校正するにあたり、0dBm標準信号発振器 を製作しました。この発振器の構成は、「TinySA」と言うスペアナで行いました。
レベルの分かっている信号を、PO−dBm025」に入力して、基板上にあるVRを調整して、分かっているレベルを表示するようにします。
できれば、「0dBm」にて構成するといいと思います。
当然ながら、SSGなどの測定器をお持ちの方は、それらで校正してください。
これらの校正方法では、絶対的な値は分かりませんが、目安としてのお手軽測定器としては、十分だと思います。
48MHz,0dBm−OUT 基準発振器の製作デ−タ(回路図、PCBEデ−タ) ・・・ Click(zip)
発振器の構成は、 オシロスコ−プ または TinySA を使い校正します。
MilkyWay6の出力をUPしましょう。 100mW入力 −> 約1W出力
●6m
リニアアンプ 「POW1130」の製作 2025/01
6mトランシ−バ−「MlkyWay6」の出力は100mWなので、もう少しパワ−が欲しいと
とのご希望を、何人かの方から頂きました。そこで、後付けタイプのリニアアンプを、製作しました。
「とにかくファイナルトランジスタ−が、無い!!」
肝心のファイナル・トランジスタ−が、ほとんど生産中止となっています。
ようやく入手できたのが、2SC1970でした。この石で製作しますとと、50MHzでは約1Wの出力が
得られます。1W近くの出力が有れば、かなり実用的になります。
回路としては、よくある広帯域アンプ形式で、出力に50MHzのLPFを、入れてあります。
後付けタイプとして、リレ−2個を使い、受信時のスル−回路をもうけてあります。
ただし、使用したリレ−が、一般用リレ−なので50MHz帯では、送受信時少し損失があるようです。
ここには、高周波リレ−を使うと、損失が少なくなり、FBになります。
== 特徴 ==
1)入力電力 = 50MHz帯 100mW
2)出力電力 = 0.7〜0.8W(電源電圧:12V時、13.8Vではもう少し出ます)
3)アイドリング電流 = 30mA〜40mA 設定
4)送信時の電流 = 400mA程度
5)LPFは、定K型 5次のフィルタ−内臓
6)スタンバイは、送信時 +12Vを指定端子に加えます。
回路図 ・・・ Click
部品マウント図 ・・・ Click
パ−ツリスト・・・ Click
製作マニュアル ・・・ Click
50MHz用リニアアンプ「POW1130」セミ組み立てキット 基板+主要部品一式+製作マニュアルのキットです。 キットの詳しい内容は ・・Click
1130ユニット・シリ−ズ
si5351A+PIC12F1840使用
●50MHzバンド、IF=9MHz用、VFOシステム「VFO1130」の製作 2024/09
回路図、hexファイル 修正デ−タ再UP済み 6/05
Tran1130,Gen1130、DCC1130 書くユニットを使い、50MHzのトランシ−バ−を製作するときに
使用するVFOユニットです。
使用デバイスは、発振には「si5351A」を、コントロ−ルには「PIC12F1840」を使っています。
また、周波数ディスプレ−には、小型LCD「AQM1620」を、使っています。
== 特徴 ==
1)出力周波数 = 41MHz〜41.5MHz(IF=9MHz)
2)出力レベル = 約+8dBm、 LPF 2段内臓
3)周波数ステップは、1KHz、100Hz,10Hz が選択できます。
4)メモリ−を1ch内蔵しています。
5)メモリ−周波数で、VFOIが立ち上がります。
6)LCDとの接続は、電源、GND、信号1、信号2 の4本のみです。
回路図 ・・・ Click
部品マウント図 ・・・ Click
パ−ツリスト・・・ Click
製作マニュアル ・・・ Click
PIC12F1840書き込みhexファイル 50MHz ・・・ Click
AQM1620 ケ−ス取り付け穴ケガキ用図面(A4,原寸大) ・・・ Click
50MHz用VFOユニット「VFO1130」セミ組み立てキット 基板+主要部品一式+製作マニュアルのキットです。 キットの詳しい内容は ・・Click
Gen1130と使う、トランスバ−タ−・ユニット RF出力=100mW 1130ユニット・シリ−ズ
●2SK241+SA612使用 トランスバ−タ−「Tran1130」の製作 2024/08
画像をクリックすると拡大します 左:完成基板 右:回路図
SSBジェネレ−タ−「Gen1130」と、組み合わせてトランシ−バ−が付くレス、トランスバ−タ−「Tran1130」です。
今回は、50MHzバンドとして紹介しますが、一部部品定数とVFO周波数を、変更することで、任意のモノバンド
トランシ−バ−を、製作することができます。
== 特徴 ==
1)基本的には、IF=9MHz SSBジェネレ−タ−に、つなぎます。
2)ミキサ−にはSA612を、1個で送信受信に使用しています。
3)送信出力は、単体で100mW出力です。LPF+リレ−回路を搭載しています。
4)プリアンプ、段間アンプには、2SK241を使用しています。
5)受信プリアンプ部には、ゲインコントロ−ルが付いています。
回路図 ・・・ Click
部品マウント図 ・・・ Click
パ−ツリスト・・・ Click
製作マニュアル ・・・ Click
他バンドへの移行 ・・・ Click
ケ−ス(YM250)フロント・バックパネル 穴あけ加工図(A4,原寸大) ・・・ Click
トランスバ−タ−「Tran1130」+電源切り替えユニット「DCC1130」セミ組み立てキット 基板+主要部品一式+製作マニュアルのキットです。
キットの詳しい内容は ・・Click
送受信・電源切り替えユニット 1130ユニット・シリ−ズ
●電源切り替えユニット・高速/無音 「DCC1130」の製作 2024/08
トランシ−バ−で、送受信を切り替えるのに電源切り替えを使う場合、無音で高速に動作するユニットです。
回路は、CYTECオリジナルです。送信、受信とも、同じ電圧が得られます。
回路図 ・・・ Click
部品マウント図 ・・・ Click
パ−ツリスト・・・ Click
製作マニュアル ・・・ Click
令和に作る、昭和が香るSSBジェネレ−タ− 1130ユニット・シリ−ズ
●9MHz SSBジェネレ−タ−「Gen1130」の製作 2024/05
昔昔、1980年代にはトランシ−バ−の自作をする人が、たくさんいました。その時、SSBジェネレ−タ−が、
自作家の、関心の一つでした。その中でも、一世を風靡したジェネレ−タ−として、「熊本シティ−スタンダ−ド」があります。
完全アナログ、ディスクリ−ト構成の、そのジェネレ−タ−は、熊本を中心として活動していた、熊本工作研究会が
開発したものです。自作をやられている方でしたら、1度は聞いたことのあるジェネレ−タ−でしょう。
のちに、秋月電子通商にて、キットが販売されて、私も購入した一人でした。確か、1978年ごろだったような気がします。
半導体だけで、トランシ−バ−が作れると言う事で、夢中になり作ったものです。当時は、まだまだ知識や技術もなく、完成は
しましたが、なんとなく感度が悪く、送信に至っては、ちゃんとした電波が出ているのかもわからない状態でした。
結局、隣町の友人局と、1回だけQSOしただけで、お蔵入りした記憶があります。大変、懐かしいです。
2024年になりましたが、最近はトランシ−バ−を作ることすら、珍しいこととなり、当然SSBジェネレ−タ−の
新しい物の公開もなくなりました。それでもアマチュア無線家にとって、自作トランシ−バ−でのQSOは、やはり
心躍ることではないでしょうか。ただ、製作環境や、法律的にも難しい時代になりましたが、QRPでちょっこと
電波を出すのなら、許してもらえるのでは・・・。
令和の時代に、サイテックがSSBジェネレ−タ−を、作ってみました。使用したデバイスは、ICが中心ですが、
かなり古い世代のICを使っています。ICを使用したおかげで、安定した動作が得られます。また、再現性も
なかなかいいです。
== 使用デバイス ==
1)IF周波数は、9MHzとしました。
2)IF増幅段は、SN76600P(MC1350) 1段使用
3)復調/変調/BFO発振は、TA7320P使用
4)AGCアンプ/AF増幅には、 OPアンプNJM2732D x2使用
5)オディアンプには、TA7368P使用
「Gen1130」の詳しい説明と、Data-DounLoadは、「Radio Craftman Club」にて ・・・ Click
SSBジェネレ−タ−「GEN1130」セミ組み立てキット 基板+主要部品一式+製作マニュアルのキットです。 キットの詳しい内容は ・・Click
dsPSNジェネレ−タ−「EasyPSN SV」の追加情報。 スム−ジング・フィルタ−の増設
●「EasdyPSN SV 2019年版」 性能UPの手直し情報
2023/08
2019年に発売した、「EasyPSN SV」PSN−SSBジェネレ−タ−の
キャリアサプレッション+サイドバンドサプレッションの性能向上の
ための情報を、お知らせいたします。
基本的な改造は、AFラインに、CR1段のLPFを、増設してもらいます。
それと、出力段のOPアンプの、1部定数を変更してもらいます。
手直しするための、「EasyPSN SV」2023版回路図 ・・・ Click
LPF用抵抗器(1K) EasyPSN基板への実装方法 ・・・ Click
LPF用コンデンサ−(473) EasyPSN基板への実装方法 ・・・ Click
AF−PSNのラインそれぞれに、LPFを増設してください。調整は、オリジナルの調整方法と同じです。
Libra7000で50MHzを聞こう。
●50MHz
to
7MHz クリスタルコンバ−タ− for Libra7000 の製作
2023/04

夏になってくると、6mバンドの活動も華やかになってきます。
Libra7000de 50MHzを聞きたいと思い、クリコンを製作
してみました。クリコンと言っても、昔の様なクリスタルを局発
としたものではなく、si5351Aを局発に使用した、クリコンです。
1)アンテナスル−回路を内蔵していますので、クリコンをつないだ
ままで、親機の周ハウスが聞けます。
50MHzを受信するときは、電源を入れるだけで、50MHzが
7MHzで聞こえます。
2)50MHz(USB)を、7MHz(USB)に変換しますので、7MHz
の受信機は、USBモ−ドが聞けるものが必要です。
3)スタンバイ回路をなお蔵していますので、50MHz送信機と
組み合わせてセパレ−ト運用ができます。
50MHz クリスタルコンバ−タ−(si5351A使用)製作デ−タ ・・・ Click zipファイル
si5351Aを使用した、BFO Type1、Type2
●BFO−5351 Type1,Type2,
Type3 の製作
2023/02
フィルタ−を使い、SSBの送信機、受信機を製作するとき、BFO(発振器)が必要になります。通常はクリスタルを使用しますが
次のような場合、適当なクリスタルが入手できない場合があります、
1)自作ラダ−型フィルタ−使用時、アッパ−側(LSB発生)のクリスタルが入手できません。
2)古いジャンクのフィルタ−が手に入ったとき、BFO用クリスタルがない場合が多いです。
このような場合に、si5351Aを使い汎用型のBFOを、製作してみました。
Type1−BFOは、次の特徴を持っています、
1)初めに設定したBFO周波数から、VXOの様にVRにて周波数を可変できます。
2)その設定した周波数は、メモリ−に記憶され、次回からはそのBFO周波数で
立ち上がります。
3)この操作は何度でもできます。(設定ボタンを押しながら設定します)
4)LPFを内蔵して、正弦波の出力となっています。また、適正な出力レベルに
合わせるためのVRも内蔵しています。
BFO−5351 Type1 製作デ−タ (PIC書き込み hexファイル5種周波数込み) ・・・ Click zipファイル
Type2−BFOは、次の特徴を持っています。
1)初めに設定したBFO周波数は変更できませんが、外部に付けたVRにより
+−に可変できます。
ただし、可変した周波数は、メモリ−しません。
2)可変した周波数は、リセットボタンを押すことで、元の周波数に戻ります。
このBFOは、セパレ-ト無線機で、トランシ-ブ操作をした場合の、周波数ずれを補正する
目的で製作されました。簡易型のRITとしても使用できます。
BFO−5351 Type2 2mode−Type 製作デ−タ (PIC書き込みhexファイル5種周波数込み)
・・・ Click zipファイル
BFO−5351 Type2 製作デ−タ (PIC書き込み hexファイル5種周波数込み) ・・・ Click zipファイル
(3)BFO−5351 SIN & COS 2相出力 for RF−PSN
PSNタイプの送信機を製作するときに使える、SIN波、COS波 同時出力の
BFO発振器です。
主力部には、LPFを入れてサイン波出力にしています。
出力レベルは、約5dBmぐらいです。(ソフト書き換えにて変更可)
小型で場所を取りません。
BFO−5351 Type3 製作デ−タ (PIC書き込み hexファイル5種周波数込み) ・・・ Click zipファイル
一般的に使用するなら、Type1の物がお勧めです。また、これらのBFOは、スタ-ト周波数をソフト上で設定して、PICへ書き込まなければ
なりません。ご質問などは、CYTECまでメ-ルをお送りください。 cytec@cytec-kit.com
測定レンジ 1W〜10Wmax お手軽測定器
●デジタル・パワ−計 「DP−10W」 の製作
2023/01

SSBトランシ−バ−や、送信機を自作する場合、1W〜10W程度の
出力の物が多いと思います。
そのような場合、出力が簡単にわかると大変便利です。
そこで、お手軽さを中心にした、デジタル表示のパワ-計を製作して
見ました。使用部品も、難しい物はなく、ちょっと暇なときにでも、
製作してみてください。
今回のパワ−計の測定範囲は、
1W〜10W になっています。
● 「DP−10W」 製作デ-タDL (pdfファイル)
DP−10W 製作マニュアル ・・・ Click
DP−10W 回路図 ・・・ Click
DP−10W パ-ツリスト ・・・ Click
DP−10W プリントパタ-ン ・・・ Click
DP−10W 部品配置図 ・・・ Click
DP−10W 総合製作デ-タ(PCBEデ-タ、PIC書き込みhexファイル、参考写真、etc 含みます) ・・・ Click(zipファイル)
DP−10W 中国製I2C LCD表示器を使用するときの、PIC書き込みhexファイル ・・・ Click(zipファイル)
● 投稿: JA7MQA-OM DP−10W 製作と校正に関するレポ−ト ・・・ Click
「デジタルパワ−計 DP−10W」組み立てキット 基板+部品一式+製作マニュアルのキットです。 ★キットの詳しい内容は・・ここをクリック
H−Mode Mixer + AD603x2 IF−Amp + si5351A−VFO high performance receiver
●7MHz、SSB受信機「Libra7000」の製作
2022/11
Libra7000 製作例 クリックすると拡大します。
今日までに、何台も受信機を製作してきました。
今回は、今までの物より、ちょっと上の性能の受信機を、
製作してみました。
受信機は、奥が深くて、何台製作しても面白いですね。
「Libra 7000]は、次の特徴を持っています.。
a)フロントエンド部
1)プリアンプ、ポストアンプには、抵抗帰還形NFBアンプを、採用しています。2SC2851を使い、Ic=40mAほど流し
高IPを狙っています。
2)ミキサ-には、H−Modeミキサ-を使っています。OIP3=30dBmほどとなっています。
3)クリスタルフィルタ−は、9MHz 8Pole ラダ-型フィルタ-を内蔵しました。
b)IF増幅アンプ部
1)IF増幅アンプには、アナログデバイス:AD603x2を、使っています。AGC特性が良いとされています。また、
内部ノイズが少ないです。
AGCドライブには、2SC1815x2を使っています。
c)VFO部
1)PLL−VFOで、発振にはsi5351Aを、制御にはPIC12F1840を、使用しています。
2)本体とLCD表示との接続は、線4本です。
3)スマ-トダイアル、メモリ−1ch内臓、ダイアルロック などの機能があります。
● Libra7000 製作デ-タDL (pdfファイル)
Libra7000の特徴を見てみる。 ・・・ Click
回路図を見てみる。
フロントエンド部 ・・・ Click、 IF部 ・・・ Click,(改訂) VFO部 ・・・ Click
プリントパタ-ンを見てみる。
フロントエンド部 ・・・ Click、 IF部 ・・・ Click, VFO部 ・・・ Click
パ-ツリストを見てみる。 フロントエンド部 ・・・ Click、 IF部 ・・・ Click, VFO部 ・・・ Click
部品配置図を見てみる。 フロントエンド部 ・・・ Click、 IF部 ・・・ Click, VFO部 ・・・ Click
Libra7000 総合結線図を見てみる。
・・・Click
Libra7000 調整を見てみる。
・・・
Click
●Libra7000情報:
実際に使用してみて、オリジナル回路から各部を改良してみました。
1)重要: AGCドライブ回路をOPアンプに変更してみました。
・・・ Click (zip)
2023/03-25
2)AGCドライブ回路定数変更(オリジナルのままで)
・・・ Click
3)Libra7000 受信音のチュ−ニング
・・・ Click
4)Libra7000 Sメ-タ-回路の改良
・・・ Click
5)RF阻止フィルタ−を増設
・・・ Click
6)Libra7000 外部BFO入力端子増設
・・・ Click
2023/03-25現在: Libra7000 IFユニット回路図 ・・・ Click
si5351A+PIC18F14K50使用、モノバンドVFO, 各自でVFOのシステム設定ができる
●自作機に 「PLL−MonoバンドVFO・ユニット」の製作
2022/05
自作で、トランシ−バ−や受信機を製作するとき、昔はLCのVFOを
作りました。現在は、デバイスが良くなり、簡単に安定なVFOができます。
今回は、クロックジェネレ-タ-「si5351A」を使い、モノバンドのVFOを
製作してみました。
「MonoBando・VFO」の特徴は
1)出力周波数は、 実用的には、60MHzまで、出力レベル=+7dBmx2
2)VFO本体と、LCD表示器は、セパレ-ト型になっています。
LCDとの接続は、I2C接続によりリ-ド線4本のみです。
3)発振周波数、IF周波数ん度、VFOの基本設定が、各自でできます
設定時の周波数は、最小が1KHzとなっています。
そのほか、システムとしての、設定がいくつかできます。
また、設定は何回も、繰り返して設定できます。
設定内容は、メモリ-にて保持あされます。
4)メモリ-機能を、5ch実装しています。書き込み/読出しは、1個のスイッチで行います。(早押し/長押し)
5)VFO立ち上げ時、メモリ-1chの周波数で立ち上がります。バンド内で、よく使う周波数を入れておくとよいでしょう。
6)メインダイアルの同調時に、スマ-トダイアルを使用しています。ステップ切り替えはなく、回すスピ-ドと時間で、
周波数変が早くなります。(多少、同調にクセがあります)
7)基板上にパワ-コンバイナ-を実装していますので、受信/送信で、2系統の出力が得られます。
8)ダイアル・ロック機能が付いています。不用意に触れても動きません。
MonoBand−VFO・ユニット の回路図を見てみる。 ・・・・・・ Click
MonoBand−VFO・ユニット の周波数設定の手順を見てみる。 ・・・・・・ Click(pdfファイル)
「モノバンドVFO・ユニット」組み立てキット 基板+部品一式+製作マニュアルのキットです。 ★キットの詳しい内容は・・ここをクリック
7MHzバンドを気楽に聞いてみましょう。 入門用受信機
●7MHz/ダイレクトコンバ−ジョン受信機「Comet40」の製作
2021/07
7MHz帯は人気が高く、いつも誰かがQRVしています。ラジオの様に、ワッチしていても、楽しい
物です。そこで、気軽に、7MHzを受信するために、ダイレクトコンバ−ジョン受信機(DC受信機)
を製作しました。
CYTECで初めて、DC受信機を公開したのが、2002年10月でした。その時の受信機の名前は、
「Sparrow40」です。その後、何度かバ−ジョン変更があり、2011年から「Comet40」となっています。
今年2021年になり、基板を新しく設計しなおし、使用部品も多少変更して、「Comet40−2021」
として、生まれ変わりました。
「Comet40」の特徴は、
1)検波には、CYTEC伝統の差動アンプを使用しています。
2)オ−ディオフィルタ−として、サレンキ−タイプのLPFを内蔵しています。
3)VFOは、LCの発振回路で、発振コイルに空芯コイルを採用しています。
4)同調は、バリキャップ方式です。
5)電源電圧は、7V以上となっています。
Comet40−2021 の回路図を見てみる。 ・・・・・・ Click
Comet40組み立てキット 基板+部品一式+製作マニュアルのキットです。 ★キットの詳しい内容は・・ここをクリック
50MHzバンドで懐かしいAMを聞いてみましょう。 入門用受信機
●50MHz/AM受信機「Luna6-RX」の製作
2021/06
根強い人気の50MHz帯で、マニアックな人たちが運用しているのが、AMモ−ドです。
昔は、アマチュア無線の入門バンドとモ−ドとして、古い人は一度は運用したことが
あるのではないでしょうか。現在も、Eスポ、コンテスト、ロ−ルコ−ルなどで、運用が
続けられています。そこで、50MHz/AMを受信するための、簡単な受信機を、ご紹介
します。
Luna6-RXの特徴
1)IF周波数を455KHzとした、シングルコンバ−ジョン受信機です。
455KHzのIF増幅器と検波には、OneチップAM・IC UTC7642を使用しています。
2)VFOには、50.3MHzのクリスタルを二つ使った、ス−パ−VXOを使用しています。
3)フィルタ−には、455KHzのセラミックフィルタ−を、使用しています。
4)基板は余裕を持たせてた設計で、製作しやすくなっています。
Luna6-RXの仕様
(1)受信周波数 50.44MHz 〜 50.68MHz(参考値) 受信周波数=VFO周波数+455KHz
(上記受信範囲は、VXOを使用しているため、多少変わります。)
(2)電源電圧 DC 12V
(3)電流 無音時 30mA
(4)選択度 使用するフィルタ−特性に準じます。
(5)同調方法 バリキャップ使用の、電子同調方式です。
Luna6-RXの製作関係デ−タを、Downroadする。(LZHファイル) ・・・・・・ Click
Luna6-RX セミ組み立てキット 基板+主要部品+製作マニュアルのキットです。 ★キットの詳しい内容は・・ここをクリック
7MHz/50MHz
2バンド SSB/AM対応 トランジスタ−受信機
●トランジスタ−SSB/AM受信機「Orion 40RX」の製作
2021/02




デジタルPSN送信機「Orion406TX」に合わせて使う、受信機を製作しました。
一部にICを使用しましたが、ほとんどの部分にトランジスタ−を使用しています。特に、フロントエンド部は、
通常はFET、ICを使う場合が多いですが、この部分にもトランジスタ−を使い、
使用回路を工夫することにより
一般的な運用には、問題なく使えるスペックになっています。
受信機としての特徴は、
(1) 7MHz/50MHzの2バンド対応になっています。
(2)受信できるモ−ドは、SSB/CW/AM です。(ただし、CWはフィルタ−が対応していません)
(3)クリスタル・フィルタ−の帯域を、3KHz/6KHzが選択できます。
(4)ATT(−20dB)スイッチ、AGC(Slow/Fast)スイッチが付いています。
(5)読み書きメモリ−を、1ch持っています。受信機立ち上げ時には、メモリ−周波数で立ち上がります。
(6)メインダイアルのステップ周波数は、自動的に変化します。ステップ切り替えスイッチはありません。
(7)周波数表示に、TjLab製「アナログ表示周波数カウンタ−」を使用しました。(標準:LCD表示)
(8)受信機から、送信機用のVFO出力が取れます。送信機とのトランシ−ブ操作ができます。
「Orion 406RX」 各ユニットの製作デ−タ(LZHファイル) 基板のデ−タを見るには、PCBEのソフトが必要です。-->
Click
2バンドBPFユニットの製作デ−タ ・・・ DownLoad
TRフロントエンド・ユニットの製作デ−タ ・・・ DownLoad
クリスタル・フィルタ−・ユニットの製作デ−タ ・・・ DownLoad
CY7045x2 IFユニットの製作デ−タ ・・・ DownLoad
VFOユニットの製作デ−タ ・・・ DownLoad
Orion406RX 写真デ−タ ・・・ DownLoad
「Orion406RX」を製作するには、一部で特殊な部品が必要となります。入手に関しては、mail:
cytec@cytec-kit.com までメ−ルしてください。
デジタル・オ−ディオ・フィルタ−を、使ってみましょう。 TjLab開発品
●「DSP AFフィルタ−」の製作
2020/11
最近のメ−カ−製の無線機には、デジタルによる信号処理が、普通に使われています。我々の様な自作好きには、まだまだそこまでの
知識や、技術はありませんが、DSP(デジタル・シグナル・プロセッサ−)を使った、オ−ディオ・フィルタ−を、製作してデジタル信号処理を
体感してみましょう。
今回の、開発は 和歌山県にある「TjLab」さんに、お願いしました。
DSP AFフィルタ− 機能
(1)LPF(ロ−パスフィルタ−) ・・ カットオフ周波数連続可変
(2)BPF(バンドパスフィルタ−) ・・ センタ−周波数、通過帯域の連続可変。
(3)Notch(ノッチフィルタ−) ・・ ノッチ周波数、ノッチ帯域の連続可変
以上の、フィルタ−機能を持っています。
回路図 ・・・・・ Click、 パ−ツリスト ・・・・・・ Click
その他の特徴
(1)各フィルタ−の特性が、ディスプレ−上に表示されますので、それを見ながら設定をすることができます。
(2)最適入力レベルにするための、インジケ−タ−付き
(3)親受信機(トランシ−バ−)の、スピ−カ−端子につないで使用する為、改造はありません。
(4)外部スピ−カ−を鳴らす、オ−ディオアンプ、内臓です。
(5)電源電圧は、12Vです。
DSP AFフィルタ−基板キット 基板+dsPIC+製作マニュアルCDのキットです。 ★キットの詳しい内容は・・ここをクリック
デジタルPSNでQRVしよう!。7MHz&50MHz2BAND PSN−Type SSB送信機
●dsPSN−送信機「Orion 406TX」の製作
2019/12
PSNタイプのSSB送信機は、かなり歴史があり自作を試みた方も多いと思います。
しかし実際に自作してみると、AF−PSNの製作や調整にてこずったのではないでしょうか。
このAF−PSNを、最新のデバイスでデジタル処理して、誰でも製作できる送信機を作りました。
Orion406TXの特徴
1)AF−PSNは、dsPIC33FJ64GP802を使用した、デジタルPSNで、無調整です。
2)RF−PSNは、クロックジェネレ−タ−si5351Aを使用しています。
3)バンドは、7MHz & 50MHzの2バンド構成。
4)VFOにも、si5351A(PLL)を使用しています。
5)パワ-アンプは、RF−FET(RD06HVF1)を使用して、7MHz=2W,50MHz=1Wです。
6)VFOの周波数ステップ周波数は、回転数で変わる自動切換え方式を採用しています。
7)VFOは内部VFO、外部VFOの選択ができます。トランシ-ブ操作も可能です。
8)PIC18F14K50を使用した、システム・コントロ-ルを採用しています。
9)LCD表示器により、VFO周波数+システム状態を、表示します。
10)送信機は、前回電源OFFしたときの状態をメモリ−して、次回も同じ状態で立ち上がります。操作時、ビ−プ音も出ます。
11)アクセサリ-端子として、受信機スタンバイ端子、外部リニアアンプ・スタンバイ端子が付いています。
12)全体は、4つのユニットからなっています。
Orion406TX 仕様
(1)電源電圧 ・・・ 12V (9)キャリアサプレッション ・・・ Click
(2)電流 ・・・ max 1.2A (10)サイドバンドサプレッション ・・・ Click
(3)出力周波数 ・・ 7MHz、50MHz (11)USB/LSB出力 ・・・ Click
(4)出力電力 ・・ 7MHz=2W、50MHz=1W
(12)出力スプリアス ・・・ 7MHz Click
(5)モ−ド ・・・ USB、LSB,(自動切換え)Tune(キャリア) 50MHz Click
(6)キャリアサプレッション ・・ −50dB以上
(7)サイドバンドサプレッション ・・ −50dB以上
(8)送信帯域 ・・・ 100Hz〜3000Hz(サンプリング周波数 31.6KHz)
Orion406TX 各ユニットの回路図
dsPSN「EasyPSN SV」回路図(pdfファイル) ・・・ Click
Mixer&VFO Unit 回路図(pdfファイル) ・・・ Click
パワ-アンプ・Unit 回路図 (pdfファイル) ・・・ Click
PICコントロ−ル Unit 回路図 (pdfファイル) ・・・ Click
「Orion 406TX」 全ユニット間の接続図 ・・・ Click
キャリブレ-ション回路図 (pdfファイル) ・・・ Click
デジタルPSNでQRVしよう!。PIC18F14K50を使用して、送信機を制御します。
●dsPSN−送信機用「PICコントロ−ル・ ユニット」の製作
2019/11
デジタルPSN−SSBジェネレ−タ−「EasyPSN SV」+「Mix&VFO」+「PowerAmp」
の各ユニット間の制御を、PICを使って行います。
各スイッチは、次の機能を持っています。
(1)PTT ・・・ プッシュtoト−ク機能。
(2)TX ・・・ 押すたびに送信、受信に切り替わります。
(3)BAND ・・・ 7MHz/50MHzの切り替えをします。その際、自動的に
USB/LSBのも*−ドが、切り替わります。
(4)VFO ・・・ 送信機内部VFOと、外部VFOとを切り替えます。
(5)TUNE ・・・ モ−ドスイッチの一つで、キャリアを送信を選択します。
(6)CAL ・・・ 送信機内部VFOを使用時、受信機の周波数とキャリブレ−ション
を行うときに使います。
以上の機能選択ができます。また、その際に送信機がどのような状態かは、LCD表示器に
状態(ステ−タス)が表示されます。
・送信機の電源を入れると、前回の終了時の状態で、動作します。(メモリ−機能)
・スイッチを押すたびに、ビ−プ音がなり、確実な操作が行えます。
・送信時、誤ってスイッチを押しても、動作しません。
PICコントロ−ル Unit 回路図 (pdfファイル) ・・・ Click
PICコントロ−ル Unitを使った時の 全ユニット間の接続図 ・・・ Click
デジタルPSNでQRVしよう!。FETファイナル Max 2Wout、7MHz&50MHz2バンドユニット。
●SSBジェネレ−タ−EasyPSN SV用「パワ−アンプ・ ユニット」の製作
2019/10

各ハムバンドへ変換した信号を、実用的なレベルまで増幅する、RFアンプ
ユニットです。7MHz/50MHzの2バンド対応で、基本は7MHz+50MHz
の組み合わせになっています。他のバンドへの移行も可能です。
1)出力電力(12V)は、 7MHz=2W、50MHz=1W です。
2)アクセサリ−として、RFレベル信号、外部リニアアンプ・スタンバイ回路が
ついています。
3)LPFは、7次の定K型LPFを内蔵しています。
4)LPFの定数を変えることにより、3.5MHz〜50MHzまでの、任意の2バンド
のパワ−アンプとして、使用することができます。
5)dsPSN送信機用ですが、一般的なSSB送信機のパワ−アンプとして
使用できます。
使用FET ・・・ RD06HVF1 (7MHz=2W,50MHz=1W)
パワ-アンプ・Unit 回路図 (pdfファイル) ・・・ Click 、
各バンドのスプリアス特性(参考値) ・・・ 7MHz Click, 50MHz Click
dsPSN送信機 総合結線図(スイッチ使用タイプ) ・・・ Click(2020/02訂正)
デジタルPSNでQRVしよう!。ミキサ−回路とVFO回路を内蔵した、7MHz&50MHzユニット。
●SSBジェネレ−タ−EasyPSN SV用「Mix & VFO ユニット」の製作
2019/09
デジタルPSN SSBジェネレ−タ−「EasyPSN SV」の出力を、各ハムバンドへ
変換するユニットです。2バンド対応で、基本的には、7MHz/50MHzの組み合わせ
ですが、他のバンドへの移行も可能です。このユニットは、次の特徴を持っています。
1)ミキサ−には、シリコンダイオ−ドのDBMを使用。
2)VFOには、si5351Aを使用、制御には、PIC12F1840を使用しています。
3)周波数表示には、配線が少ない(4本)I2C制御のLCDを使用しています。
4)周波数は、ロ−タリ−エンコダ−を使い、回転スピ−ドによりステップ数が自動的に
切り替えられます。
5)VFOは、内部VFOと外部VFOが、切り替えられます。
6)バンドパスフィルタ−は、2ポ−ルタイプ。
7)キャリブレ−ション回路が付いています。
8)対応しているバンドは、7MHz(LSB)&50MHz(USB)です。
9)各バンドとも、出力は、約0dBmです。
Mixer&VFO Unit 回路図 ・・・ Click(pdfファイル)
本体基板の拡大表示 ・・・ Click
LCD表示器の表示サンプル ・・・ Click
注:他のバンドへ移行する場合、VFOのソフトの書き換えと、BPFの定数を変える必要があります。
デジタルPSNでQRVしよう!。AF−PSN部にdsPIC33FJ64GP802、RF−PSN部にsi5351aを使用した、デジタルPSNシステム。
●デジタルPSN SSBジェネレ−タ−「EasyPSN SV」の製作
2019/01
PSN(フェ−ジング・シフト・ネットワ−ク)方式でSSB波を得るには、オ−ディオ段の
PSNの製作が、大変でした。今回、このAF段のPSNに、dsPICのDSP機能を使い
デジタル処理してA相、B相を得る方式の、PSNタイプジェネレ−タ−を、製作しました。
これにより、AF−PSN部は無調整になりました。また、四季をとしての気温変化などの
影響も皆無になり、いままでのアナログPSNより、数段使いやすい物になりました。
RF−PSNには、クロックジェネレ−タ−の、si5351Aを使い、90度ずれた2波を
得ています。
今回DSPと言うデジタル処理を使う事により、PSNタイプ送信機の持つ「良い音」と
いうメリットが手軽に得られるようになりました。
今後の、PSNタイプ送信機は、DSPを使った今回の様なタイプか、フルデジタル処理
を使ったものに、移り変わっていくものと思われます。
今回、dsPIC−PSNを開発したのは、「Tj−Lab」になります。(原理解説あり)
左が「EasyPSN SV」の完成基板です。フィルタ−を使わない、SSBジェネレ−タ−
です。
dsPSN 「EasyPSN SV」仕様 dsPSN「EasyPSN SV」回路図 ・・・ Click
(1)電源電圧 ・・・ 12V
(2)電流 ・・・ max150mA
(3)出力周波数 ・・ 9MHz & 7.1MHz(テスト用) 2波選択式(他のIFに変更可能)
周波数関係 ・・ Click
(4)出力レベル ・・ 約0dBm
(5)モ−ド ・・・ USB、LSB,Tune
(6)キャリアサプレッション ・・ −50dB以上
(7)サイドバンドサプレッション ・・ −50dB以上
(8)送信帯域 ・・・ 100Hz〜3000Hz(サンプリング周波数 31.6KHz)
dsPSN 「EasyPSN SV」測定例
(1)キャリアサプレッション ・・・ Click (2)サイドバンドサプレッション ・・・ Click (3)USB/LSB出力 ・・・ Click
(4)出力スプリアス ・・・ Click
18MHz/50MHz 2バンド対応、 第一局発可変型(VFO) 受信コンバ−タ−
●親機の周波数=7.1MHz/LSB: VFOコンバ−タ− 「VC−200」の製作
2018/09
他のバンドを、ちょっと聞いてみたい時に使用するのが、クリスタル・コンバ−タ−(クリコン)
です。これは、第一局発に、クリスタル発振器を使ったもので、親機のメインダイアルで、
同調を取ります。今回の、「VC−200」は、第一局発にVFOを使用しています。そのため同調
は、「VC−200」のVFOで行います。親機のメインダイアルは、固定となります。
この方式のメリットは、親機の受信範囲に関係なく、各バンドいっぱいを受信できることと、
受信周波数表示がコンバ−タ−のほうでできるので、受信周波数が分かりやすくなります。
VFO部に、クロックジェネレ−タ−「Si5351」を使用しているので、2バンド対応コンバ−タ−
が、可能になりました。
親機には、ダイレクトコンバ−ジョン受信機も使えます。(7.1MHz/LSB受信)
VFOコンバ−タ−「VC−200」の製作デ−タ ・・・・・ Click(1.9M)
VFOコンバ−タ−「VC−200」の組み立てキット。 ケ−ス関係をのぞく部品一式です。 ★キットの詳しい内容は・・ここをクリック
CYTEC製ハイブリッドIC「CY7045」使用、FETパワ−アンプ、DDS−VFO、国産設計
●7MHzSSB専用TRX 「ChatBase340トランシ−バ−」2号機 の製作
2017/07
7MHz/SSBトランシ−バ−「ChatBase340」の、2号機です。
今回はケ−スを自作して、昔懐かしいデザインにしてみました。
これで以前製作した、7MHz/AMトランシ−バ−「Junk55]と、
2台並べて、SSB/AMの7MHzステ−ションが、完成しました。
ChatBase340の、オリジナル回路に次の回路基板を、追加してあります。
1)RFインジケ−タ−基板 ・・・ 送信時のRF信号の監視です。
2)AF発振基 ・・・ CW信号の代わりに、マイク端子にAF信号を加えます。
3)Sメ−タ−ドライブ基板 ・・・ Sメ−タ−に、1mAメ−タ−を使用する
ための基板です。
4)送信出力を、5W/1Wに切り替えるスイッチ。
5)ステップ周波数を切り替えたとき、ビ−プ音が出るようになっています。
送信部ブロックダイアグラム ・・・ Click
ChatBase340の使いやすさや性能をUPする、グレ−ドアップ用デ−タ(lzhファイル) ・・・ Click
CYTEC製ハイブリッドIC「CY7045」使用、FETパワ−アンプ、DDS−VFO、国産設計
●7MHzSSB専用TRX 「ChatBase340トランシ−バ−」1号機 の製作
2017/05



CYTECが、今までにない特徴的なトランシ−バ−を、作りました。
基本的な所としては、
(1)7MHzモノバンド、(2)SSB専用機、(3)出力電力は、3W (4)電源は、12V
トランシ-バ-の愛称は、「ChatBase340」です。
以下は、ChatBaswe340だけの、特徴です。
(1)東芝の差動アンプIC,TA7045をコピ−して、ハイブリッドIC「CY7045」を
新しく、作りました。ChatBaswe340は、このICを、4個使用しています。
(2)受信部の回路は、クリコン+DC受信機(クリダイ方式)構成です。
(3)クリスタルフィルタ-は、6Poleタイプ、ラダ−型フィルタ−で、Lによる特性
補正を試みています。
(4)送信部は、CY7045をBMと、MIXに使った、フィルタ-タイプの構成です。
(5)ファイナルには、三菱のFET、RD15HVF1を使用して、出力3Wを得ています。
(6)パワ−アンプ部のLPFには、ア−キシャル型チョ−クコイルを使用しています。
(7)VFOには、AD9834を使用下、DDS−VFOを使用。スタ−ト周波数は、7.1MHzから、ステップ周波数は、
100Hzからのスタ−トになっています。
(8)外部にラジケ−タ−をつなぐ、Sメ−タ−回路を標準装備。
(9)メインブロック部は、1枚基板になっています。他には、フィルタ−部、FOブロック部となっています。。
「ChatBase340」の受信の様子です。(動画) ・・・ Click
各ユニットの回路図です。 (1)メインブロック部・・・ Click (2)DDS−VFO部・・・ Click (3)フィルタ−部・・・ Click
ハイブリッドIC[CY7045]の回路図 ・・・ Click
外形・・・Click
特性例: ゲイン特性・・・Click AGC特性・・・Click ミキサ−特性・・・Click
ChatBase340の改良 (1)音量が足りない場合、ボリュ−ムの前に入れるプリアンプ回路図 ・・・ Click
(2)送信時メ-タ-を振らすインジケ−タ− & 外部リニアスタンバイリレ−回路図 ・・・ Click
OPアンプ NJM2732D使用。お手軽スピ−チプロッセサ−
●リミティング・マイクアンプ 「LMT−40を使った スタンドマイク」の製作
2016/08
自作派の方は、無線機だけではなく周辺機器まで、自分の手で作りたくなります。今回は、そのような方に向けて
自作スタンドマイクに内蔵する、リミッテイング・マイクアンプを、紹介します。
一般的なマイクアンプはよく見ますが、今回のマイクアンプは、OPアンプ+シリコンダイオ−ドを使用した
リミッタ−回路を使っています。大きな声でも、小さな声でも、音声の波高レベルを一定にするアンプです。
リミットするだけでは、波形が歪んだままなので、やはりOPアンプを使った、LPFを入れてなるべく歪みを
押さえる様な構成をとっています。
昔、「RFスピ−チプロセッサ−」という、マイクアンプが流行しましたが、今回のマイクアンプは、AF型
スピ−チ・プロセッサ−にあたります。
SSBでは、ト−クパワ−UPに、AMでは帯域制限に、役立ちます。
コンデンサ−・マイク(ECM)と、ダイナミック・マイクの両方に対応しています。
自分の好きな、スタンドマイクを作り、QSOしましょう。
リミッテイング・マイクアンプ「LMT−40」の製作デ−タ ・・・・・ Click(1.3M)
リミッテイング・マイクアンプ「LMT−40」の組み立てキット。 ケ−ス関係をのぞく部品一式です。 ★キットの詳しい内容は・・ここをクリック
ジャンクボックスに入っている部品で作ろうと始めたプロジェクトです。昭和の雰囲気漂うAMトランシ−バ−です。
●7MHz SSB/AM トランシ−バ− 「Junk−55TRX」 の製作
2016/07
前回製作した、7MHzAM/SSB受信機「Junk55」に、AM送信機を内蔵させて、7MHzAMトランシ−バ−に、してみました。
回路構成は、VFO部−>プリミックス部−>RF送信部 となっていて、トランシ−ブ操作ができます。本来は、7.195MHz
だけで良いのですが、手持ちにクリスタルが無かったため、バンドいっぱいカバ−する、トランシ−バ−に仕上がっています。
ファイナル・トランジスタ−は、2SC2092で、出力は1Wです。AM変調器には、オ−ディオアンプ uPC2002を使用して、
コレクタ−変調を使っています。製作時、変調の様子をJunk55受信機で聞いて見ましたが、変調はバッチリでした。
昭和の時代に一斉を風靡した、TR−1000やFDAM−3と同じ様な、オ−ルトランジスタ−のトランシ−バ−が完成しました。。
Junk−55TRXの送信部を元に、7MHzAM送信機「AMT−7」の製作デ−タを、下記からDL出来ます。
7MHzAM送信機の製作を、考えている方の参考になればと思います。
「AMT−7」送信機製作デ−タをダウンロ−ド(RFメイン基板) ・・・・・ Click(1.2M)
「AMT−7」送信機製作デ−タをダウンロ−ド(変調器メイン基板) ・・・・・ Click(1.5M)
「Junk55TRX」製作デ−タをダウンロ−ド(プリミックス・メイン基板) ・・・・・ Click(1.2M)
ジャンクボックスに入っている部品で作ろうと始めたプロジェクトです。昭和の雰囲気漂う受信機です。
●7MHz SSB/AM トランジスタ−受信機 「Junk−55」 の製作
2016/04
長らく自作を楽しんでいると、ジャンク箱の中には色々な部品が、たまっていきます。まだ使えるのですが、つい使わずそのままに
成っている物ばかりです。そこで、それらの部品を使って何か製作しようと思い、始めたのが7MHz AM受信機です。
FETは使わず、トランジスタ−と、オ−ディオ段のIC1個だけで、作ることにしました。今回は、VFO回路、TRのAM検波回路
受信周波数表示方法、SSBも受信可能に、そうして最後は、ケ−スの自作と、やり始めたらかなり当初の計画とは違って
結構本格的な受信機になってしまいました。性能は、昔のトリオ「9R59」なみでしょうか。完全に昭和の雰囲気が漂う、受信機です。
ジャンク部品が有ったり、時間的に暇が出来たときなどに、この様な遊び感覚の受信機の製作を、お勧めします。
製作デ−タをダウンロ−ド(メイン基板部) ・・・・・ Click(2.4M)
製作デ−タをダウンロ−ド(VFO基板部) ・・・・・ Click(2.4M)
ドライバ−・トランジスタ−2SC1383 + ファイナル・トタンジスタ−2SC2092 使用
●HAYABUSA6用 1W−OUTリニアアンプ 「HAYABUSA−Turbo」 の製作
2015/01
50MHz DSBトランシ−バ−「HAYABUSA6」は出力が、0.1Wです。それを1Wまで増幅するリニアアンプを、製作しました。
使用したTRは、2SC1383+2SC2092で、あまりなじみのないトランジスタ−です。50MHzでの使用例が少なく、元々利得が
とれないため、2段構成となりました。
基本仕様: (1)電源電圧=12V (2)入力電力=50mW〜100mW(要:内部ATTの値にて調整) (3)出力電力=1W以上
(4)スタンバイ方法=送信時、外部より+12Vをスタンバイ端子へ与える。
(5)今回は、出力を見るためのLEDなどは、付けませんでした。リニアアンプの動作を止めるスイッチのみ付けました。
製作デ−タをダウンロ−ド(自作仕様) ・・・・・ Click(1.2M)
やはり1Wの出力は、飛びが違うようです。6mH 2ele HB9CVで、結構楽しめます。
出力監視用の、何らかの表示器は有った方が良いですね。今後の開発の目標になりました。それと、運用周波数が読めるカウンタ−も
おもしろそうです。SWR計や、マイクコンプレッサ−なども、自作すると「自作無線局」に成りますね。
たかが、50MHz・DSBですが、ここまで来ると、確実に愛機に成りつつあります。
受信機、送信機、トランシ−バ−など、応用範囲が広い、汎用DDS−VFOユニットです。LCD表示器一体型です。
●AD9835+PIC18F14K50+LM7171使用 「CYTEC DDS−VFOユニット」 の製作
無線機などを自作する際、必ず必要となるのが、VFOです。今までは、LCの発振回路を
使った物が普通でしたが、今回はデジタル式に発振信号を作る方法で、VFOを製作して
みました。
DDS用ICには、AD9835、制御には、PIC18F14K50、アンプには、LM7171を
使用して、小型・高性能な物を目指しました。形状も、LCD表示器と、基板を一体化して
自作機のフロントパネルへの実装を、楽にしました。
基本仕様
(1) 発振周波数範囲 = 実用的な範囲で、1MHz〜16MHz (max 19MHz)
(2) 出力レベル = 16MHzにて、+10dBm。 VRにてレベル調整ができます。
(3) 電源電圧= 12V。 電流値 = 約120mA(平均値)
付属機能
(1)スタ−ト周波数、オフセット周波数、オフセット周波数 加算/減算 各設定を
VFO本体で設定できます。設定後は、メモリ−に保存され、設定値で立ち上がり
ます。また、リセット機能もあり、何回でも設定をやり直せます。
(2)バンド幅は、自動的に500KHzに設定されます。使用時には、バンドエッジでの
リミッタ−制御がかかりオフバンドを、防ぎます。
(3)ステップ値は、デフォルトでは、1KHz、100Hz,25Hzになっています。
(4)バ−グラフ表示のレベル計内蔵
最大入力5Vまでの電圧を、60ドットで表示する、
バ−グラフ表示のレベル計が
付いています。 Sメ−タ−などの代わりに使えます。
「CYTEC DDS−VFO ユニット」に関する写真を見る。 ・・・・ (1)、(2)、(3)
お得なエラ−基板を販売中!。詳しくは・・・・・ここをクリック
(残少数)
製作デ−タをダウンロ−ド(自作仕様) ・・・・・ Click(3.7M)
DDS−VFO 逆ダイアル対応hexファイル ・・・・・ Click(900k)
CYTEC DDS−VFOトラブル対策情報(TCXO編) ・・・・・ Click(pdf)
2SC1815x7石+TA7368P使用。使用回路は、CYTECオリジナル回路。電源は、6Vから12Vまでの広範囲。
●7MHz帯 ダイレクトコンバ−ジョン受信機 「Comet40」 の製作
7MHz帯を気楽にワッチするために、以前「Sparrow40」を紹介しました。今回の「Comet40」は、その改良機で、いくつかの特徴を持っています。
(1)ディスクリ−トで組んだ、差動アンプ1組で、検波/発振を行っています。
(2)2SC1815 7石+IC TA6368P使用。コイルは、トロイダルコア−とVFO用には8mmのベ−クボビン使用。バリキャップ同調。
(3)1石のサレンキ−・タイプ AFロ−パスフィルタ−内蔵。
(4)オ−ディオアンプ以外は、5V動作。そのため、電源電圧範囲は、6Vから12Vと広範囲設計。
(5)外部周波数カウンタ−用出力端子付き。カウンタ−をつなげば、受信周波数を直読できます。
製作デ−タをダウンロ−ド(LM386仕様) ・・・・・ Click(859k)
「Comet40」 TA6368p使用機 回路図をダウンロ−ド ・・・・・ Click(pdfファイル)
パソコン表示の周波数カウンタ−です。また、VFOなどの周波数ドリフト特性を、自動的に記録し保存できる!。
●PIC12F629使用 「EasyFC2
Ver1.2」 システムの製作(分解能は10Hzです。)
今まで、VFOなどの周波数ドリフト特性を測定するには、
時計を見ながら、周波数をプロットしていました。
「EasyFC2システム」は、お手持ちのパソコンにアダプタ−を
つなぎ、自動的にグラフを描かせる物です。時間も、1日分
が測定できます。これでVFOの開発が、やりやすくなります。
左は、EasyFC2アダプタ−製作例と、測定例です。
製作デ−タをダウンロ−ド ・・・・・ Click(340k)
<−−クリックすると大きくなります。
● 50MHz帯を気楽に楽しむ DC受信機+DSB送信機のトランシ−バ− 「HAYABUSA6」の製作

50MHzのSSBを、気楽に楽しめる無線機です。
受信部は、ダイレクトコンバ−ジョン受信機
送信部は、DSB送信機(out 100mW)
VFO部は、VXO発振器(100KHzカバ−)
すべて、トランジスタ−構成です。差動アンプを
多用して、50MHzでも十分な受信感度を得ています。
送信部のバランスドミキサ−には、2SC1815を
使用したアクティブミキサ−を、使用しています。
送信出力は、100mW以上です。
回路図を見てみる ・・・ Click
製作デ−タをダウンロ−ド ・・・Click(2M)
★キャリアサプレッションに関する情報です。(pdf)・・ここをクリック ★「HAYABUSA6」ちょっとした改良デ−タは。(pdf)・・ここをクリック
● 高周波回路のお手軽ツ−ル。一台で「周波数カウンタ−」+「QRPデジタルパワ−計」 「RF−Mate(50Ω系)」の製作

● RF−Mateの仕様
(1)周波数カウンタ−部
a)最大測定周波数 ・・・ 57MHz(0dBm時)
b)入力感度 ・・・ −25dBm(1MHz時)
c)分解能 ・・・ 10Hz(実用100Hz)
(2)パワ−計部
a)測定範囲 ・・・ −40dBm(100nW)
から
本体のみ時 +17dBm(50mW)
ATT使用時 +37dBm(5W)max
b)使用周波数範囲 ・・・ 実用60MHz位
(3)その他 a)ATT使用時直読用スイッチ付き
b) AD8307傾き補正機能付き
無線機の自作をする場合、高周波のレベルと周波数を、測定する場合が頻繁に有ります。例えば、VFO、局発発振器、ミキサ−、パワ−アンプ出力など
必ず測定しておかないと、正しい動作確認やレベル配分が得られません。今までは、周波数カウンタ−と、初代PO−10を使用していました。別々なので
机の上が狭くなったり、使い勝手の面では改善が必要だなといつも感じていました。そこで、二つの機能を一台でまかなえ、電源も乾電池が使えるようにし
た、「RF−Mate」を製作しました。測定器というよりも、お手軽ツ−ルとして今後の自作には、欠かせない物になると思い
製作デ−タをダウンロ−ド ・・・・・ Click(2.8M)
「RF−Mate」の組み立てキット。 ケ−ス関係をのぞく部品一式です。 ★キットの詳しい内容は・・ここをクリック
● 高周波回路の出力レベルや送信機出力などが手軽に解る。 「QRPデジタルパワ−計 PO−10jr(50Ω系)」の製作

自作リグを製作する際、VFOや局発などのRF出力レベルを知ることは、全体のレベル配分を
決める上で大切なことです。そのようなとき手軽にレベル測定が出来るツ−ルを、製作しました。
また、外部にアッテネ−タ−を使用することで、送信機のパワ−も測定できます。
表示単位は、高周波回路でよく使われている、「dBm」のみです。
一般的な電力単位「W」へは、換算表を使い換算します。
パワ−計として、有る程度の精度を確保するための校正には、「DC 1V」を使用します。
簡易型の安定化電源(1石)を製作し、その出力電圧を1Vに設定し、PO−10jrの校正用端子へ
つなぎ、LCDの表示を「3.5dBm」に合わせるだけで、「3MHz、0dBm」に校正した事になります。
この校正方法で、RFツ−ルとして高周波のレベルを、有る程度の精度で知ることが出来ます。
(1) レベル測定範囲 ・・本体のみで −40dBm から +17dBmまで
−20dBのアッテネ−タを付加して、−20dBm から +37dBm(5W)以下まで
(2) 最大使用周波数 ・・ 使用しているICでは、max500MHzとなっていますが、実装、ケ−ブルなどの
関係で、実用最大周波数は、60MHz程度と考えてください。
(3) LCD表示器に小型で、ブル−/白色文字の物を使用しているので、大変見やすいです。また、電源には、
乾電池の006P(9V)が使えるので、どこでも使用できます。
●「Power−Gear010」の製作
HF帯(モノバンド)において、出力2Wが得られる、パワ−アンプ・ユニットです。以下のような特徴を持っています。
1)ファイナルには、本格的高周波トランジスタ− 2SC2092を使用。他に、2SC2078、2SC1237などが使用できます。
2)ドライバ−トランジスタ−には、安価なAF帯用TR 2SC1383を使用。
3)従来のパワ−アンプには、バイファイラ−巻き、トリファイラ−巻きを使っていましたが、今回は製作を楽にする為
フェライトビ−ズに巻いたコイルにタップをもうける方式を採用しました。
4)アンテナリレ−や電源切り替えリレ−の代わりに、ダイオ−ドスイッチ、TRスイッチを採用したので、静かな送受信切り替え
ができます。RFダイオ−ドには、安価な整流ダイオ−ド使用。
5)LPFコイルには、ア−キシャルリ−ド型チョ−クコイルを使用して、面倒なコイル巻きを無くしました。
基板は、トロイダルコア−も実装できるように設計してあります。
「PSN−Gear07」+「TX−Gear010]+「Power−Gear010」+「AFC−VFO」の各ユニットを組み合わせると、
PSNタイプSSBセパレ−ト型送信機が、完成します。
製作デ−タをダウンロ−ド ・・・・・ Click (LZH、圧縮ファイル1.3M)
「Power−Gear010」の組立キット。 組み立てキットには、基板上の部品がすべて入っています。(一部部品は、ご用意頂きます。)
上記の写真は、キットを組み立てた完成例です。 Clickすると大きくなります。
★キットの詳しい内容は・・ここをクリック
● HF帯モノバンド送信機を作ろう!!汎用タイプ・ミキサ−・ユニット 「TX−Gear010」の製作
PSNタイプのSSB送信機に見せられ、2007年にPSNジェネレ−タ−を公開しましたが、今回は
そのジェネレ−タ−につなぐ、ミキサ−ユニットを製作しました。昔なつかしいセパレ−ト・タイプの
送信機の製作を目的として設計してあります。いくつかの特徴としては、
1)HF帯のハムバンド(モノバンド)に対応しています。バンドにより、入出力レベルが変わります。
(7MHz帯 ジェネレ−タ−入力:−15dBm、VFO入力:0dBm、出力:+15dBm 参考例)
2)VFOアンプを内蔵していますので、VFO入力レベルは、0dBmでOKです。
3)コイルには、ア−キシャルリ−ド型チョ−クコイルを使用しています。(トロイダルコア−使用可)
4)キャリブレ−ション回路を内蔵していますので、セパレ−ト型送信機が簡単に実現できます
左の写真はクリックすると大きくなります。
製作デ−タをダウンロ−ド ・・・・・ Click (LZH、圧縮ファイル1.4M)
注:送信機とするには、SSBジェネレ−タ−+VFO+パワ−アンプなどが必要となります。
VFOには、CYTEC「AFC−VFO」がおすすめです。
● PIC12F683使用、ロタリ−エンコ−ダ−でバリキャップを制御してVFOの同調を取る。 「PIC−VC」の製作
バリコンを使ったVFOやVXOの場合、バリコンの入手に苦労する場合があります。しかし、バリコン本体
よりも、同調を取る際に必要になる、減速機構に頭を、悩ます場合が多くなりました。以前から、バリキャップと
安価なロタリ−エンコ−ダ−で、バリコンの代わりになる物は出来ないかと、アイデアを暖めていました。
今回、PIC12F683を使い、5Vを1/1024の分解能で出力し、バリキャップを制御する、デジタルバリコン
らしき物を製作しました。実際に使用してみると、アナログのVFOが、まるでPLL−VFOの様な感じで操作
出来ます。今までにない不思議な感じです。
左の写真はクリックすると大きくなります。
製作デ−タをダウンロ−ド ・・・・・ Click (LZH、圧縮ファイル659K)
バリキャップの可変幅は、使用するバリキャップにより変わりますが、FM用で約20pF(25pF−5pF)ぐらいの可変幅となります。
1Stepでの周波数可変幅は、VFO自体の設計で変わりますが、16MHz帯、100KHzバンド幅時、1Step=約95Hzになりました。
CYTEC
へのご連絡はこちらへ
![]()
★このホ−ムペ−ジは、リンクフリ−です。 = 無断転載禁止 ©CYTEC =