「画像フォルダ−」過去ログ。  2014年 ー 2015年        Back to Top  Back

  2014年から2015年に渡り「画像フォルダ−」に掲載したデ−タです。自作の情報が、一杯有ります。


    BBS書き込み日     : 投稿した人      :     タイトル           (投稿者は、敬称略)

2015/12−28    JE1AHW/内田    7MHz AM専用受信機, 「Jank−55」 各部の写真(基板実装のままです)・・ (1)(2)(3)(4)

2015/12−27    JE1AHW/内田    7MHz AM専用受信機, 「Jank−55」 使用したAM用フィルタ−特性。2poleと4Pole ・・ (1)

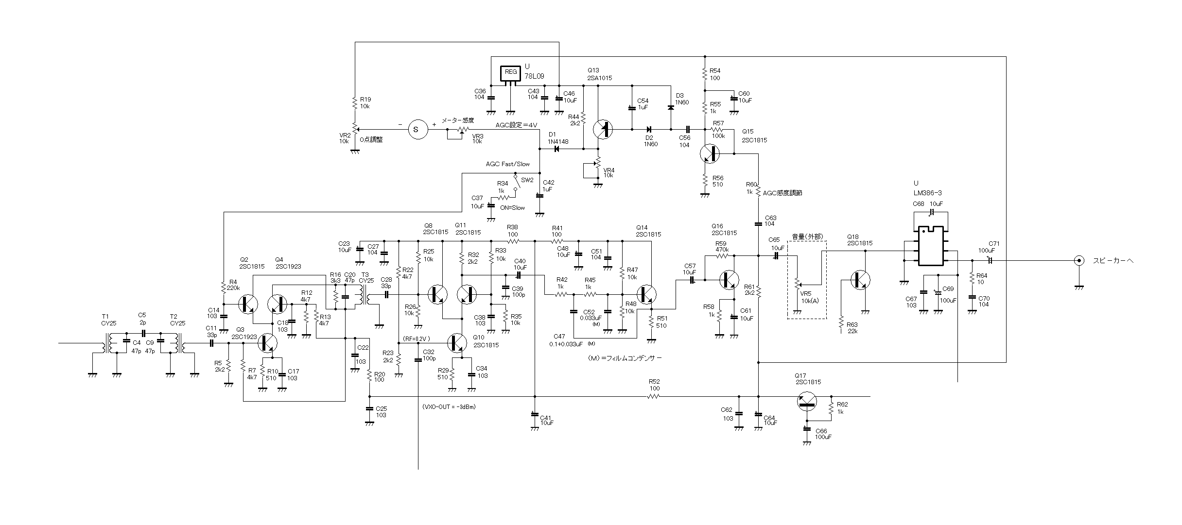
2015/12−27    JE1AHW/内田    7MHz AM専用受信機, 「Jank−55」 全回路図・・ (1)

2015/12−18    JE1AHW/内田    7MHz AM専用受信機, 低電力発振VFO、コ−ルドスタ−トからのドリフト特性(静特性)・・ (1)

2015/12−18    JE1AHW/内田    7MHz AM専用受信機, 低電力発振+低電圧+低電流発振  VFO回路・・ (1)

2015/12−18    JE1AHW/内田    7MHz AM専用受信機, TR式IF増幅回路(AGC付き)+TR式AM検波回路・・ (1)

2015/12−18    JE1AHW/内田    7MHz AM専用受信機, 使用したトランジスタ−ミキサ−回路 ・・ (1)

2015/12−07    JE1AHW/内田    YouTubeから   「製品で見るCPU の歴史」  ・・ (1)

2015/11−15    JE1AHW/内田    JARL QRPクラブ 60周年記念DSBトランシ−バ−「JP−60」基板が完成しました。 ・・ (1)

2015/11−07    JE1AHW/内田    CYTEC版 9MHz SSBジェネレ−タ−が完成しました。(回路図は最終版のはず) ・・ (1)(2)

2015/10−30    JE1AHW/内田    昭和61年(1986年)の秋葉原。(YouTube動画) とにかく、懐かしい〜〜。 ・・ (1)

2015/10−24    JE1AHW/内田    CYTEC版 9MHzSSBジェネレ−タ−の、回路図です。(現在、Ver2.0) ・・ (1)

2015/10−18    JH1JYY/原      F6BQU/Le Forty1bを、製作してみました。 オリジナルに正確に作りました。・・ (1)(2)(3)

2015/10−18    JH1JYY/原      F6BQU/Le Forty1bを、製作してみました。 オリジナル回路図です。・・ (1)pdfファイル

2015/10−10    JE1AHW/内田    CYコイル(7K)で作るBPF。 CendタイプBPFを、ダイオ−ドスイッチで切り替えた場合。 ・・ (1)(2)(3)

2015/10−10    JE1AHW/内田    CYコイル(7K)で作るBPF。 Cend コンデンサ−を追加したバンドパスフィルタ− ・・ (1)(2)(3)

2015/10−10    JE1AHW/内田    CYコイル(7K)で作るBPF。 一般的によく使われている、パンドパスフィルタ− ・・ (1)(2)

2015/09−27    JK1LSE/本田    7MHz CWトランシ−バ(E級ファイナル、DDS−VFO,キ−ヤ−内蔵、CPU制御) ・・ (1)(2)(3)

2015/09−17    JE1AHW/内田    PIC16F88を使って、トランシ−バ−の送受信をコントロ−ルする回路 修正版 ・・ (1)(2)

2015/09−14    JE1AHW/内田    PIC16F88を使って、トランシ−バ−の送受信をコントロ−ルする回路 その2 ・・ (1)(2)(3)(4)

2015/09−04    JE1AHW/内田    PIC16F88を使って、トランシ−バ−の送受信をコントロ−ルする回路 ・・ (1)

2015/09−04    JE1AHW/内田    PICの出力ポ−トを使い、12VをON/OFFさせる、TRスイッチ回路 ・・ (1)

2015/08−17    JA1VRL/松浦     50MHz帯、パワ−アンプ・ユニットを製作しました。 ・・ (1)(2)(3)(4)

2015/08−17    JA1VRL/松浦     私のエッチング方法。のり付きシ−トにパタ−ン印刷、カッタ−で切り抜き、エッチング ・・ (1)

2015/08−06    JE1AHW/内田    7Kタイプ・コイルを使用した、バンドパスフィルタ−の帯域特性改善 ・・ (1)(2)

2015/07−23    JI6BEN/上田      10MHz帯の、送信機(5W)、受信機を製作しました。RX,TX,セパレ−トの順です。 ・・ (1)(2)(3)

2015/07−18    JE1AHW/内田    中華DDS−VFO 電源部にはいる、抵抗(R1)の耐電力に注意してください。 ・・ (1)

2015/07−17    JE1AHW/内田    DDS−VFOにつなぐプリミックス・アダプタ−の製作(50MHz) ・・ (1)(2)(3)(4)(5)

2015/06−25    JE1AHW/内田    「JA Pepper60」 が完成しました。 ・・ (1)(2)(3)(4)(5)(6)

2015/06−12    渋田/金沢市在住   7MHz SSB/CWトランシ−バ−(DDS−VFO)が完成しました。 ・・ (1)(2)(3)

2015/06−07    JO1LZX/河内     三角補強構造物は、コリンズのPTOのダイアル機構に、使用しました。 ・・ (1)

2015/06−07    JO1LZX/河内     三角補強構造物の一例です。棚の受け金具です。 ・・ (1)

2015/06−02    JE1AHW/内田    「JA Pepper60」最終回路図と、メイン、VXO実装基板の様子 ・・ (1)(2)(3)

2015/05−14    JE1AHW/内田    「JA Pepper60」基板にて試作完了。メイン基板&VXO基板  ・・ (1)(2)

2015/05−14    JE1AHW/内田    「JA Pepper60」基板用 最終回路図です。メイン&VXO回路図。  ・・ (1)(2)

2015/05−14    JE1AHW/内田    「JA Pepper60」放送波通り抜け対策として、検波回路を見直しました。  ・・ (1)(2)

2015/05−04    JH1JYY/原      HAYABUSA6の、キャリアサプレッション改善  ・・ (1)(pdf)

2015/04−28    JH1JYY/原      HAYABUSA6が、完成しました。(ポ−タブル仕様)  ・・ (1)(2)(3)(4)

2015/04−07    烏川/枚方市在住   CYTECの「PO−10」と「Sparroe40」を、製作しました。 ・・ (1)(2)(3)(4)

2015/04−07    JH1NKW/原田    7MHzSSB/AM受信機「FV−40R」をケ−スに入れ、完成しました。 ・・ (1)(2)(3)

2015/03−27    JE1AHW/内田    21MHz DSBトランシ−バ−「Japan Pepper60」 回路図 ・・ (1)(2)

2015/03−09    JE1AHW/内田    21MHz DSBトランシ−バ−「Japan Pepper60」 VXO部回路図 ・・ (1)

2015/03−09    JE1AHW/内田    21MHz DSBトランシ−バ−「Japan Pepper60」 受信部回路図 ・・ (1)

2015/03−08    JF3HZB/上保     TFTカラ−LCDで、アナログ風ダイアルをやってみました。・・ (1)(youtube)

2015/03−02    JF3HZB/上保     グラフィック・ディスプレ−による、アナログ風ダイアルを製作しました。・・ (1)(youtube)

2015/02−03    吉田/栃木県在中    50MHz SSBトランシ−バ−(DDS使用)+リニアアンプが、完成しました。・・ (1)(pdfファイル)

2015/01−16    JE1AHW/内田    CYTEC ハムバンド・コイル「CYシリ−ズ」の、同調容量と周波数関係のデ−タ ・・ (1)

2015/01−09    JE1AHW/内田    中華DDSユニットの50MHz出力対応。使用した50MHzバンドパスフィルタ−特性例 ・・ (1)

2015/01−09    JE1AHW/内田    中華DDSユニットの50MHz出力対応。スプリアス特性(0−200MHz、50.3MHzOUT時) ・・ (1)(2)

2015/01−09    JE1AHW/内田    中華DDSユニットの50MHz出力対応。回路図、試作品 ・・ (1)(2)


2014/12−27    JE1AHW/内田    HAYABUSA6用リニアアンプ 「HAYABUSA−Turbo」のスプリアス特性(CW時) ・・ (1)

2014/12−07    JE1AHW/内田    HAYABUSA6用リニアアンプ 「HAYABUSA−Turbo」の回路図です。再製作・・ (1)

2014/12−07    JH1JYY/原      RFパワ−計 「PO−10jr」が完成しました。ミキサ−の入力レベルを測定します。・・ (1)(2)(3)

2014/11−22    JE1AHW/内田    C分割とチョ−クコイルを使用した、7MHzプリアンプのコイルを直角に配置(2種類)。・・ (1)

2014/11−22    JE1AHW/内田    C分割とチョ−クコイルを使用した、7MHzプリアンプのコイルを平行に配置した場合。・・ (1)

2014/11−22    JE1AHW/内田    C分割とチョ−クコイルを使用した、7MHzプリアンプの回路図、実験ボ−ド・・ (1)(2)

2014/11−16    JA8NVJ/長田    BY−DDSを使用したVFOと、TCA440使用21MHz/CW受信機 製作風景・・ (1)(2)

2014/11−14    小勝/埼玉県在住   「サイテック/HAYABUSA6」+「アイテック/リニアアンプ」 私の愛用機です。・・ (1)(2)

2014/10−30    JH1DTX/吉川     FRMSを使った、ス−パ−ラド・アンテナの製作と実験。HPも・・ (1)(2)(3)(4)(5)

2014/10−30    JH1NKW/原田    7.195MHzスポット・AMトランシ−バ−(AYUベ−ス)を製作しました。・・ (1)

2014/10−23    JE1AHW/内田    HAYABUSA−Turbo T2(FB801,1:3)タップの作り方・・ (1)

2014/10−23    JE1AHW/内田    HAYABUSA−Turbo(50MHz、1Wリニアアンプ)スプリアス特性・・ (1)(2)

2014/10−23    JE1AHW/内田    HAYABUSA−Turbo(50MHz、1Wリニアアンプ)写真。・・ (1)(2)(3)(4)

2014/10−23    JE1AHW/内田    HAYABUSA−Turbo(50MHz、1Wリニアアンプ)完成しました。回路図・・ (1)

2014/10−19    JE1AHW/内田    チョ−クコイル使用 2P-BPF ハム・バンド別 定数表   ・・ (1)

2014/10−19    JE1AHW/内田    チョ−クコイル使用 2P-BPF コイルを近づけた時の特性変化・・ (1)

2014/10−18    JE1AHW/内田    チョ−クコイル使用 2P-BPF スプリアス特性例(21MHzにて)・・ (1)

2014/10−18    JE1AHW/内田    チョ−クコイル使用 2P-BPF 28MHz帯特性例     ・・ (1)

2014/10−18    JE1AHW/内田    チョ−クコイル使用 2P-BPF 24MHz帯特性例     ・・ (1)

2014/10−18    JE1AHW/内田    チョ−クコイル使用 2P-BPF 21MHz帯特性例     ・・ (1)

2014/10−18    JE1AHW/内田    チョ−クコイル使用 2P-BPF 18MHz帯特性例     ・・ (1)

2014/10−18    JE1AHW/内田    チョ−クコイル使用 2P-BPF 14MHz帯特性例     ・・ (1)

2014/10−18    JE1AHW/内田    チョ−クコイル使用 2P-BPF 10MHz帯特性例     ・・ (1)

2014/10−18    JE1AHW/内田    チョ−クコイル使用 2P-BPF 7MHz帯特性例      ・・ (1)

2014/10−18    JE1AHW/内田    チョ−クコイル使用 2P-BPF 3.5MHz帯特性例    ・・ (1)

2014/10−18    JE1AHW/内田    チョ−クコイル使用BPF2種  2P-BPF と CD-BPF 回路図 ・・ (1)

2014/10−18    JE1AHW/内田    C分割型BPF(CD−BPF)21MHz帯、チョ−クコイルとトロイダルとの特性比較 ・・ (1)

2014/10−18    JE1AHW/内田    チョ−クコイルを使用した、C分割型BPF(CD−BPF)の21MHz帯特性例 ・・ (1)

2014/10−18    JE1AHW/内田    チョ−クコイルを使用した、C分割型BPF(CD−BPF)の14MHz帯特性例 ・・ (1)

2014/10−18    JE1AHW/内田    チョ−クコイルを使用した、C分割型BPF(CD−BPF)の7MHz帯特性例 ・・ (1)

2014/10−18    JE1AHW/内田    チョ−クコイルを使用した、C分割型BPF(CD−BPF)の回路図 ・・ (1)

2014/10−18    JE1AHW/内田    2P−BPF、チョ−クコイルを変えた場合の特性は。21MHz帯例  ・・ (1)

2014/10−18    JE1AHW/内田    2P−BPF、Ccを変えた場合の特性変化を見る。21MHz帯例  ・・ (1)

2014/10−18    JE1AHW/内田    2P−BPF、Cendを連続して変えて損失変化を見る。21MHz帯例  ・・ (1)

2014/10−18    JE1AHW/内田    2P−BPF、Cendを大きくすると、損失が減る。21MHz帯例  ・・ (1)

2014/10−18    JE1AHW/内田    2P−BPF、以前公開した7MHz、21MHzの特性例 損失が大きい  ・・ (1)(2)

2014/10−18    JE1AHW/内田    チョ−クコイルを使用した、2PoleタイプBPF(2P−BPF)の回路図(再掲載)  ・・ (1)

2014/10−13    JH2MAX/村上    エア−バンド受信機(CYTEC版)+ACARS付きを、製作しました。・・ (1)(2)

2014/10−05    JE1AHW/内田    チョ−クコイルを使用した、2PoleタイプBPFの回路図  ・・ (1)

2014/10−05    JE1AHW/内田    BPF製作に使用でき無い(NG)、チョ−クコイルの例です。  ・・ (1)(2)

2014/10−05    JE1AHW/内田    BPF製作に使用できる(OK)、チョ−クコイルの例です。    ・・ (1)(2)

2014/10−05    JE1AHW/内田    FCZコイル 2個のBPFの場合、Ccを変えた時の特性の違い ・・ (1)

2014/10−05    JE1AHW/内田    FCZコイル 1個の場合と2個でBPFにした場合の特性の違い ・・ (1)

2014/10−05    JE1AHW/内田    よく見る、FCZコイルx2 BPF 下記の結果を比較してみると。 ・・ (1)

2014/10−05    JE1AHW/内田    よく見る、FCZコイルx2 BPF(測定法 その3) ・・ (1)(2)

2014/10−05    JE1AHW/内田    よく見る、FCZコイルx2 BPF(測定法 その2) ・・ (1)(2)

2014/10−05    JE1AHW/内田    FCZコイル 単体での同調特性。7MHzにて(測定 その1)・・ (1)(2)

2014/10−05    JE1AHW/内田    FCZコイルの同調特性を、FRMSで測定する際の基本接続方法 3種類・・ (1)

2014/09−18    JH1KKT/松田    熊本シティ−スタンダ−ド・ジェネレ−タ−基板が完成しました。(八雲製:7.8MHz XF使用) ・・ (1)

2014/09−18    JR9ABA/渋田    自作7MHz CWトランシ−バ−を、周波数直読にしました。(CYTECキット)  ・・ (1)(2)

2014/09−18    JR9ABA/渋田    自作7MHz CWトランシ−バ−(SWラジオ機能付き)の、外観と内部の様子です。  ・・ (1)(2)

2014/08−29    JH1JYY/原      HAYABUSA6を製作しています。基板への部品実装が終わりました。  ・・ (1)

2014/08−29    JE1AHW/内田    MURATA 純正トリマ−コンデンサ−調整ドライバ−    ・・ (1)(2)

2014/08−26    JE1AHW/内田    参考デ−タ:ア−キシャルリ−ド型チョ−クコイル 「TDK SP−0203」デタシ−ト  ・・ (1)(pdfファイル)

2014/08−09    JE1AHW/内田    セラミック・トリマ−コンデンサ− 調整用ドライバ−2種類  ・・ (1)

2014/08−09    JH1JYY/原      熊本シティ−スタンダ−ド、 7MHz帯用、50MHz帯用 2種類の基板実装が完了しました。  ・・ (1)(2)

2014/07−31    JE1AHW/内田    50MHz DSBトランシ−バ−「HAYABUSA6」用 1Wリニアアンプ回路図 入力レベル訂正  ・・ (1)

2014/07−22    鈴木/茨城県在住    7MHz AM/SSB受信機 「FarVoice−40R」が、完成しました。     ・・ (1)(2)(3)

2014/07−12    JE1AHW/内田    JL1KRA/中島OM、思い出の「エレックセンタ−」広告(1976年初歩のラジオより)  ・・ (1)

2014/06−14    後藤/愛知県在住    50MHz DSBトランシ−バ−「HAYABUSA6」が、完成しました。専用マイクも製作。  ・・ (1)(2)(3)

2014/06−08    JE1AHW/内田    50MHz DSBトランシ−バ−「HAYABUSA6」用 1Wリニアアンプ LPF部  ・・ (1)(2)(3)

2014/06−08    JE1AHW/内田    50MHz DSBトランシ−バ−「HAYABUSA6」用 1Wリニアアンプ回路図  ・・ (1)

2014/05−23    JR3BGT/小畠    中華DDS−VFOを、基板キットで製作しました。  ・・ (1)

2014/05−17    JH8LDW/篠原    中華DDS−VFOを、公開デ−タで製作しました。  ・・ (1)(2)

2014/04−28    JE1AHW/内田    中華DDS−VFO クロック4倍テスト(48MHzX4) 50MHz帯発振風景  ・・ (1)(2)(3)(4)

2014/04−12    JF3HZB/上保     バンドスコ−プ表示器 Ver2 のテスト動作です。(I/Q信号タイプ)(動画:YouTube)  ・・ (1)

2014/03−21    JE1AHW/内田    MB1501使用 PLL−VFO(VXO補完タイプ) 50MHz用(IF12MHz)61MHz出力   ・・ (1)

2014/03−16    JE1AHW/内田    「CYTEC DDS−VFOキット」に付属の、一時メモリ−機能、スプリット運用機能の説明書  ・・ (1)(pdf)

2014/03−16    JE1GXK/小川     7MHzDC受信機 「Comet40」 システム化した現在の様子です。 ・・ (1)(2)(3)(4)

2014/03−16    JE1GXK/小川     7MHzDC受信機 「Comet40」 最初のケ−シングの様子です。 ・・ (1)(2)

2014/03−01    JE1AHW/内田    DDS−VFO  AD9835+PIC18F14K50+LM7171 キット完成品の様子。 ・・ (1)(2)(3)

2014/03−01    JE1AHW/内田    プログラマ−「PicKit3」用 PIC18F14K50書き込みアダプタ−を、作りました。 ・・ (1)(2)

2014/02−16    JE1AHW/内田    DDS−VFO  AD9835+PIC18F14K50+LM7171 キット用プリント基板ができました。 ・・ (1)

2014/02−11    JE1AHW/内田    中華(BY)DDSユニットを使った、 DDS−VFOの試作機ができました。・・ (1)(2)(3)(4)(5)

2014/02−02    JE1AHW/内田    DDS−VFO  AD9835+PIC18F14K50+LM7171 プリント基板イメ−ジ ・・ (1)

2014/01−31    JF3HZB/上保     バンドスコ−プのテスト動作です。表示画面を拡大した様子です。(動画:YouTube)  ・・ (1)

2014/01−27    JF3HZB/上保     バンドスコ−プのソフト/実験基板が完成。テスト動作です。(動画:YouTube)  ・・ (1)

2014/01−27    JF3HZB/上保     バンドスコ−プのソフト/実験基板が完成。テスト動作です。(写真)      ・・ (1)

2014/01−24    JE1AHW/内田    DDS−VFO  AD9835+PIC18F14K50+LM7171 回路図 ・・ (1)

2014/01−24    JE1AHW/内田    DDS−VFO  AD9835+PIC18F14K50+LM7171 完成品 ・・ (1)(2)(3)(4)(5)

2014/01−20    JL1KRA/中島    下記組み合わせの、実際の受信風景です。 (Youtube) ・・ (1)

2014/01−20    JL1KRA/中島    CYTEC「ちょい聞き君50」と「K2トランシ−バ−」の組み合わせです。 ・・ (1)

2014/01−05    JE1AHW/内田    DDS−VFO AD9835+PIC18F14K50 システム設定時の写真 ・・ (1)(2)(3)(4)(5)

2014/01−05    JE1AHW/内田    秋月電子通商販売 メカニカル式ロタリ−エンコ−ダ−のクリックをなくす改造 ・・ (1)(2)(3)


  Back to Top / Back to BBS