「画像フォルダ−」過去ログ。  2020年 ー 2021年     Back to Top /   Back to BBS  
 2020年から2021年に渡り「画像フォルダ−」に掲載したデ−タです。自作の情報が、一杯有ります。  


    BBS書き込み日     : 投稿した人      :     タイトル           (投稿者の敬称略)

  2021/12−25     JE1AHW/内田    AD603を使った、IF増幅回路  プリント基板ができました。 ・・・ (1)

  2021/12−25     JE1AHW/内田    AD603を使った、IF増幅回路  Cytec版AGC特性(おおまか特性) pdf・・・ (1)

  2021/12−25     JE1AHW/内田    AD603を使った、IF増幅回路  プリント基板部品配置図 ・・・ (1)

  2021/12−25     JE1AHW/内田    AD603を使った、IF増幅回路  Cytec版 回路図 ・・・ (1)

  2021/12−25     JE1AHW/内田    AD603を使った、IF増幅回路  AD603デ−タシ−ト pdf ・・・ (1)

  2021/12−06     JE1AHW/内田    作品紹介:しろくまさん/明石市 Luna6−RXの受信状態です。 ・・・ (1)YouTube

  2021/12−06     JE1AHW/内田    作品紹介:しろくまさん/明石市 Luna6−RXを製作しました。感度測定 ・・・ (1)

  2021/12−06     JE1AHW/内田    作品紹介:しろくまさん/明石市 Luna6−RXを製作しました。バック ・・・ (1)

  2021/12−06     JE1AHW/内田    作品紹介:しろくまさん/明石市 Luna6−RXを製作しました。フロント ・・・ (1)

  2021/10−19     JE1AHW/内田    TDA7000を使用した FMラジオを製作しました。 完成基板2 ・・・ (1)

  2021/10−19     JE1AHW/内田    TDA7000を使用した FMラジオを製作しました。 完成基板1 ・・・ (1)

  2021/10−19     JE1AHW/内田    TDA7000を使用した FMラジオを製作しました。 部品配置図 ・・・ (1)

  2021/10−19     JE1AHW/内田    TDA7000を使用した FMラジオを製作しました。 回路図 ・・・ (1)

  2021/10−11     JE1AHW/内田    失敗したOPアンプ、実験基板 ・・・ (1)

  2021/10−11     JE1AHW/内田    2SC1923を使った広帯域アンプに使用したRFトランス ・・・ (1)

  2021/10−11     JE1AHW/内田    2SC1923を使った広帯域アンプの実験 3MHz−100MHz周波数特性 ・・・ (1)

  2021/10−11     JE1AHW/内田    2SC1923を使った広帯域アンプの実験 実験基板 ・・・ (1)

  2021/10−11     JE1AHW/内田    2SC1923を使った広帯域アンプの実験 回路図 ・・・ (1)

  2021/10−04     JE1AHW/内田    27MHz CB受信機を作ってみました。 完成基板 ・・・ (1)

  2021/10−04     JE1AHW/内田    27MHz CB受信機を作ってみました。 VFOのボビン ・・・ (1)pdf

  2021/10−04     JE1AHW/内田    27MHz CB受信機を作ってみました。 部品配置図 ・・・ (1)pdf

  2021/10−04     JE1AHW/内田    27MHz CB受信機を作ってみました。 プリントパタ−ン ・・・ (1)pdf

  2021/10−04     JE1AHW/内田    27MHz CB受信機を作ってみました。 回路図 ・・・ (1)pdf

  2021/07−10     JJ1DPN/小林     50MHz AM受信機「Luna6−RX」が、完成しました。 ・・・ (1)

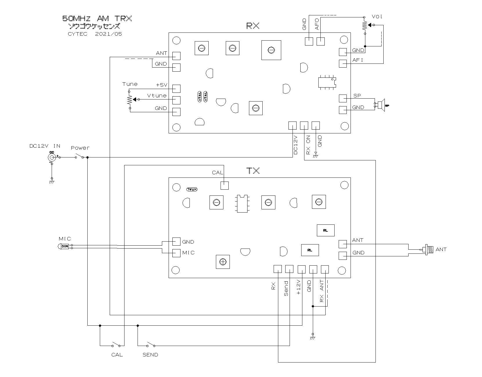
  2021/05−20     JE1AHW/内田    50MHz AMトランシ−バ−「Luna6AM」総合結線図 ・・・ (1)

  2021/05−20     JE1AHW/内田    50MHz AMトランシ−バ−「Luna6AM」 内部 ・・・ (1)(2)

  2021/05−20     JE1AHW/内田    50MHz AMトランシ−バ−「Luna6AM」 バック ・・・ (1)

  2021/05−20     JE1AHW/内田    50MHz AMトランシ−バ−「Luna6AM」 フロント ・・・ (1)

  2021/05−14     JI3BSB/山本     50MHz AM低電力変調 ファイナル変更 回路図 ・・・ (1)

  2021/05−10     JI3BSB/山本     50MHz AM低電力変調 変調信号出力 ・・・ (1)

  2021/05−10     JI3BSB/山本     50MHz AM低電力変調 キャリアレベル ・・・ (1)

  2021/05−10     JI3BSB/山本     50MHz AM低電力変調 回路図 ・・・ (1)

  2021/05−02     JE1AHW/内田    50MHz AM送信機2SC2851  完成実装基板 ・・・ (1)

  2021/05−02     JE1AHW/内田    50MHz AM送信機2SC2851  部品配置図(カラ−) ・・・ (1)

  2021/05−02     JE1AHW/内田    50MHz AM送信機2SC2851  部品配置図(モノクロ) ・・・ (1)

  2021/05−02     JE1AHW/内田    50MHz AM送信機2SC2851  プリント基板 ・・・ (1)

  2021/05−02     JE1AHW/内田    50MHz AM送信機2SC2851  回路図(改訂版) ・・・ (1)

  2021/04−15     JE1AHW/内田    50MHz 受信機 VXOタイプ 実装基板 ・・・ (1)

  2021/04−15     JE1AHW/内田    50MHz 受信機 VXOタイプ 部品配置図 ・・・ (1)

  2021/04−15     JE1AHW/内田    50MHz 受信機 VXOタイプ プリント基板 ・・・ (1)

  2021/04−15     JE1AHW/内田    50MHz 受信機 VXOタイプ 回路図 変更済み ・・・ (1)

  2021/04−04     JE1AHW/内田    50MHz 受信機 試作VXO ・・・ (1)

  2021/04−04     JE1AHW/内田    50MHz 受信機 VXOタイプ 回路図・・・ (1)

  2021/03−29     JE1AHW/内田    50MHz AM送信機/受信機 バラック実験機・・・ (1)

  2021/03−29     JE1AHW/内田    50MHz AM受信機 VFOタイプ 回路図 ・・・ (1)

  2021/03−14     JE1AHW/内田    50MHz AM送信機 出力の違いによる波形の違い ・・・ (1)

  2021/03−14     JE1AHW/内田    50MHz AM送信機 100mW  回路図 ・・・ (1)

  2021/03−04     JE1AHW/内田    中華製 I2C LCD+PIC12F1840 表示ソ−ス(テキスト) ・・・ (1)

  2021/03−04     JE1AHW/内田    中華製 I2C LCD+PIC12F1840にて、表示成功 ・・・ (1)

  2021/03−04     JE1AHW/内田    中華製 I2C LCD 外観 ・・・ (1)

  2021/02−14     JE1AHW/内田    7MHz 10W リニアアンプ アンプ部+制御部 ・・・ (1)

  2021/02−14     JE1AHW/内田    7MHz 10W リニアアンプ ケ−シング ・・・ (1)

  2021/02−14     JE1AHW/内田    7MHz 10W リニアアンプ バック部 ・・・ (1)

  2021/02−14     JE1AHW/内田    7MHz 10W リニアアンプ フロント部 ・・・ (1)

  2021/02−02     JE1AHW/内田    7/50MHz受信機「Orion406RX」 部品配置図:VFOユニット ・・・ (1)

  2021/02−02     JE1AHW/内田    7/50MHz受信機「Orion406RX」 部品配置図:IFユニット ・・・ (1)

  2021/02−02     JE1AHW/内田    7/50MHz受信機「Orion406RX」 部品配置図:XFユニットベ−ス ・・・ (1)

  2021/02−02     JE1AHW/内田    7/50MHz受信機「Orion406RX」 部品配置図:XFユニット ・・・ (1)

  2021/02−02     JE1AHW/内田    7/50MHz受信機「Orion406RX」 部品配置図:フロントエンドユニット ・・・ (1)

  2021/02−02     JE1AHW/内田    7/50MHz受信機「Orion406RX」 部品配置図:BPFベ−ス ・・・ (1)

  2021/02−02     JE1AHW/内田    7/50MHz受信機「Orion406RX」 部品配置図:BPFユニット ・・・ (1)

  2021/01−30     JE1AHW/内田    7/50MHz受信機「Orion406RX」 回路図:VFOユニット ・・・ (1)

  2021/01−30     JE1AHW/内田    7/50MHz受信機「Orion406RX」 回路図:IFユニット ・・・ (1)

  2021/01−30     JE1AHW/内田    7/50MHz受信機「Orion406RX」 回路図:フィルタ−ユニット ・・・ (1)

  2021/01−30     JE1AHW/内田    7/50MHz受信機「Orion406RX」 回路図:フロントエンドユニット ・・・ (1)

  2021/01−30     JE1AHW/内田    7/50MHz受信機「Orion406RX」 回路図:BPFユニット ・・・ (1)

  2021/01−29     JE1AHW/内田    7/50MHz 「Orion406−ライン」現在のシステム ・・・ (1)

  2021/01−29     JE1AHW/内田    7/50MHz受信機「Orion406RX」 写真:VFOユニット ・・・ (1)

  2021/01−29     JE1AHW/内田    7/50MHz受信機「Orion406RX」 写真:IFユニット ・・・ (1)

  2021/01−29     JE1AHW/内田    7/50MHz受信機「Orion406RX」 写真:XFユニット ・・・ (1)

  2021/01−29     JE1AHW/内田    7/50MHz受信機「Orion406RX」 写真:FrontEndユニット ・・・ (1)

  2021/01−29     JE1AHW/内田    7/50MHz受信機「Orion406RX」 写真:BPFユニット ・・・ (1)

  2021/01−29     JE1AHW/内田    7/50MHz受信機「Orion406RX」 写真:内部 下側 ・・・ (1)

  2021/01−29     JE1AHW/内田    7/50MHz受信機「Orion406RX」 写真:内部 上側 ・・・ (1)

  2021/01−29     JE1AHW/内田    7/50MHz受信機「Orion406RX」 写真:Sメ−タ− ・・・ (1)

  2021/01−29     JE1AHW/内田    7/50MHz受信機「Orion406RX」 写真:ダイアル表示 ・・・ (1)

  2021/01−29     JE1AHW/内田    7/50MHz受信機「Orion406RX」 写真:バックパネル ・・・ (1)

  2021/01−29     JE1AHW/内田    7/50MHz受信機「Orion406RX」 写真:フロントパネル ・・・ (1)


  2020/12−28     JE1AHW/内田    7/50MHz SSB無線機 「Orion 406ライン」 ・・・ (1)

  2020/12−28     JE1AHW/内田    7/50MHz受信機 「Orion 406RX」フロント ・・・ (1)

  2020/11−10     JE1AHW/内田    TJ−lab製 DSP−AFフィルタ− 完成品 ・・・ (1)(2)(3)(4)(5)

  2020/11−03     JE1AHW/内田    TJ−lab製 DSP−AFフィルタ− 基板と実装品 ・・・ (1)

  2020/10−26     JE1AHW/内田    TJ−lab製 DSP−AFフィルタ− パ-ツリストpdf ・・・ (1)

  2020/10−26     JE1AHW/内田    TJ−lab製 DSP−AFフィルタ− 回路図 ・・・ (1)

  2020/10−26     JE1AHW/内田    TJ−lab製 DSP−AFフィルタ− プリント基板完成品 ・・・ (1)

  2020/10−01     JE1AHW/内田    ストロベリ-リナックス製 si5351A使用 2バンド VFO 完成品 ・・・ (1)

  2020/10−01     JE1AHW/内田    ストロベリ-リナックス製 si5351A使用 2バンド VFO 回路図 ・・・ (1)

  2020/09−21     JE1AHW/内田    ストロベリ-リナックス製 si5351A使用 モノバンドVFO ・・・ (1)(2)

  2020/09−21     JE1AHW/内田    近接スプリアス 41MHz ストロベリ-リナックス製 si5351A ・・・ (1)

  2020/09−21     JE1AHW/内田    近接スプリアス 41MHz 秋月製 si5351A ・・・ (1)

  2020/09−20     JE1AHW/内田    ストロベリ-リナックス製si5351A使用 VFO 部品配置図 ・・・ (1)

  2020/09−20     JE1AHW/内田    ストロベリ-リナックス製si5351A使用 VFO 回路図 ・・・ (1)

  2020/09−08     JE1AHW/内田    dsPSN送信機 si5351Aの持つスプリアス 50MHz送信時 ・・・ (1)

  2020/09−08     JE1AHW/内田    dsPSN送信機 si5351Aの持つスプリアス 41MHz時 ・・・ (1)

  2020/09−08     JE1AHW/内田    dsPSN送信機 41MHzスプリアス MIX編 トラップ挿入場所 ・・・ (1)

  2020/09−08     JE1AHW/内田    dsPSN送信機 41MHzスプリアス MIX編 トラップ使用時 ・・・ (1)

  2020/09−08     JE1AHW/内田    dsPSN送信機 41MHzスプリアス MIX編 トラップの効果 ・・・ (1)

  2020/09−08     JE1AHW/内田    dsPSN送信機 スプリアス ジェネレ-タ-編 対策回路図 ・・・ (1)

  2020/09−08     JE1AHW/内田    dsPSN送信機 スプリアス ジェネレ-タ-編 対策後 ・・・ (1)

  2020/09−08     JE1AHW/内田    dsPSN送信機 スプリアス ジェネレ-タ-編 対策前 ・・・ (1)

  2020/09−03     JE1AHW/内田    Tj−Lab開発 dsPIC オ−ディオ・フィルタ− 動作テスト動画 ・・・ (1)

  2020/07−24     JE1AHW/内田    Tj−Lab開発中 dsPIC オ−ディオ・フィルタ− 基板パタ−ン ・・・ (1)

  2020/07−24     JE1AHW/内田    Tj−Lab開発中 dsPIC オ−ディオ・フィルタ− 基板外観 ・・・ (1)

  2020/07−24     JE1AHW/内田    Tj−Lab開発中 dsPIC オ−ディオ・フィルタ− 回路図 ・・・ (1)(pdfファイル)

  2020/06−30     JE1AHW/内田    PRESSEY「SL1641A」使用回路訂正(出力ピン変更) ・・・ (1)

  2020/06−30     JE1AHW/内田    Orion 406RX 試作機動作テスト風景 最新 ・・・ (1)

  2020/06−14     JE1AHW/内田    PLESSEY「SL1461A」ミキサ−IC 使用例 ・・・ (1)

  2020/06−14     JE1AHW/内田    PLESSEY「SL1461A」ミキサ−IC DataSheet ・・・ (1)

  2020/04−30     JE1AHW/内田    Orion−406RX CY7045x2IFアンプ使用 テスト受信風景 ・・・ (1)

  2020/04−30     JE1AHW/内田    IFユニット製作 CY7045x2使用 IFアンプ回路図 ・・・ (1)

  2020/04−19     JE1AHW/内田    IFユニット製作 CY7045 カスコ−ド接続アンプ AGC特性 ・・・ (1)(pdf)

  2020/04−19     JE1AHW/内田    IFユニット製作 CY7045 カスコ−ド接続アンプ 回路図 ・・・ (1)

  2020/04−10     JE1AHW/内田    Orion−406RX ユニットをつないでテスト受信風景 ・・・ (1)

  2020/04−10     JE1AHW/内田    Orion−406RX 3K/6K クリスタルフィルタ−ユニット 試作基板 ・・・ (1)

  2020/04−10     JE1AHW/内田    Orion−406RX プリアンプ+ミキサ− ユニット 試作基板 ・・・ (1)

  2020/04−10     JE1AHW/内田    Orion−406RX 2バンドBPFユニット 試作基板 ・・・ (1)

  2020/04−06     JE1AHW/内田    2バンド受信機開発  クリスタル・フィルタ−回路図 Ver2 ・・・ (1)

  2020/04−06     JE1AHW/内田    2バンド受信機開発  プリアンプ+ミキサ−回路図 Ver2 ・・・ (1)

  2020/04−06     JE1AHW/内田    2バンド受信機開発  50MHz帯 BPF 特性 ・・・ (1)

  2020/04−06     JE1AHW/内田    2バンド受信機開発  7MHz帯 BPF 特性 ・・・ (1)

  2020/04−06     JE1AHW/内田    2バンド受信機開発  2バンド・BPFユニット回路図 Ver2 ・・・ (1)

  2020/04−05     JE1AHW/内田    Sメ−タ−回路 感度調整を付けました。回路図  ・・・ (1)

  2020/03−17     JE1AHW/内田    2バンド受信機開発  IFユニット回路図  ・・・ (1)

  2020/03−12     JE1AHW/内田    2バンド受信機開発  ミキサ−ユニット回路図  ・・・ (1)

  2020/03−12     JE1AHW/内田    2バンド受信機開発  プリアンプユニット回路図  ・・・ (1)

  2020/03−12     JE1AHW/内田    2バンド受信機開発  BPFユニット回路図  ・・・ (1)

  2020/02−28     JE1AHW/内田    7MHzRX フロントエンドの製作 J310x4ミキサ− テスト受信機・・・ (1)

  2020/02−28     JE1AHW/内田    7MHzRX フロントエンドの製作 J310x4ミキサ− 全体・・・ (1)

  2020/02−28     JE1AHW/内田    7MHzRX フロントエンドの製作 J310x4ミキサ− ミキサ−部・・・ (1)

  2020/02−28     JE1AHW/内田    7MHzRX フロントエンドの製作 J310x4ミキサ− プリアンプ部・・・ (1)

  2020/02−28     JE1AHW/内田    7MHzRX フロントエンドの製作 J310x4ミキサ− プリントパタ−ン・・・ (1)

  2020/02−28     JE1AHW/内田    7MHzRX フロントエンドの製作 J310x4ミキサ− 回路図・・・ (1)

  2019/12−07     JE1AHW/内田    dsPSN送信機 「Orion 406TX」 完成品  フロント・・・ (1)


  Back to Top / Back to BBS