「画像フォルダ−」過去ログ。  2022年 ー 2023年     Back to Top /   Back to BBS  
 2022年から2023年に渡り「画像フォルダ−」に掲載したデ−タです。自作の情報が、一杯有ります。 


    BBS書き込み日     : 投稿した人      :     タイトル           (投稿者の敬称略)

  2023/12−31     JE1AHW/内田    50MHz用SSBジェネレ-タ-「Gen1130」 プリント基板部品配置図 ・・・ (1)

  2023/12−31     JE1AHW/内田    50MHz用SSBジェネレ-タ-「Gen1130」 回路図 ・・・ (1)

  2023/12−31     JE1AHW/内田    アナログ・ダイアル表示 デジタルVFOシステム CYTEC版完成品 ・・・ (1)

  2023/12−08     JE1AHW/内田    現用測定ツ−ルの電池駆動か作戦。使いやすくなりました。 ・・・ (1)

  2023/11−05     JE1AHW/内田    7MHz専用アンテナチュ−ナ−の製作。 CLC型チュ−ナ−回路図 ・・・ (1)

  2023/11−05     JE1AHW/内田    7MHz専用アンテナチュ−ナ−の製作。 SWR検出部回路図 ・・・ (1)

  2023/11−05     JE1AHW/内田    7MHz専用アンテナチュ−ナ−の製作。 CLC型カップラ− ・・・ (1)

  2023/11−05     JE1AHW/内田    7MHz専用アンテナチュ−ナ−の製作。 SWR検出部部品配置図 ・・・ (1)

  2023/11−05     JE1AHW/内田    7MHz専用アンテナチュ−ナ−の製作。 SWR検出部プリントパタ−ン ・・・ (1)zip

  2023/11−05     JE1AHW/内田    7MHz専用アンテナチュ−ナ−の製作。 SWR検出部 ・・・ (1)

  2023/11−05     JE1AHW/内田    7MHz専用アンテナチュ−ナ−の製作。 内部の様子 ・・・ (1)(2)

  2023/11−05     JE1AHW/内田    7MHz専用アンテナチュ−ナ−の製作。 フロントより・・・ (1)

  2023/10−31     JE1AHW/内田    2石マイクアンプ(Hi−Boostタイプ) 製作デ−タ・・・ (1)zipファイル

  2023/10−31     JE1AHW/内田    2石マイクアンプ(Hi−Boostタイプ) 部品配置図・・・ (1)

  2023/10−31     JE1AHW/内田    2石マイクアンプ(Hi−Boostタイプ) 回路図・・・ (1)

  2023/10−31     JE1AHW/内田    2石マイクアンプ(Hi−Boostタイプ) 内部・・・ (1)(2)

  2023/10−31     JE1AHW/内田    2石マイクアンプ(Hi−Boostタイプ) 外観・・・ (1)(2)(3)

  2023/09−23     JE1AHW/内田    とうとう店先にシャックを作りました。・・・ (1)

  2023/09−23     JE1AHW/内田    1石 トランジスタ− マイクアンプ完成品。外観が・・・ ・・・ (1)(2)

  2023/09−23     JE1AHW/内田    1石 トランジスタ− マイクアンプを製作しました。回路図 ・・・ (1)

  2023/09−11     JE1AHW/内田    Libra7050製作しました。ここまでのデ−タを圧縮したファイル ・・・ (1)zipファイル

  2023/09−11     JE1AHW/内田    Libra7050製作しました。組み込んだ50MHzクリコン製作デ−タ ・・・ (1)zipファイル

  2023/09−11     JE1AHW/内田    Libra7050製作しました。組み込んだ50MHzクリコン基板 ・・・ (1)

  2023/09−11     JE1AHW/内田    Libra7050製作しました。プリント基板製作用デ−タPCBEファイル ・・・ (1)zipファイル

  2023/09−11     JE1AHW/内田    Libra7050製作しました。VFO/BFO PIC書き込み用hexファイル ・・・ (1)zipファイル

  2023/09−11     JE1AHW/内田    Libra7050製作しました。完成写真  内部/下側を見る ・・・ (1)

  2023/09−11     JE1AHW/内田    Libra7050製作しました。完成写真  内部/上側を見る ・・・ (1)

  2023/09−11     JE1AHW/内田    Libra7050製作しました。完成写真  バックから見て ・・・ (1)

  2023/09−11     JE1AHW/内田    Libra7050製作しました。完成写真  フロントを見て  ・・・ (1)

  2023/09−11     JE1AHW/内田    Libra7050製作しました。BFO部 部品配置図  ・・・ (1)

  2023/09−11     JE1AHW/内田    Libra7050製作しました。VFO部 部品配置図  ・・・ (1)

  2023/09−11     JE1AHW/内田    Libra7050製作しました。IF増幅部 部品配置図  ・・・ (1)

  2023/09−11     JE1AHW/内田    Libra7050製作しました。フロントエンド部 部品配置図  ・・・ (1)

  2023/09−11     JE1AHW/内田    Libra7050製作しました。BFO増幅部 回路図  ・・・ (1)

  2023/09−11     JE1AHW/内田    Libra7050製作しました。VFO部 回路図    ・・・ (1)

  2023/09−11     JE1AHW/内田    Libra7050製作しました。IF増幅部 回路図    ・・・ (1)

  2023/09−11     JE1AHW/内田    Libra7050製作しました。フロントエンド部 回路図  ・・・ (1)

  2023/08−04     JE1AHW/内田    dsPSN−SSBジェネレ−タ−基板  2023版 ・・・ (1)

  2023/08−04     JE1AHW/内田    dsPSN−SSBジェネレ−タ−トラブル解消。 C(473)の取り付け方法 ・・・ (1)

  2023/08−04     JE1AHW/内田    dsPSN−SSBジェネレ−タ−トラブル解消。 R(1K)の取り付け方法 ・・・ (1)

  2023/08−04     JE1AHW/内田    dsPSN−SSBジェネレ−タ−トラブル解消。 手直し回路図   ・・・ (1)

  2023/05−30     JE1AHW/内田    50MHzSSB受信機「Cham660」 Main+VFO実装基板 ・・・ (1)

  2023/05−30     JE1AHW/内田    50MHzSSB受信機「Cham660」 フィルタ−特性 ・・・ (1)(pdf)

  2023/05−30     JE1AHW/内田    50MHzSSB受信機「Cham660」 部品配置図VFO ・・・ (1)(pdf)

  2023/05−30     JE1AHW/内田    50MHzSSB受信機「Cham660」 部品配置図Main ・・・ (1)(pdf)

  2023/05−30     JE1AHW/内田    50MHzSSB受信機「Cham660」 回路図VFO ・・・ (1)(pdf)

  2023/05−30     JE1AHW/内田    50MHzSSB受信機「Cham660」 回路図Main ・・・ (1)(pdf)

  2023/05−30     JE1AHW/内田    50MHzSSB受信機「Cham660」 内部を見て ・・・ (1)

  2023/05−30     JE1AHW/内田    50MHzSSB受信機「Cham660」 バックから ・・・ (1)

  2023/05−30     JE1AHW/内田    50MHzSSB受信機「Cham660」 フロントから ・・・ (1)

  2023/05−18     JA7RBO/阿部    投稿: CYTEC「PLL−MonoBand−VFO」活用した事例 ・・・ (1)(pdf)

  2023/04−09     JA7QMA/高橋    投稿: デジタルパワ−計「DP−10W」製作と校正に関するレポ−ト ・・・ (1)(pdf)

  2023/03−24     JE1AHW/内田    Libra7000改造 最終IFユニット 回路図 ・・・ (1)(pdf)

  2023/03−24     JE1AHW/内田    Libra7000改造 Sメ−タ−用REG 実装方法の説明 ・・・ (1)(pdf)

  2023/03−24     JE1AHW/内田    Libra7000改造 RFフィルタ−増設方法の説明 ・・・ (1)(pdf)

  2023/03−24     JE1AHW/内田    Libra7000改造 AGCドライブアンプ 実装方法の説明 ・・・ (1)(zip)

  2023/03−24     JE1AHW/内田    Libra7000改造 AGCドライブアンプ IF基板部品撤去説明 ・・・ (1)(zip)

  2023/03−24     JE1AHW/内田    Libra7000改造 AGCドライブアンプ PCBEデ−タ ・・・ (1)

  2023/03−24     JE1AHW/内田    Libra7000改造 AGCドライブアンプ 実装基板 ・・・ (1)

  2023/03−24     JE1AHW/内田    Libra7000改造 AGCドライブアンプ プリント基板 ・・・ (1)

  2023/03−24     JE1AHW/内田    Libra7000改造 AGCドライブアンプ 回路図 ・・・ (1)(pdf)

  2023/03−20     JE1AHW/内田    BFO−5351 タイプ−2 2mode−Type総合製作デ−タ ・・・ (1)(zip)

  2023/03−06     JE1AHW/内田    BFO−5351 タイプ−3 総合製作デ−タ zipファイル   ・・・ (1)

  2023/02−28     JE1AHW/内田    BFO−5351 タイプ−2 総合製作デ−タ zipファイル   ・・・ (1)

  2023/02−28     JE1AHW/内田    BFO−5351 タイプ−1 総合製作デ−タ zipファイル   ・・・ (1)

  2023/02−11     JE1AHW/内田    Libra7000 外部BFO入力端子の増設方法   ・・・ (1)

  2023/02−11     JE1AHW/内田    si5351−BFO タイプ−1 & タイプ−2 完成基板   ・・・ (1)

  2023/02−11     JE1AHW/内田    si5351−BFO タイプ−2 BFO+vxo 完成基板   ・・・ (1)

  2023/02−11     JE1AHW/内田    si5351−BFO タイプ−2 BFO+vxo 部品配置図   ・・・ (1)

  2023/02−11     JE1AHW/内田    si5351−BFO タイプ−2 BFO+vxo 回路図   ・・・ (1)

  2023/02−11     JE1AHW/内田    si5351−BFO タイプ−1 OneMode−BFO 完成基板   ・・・ (1)

  2023/02−11     JE1AHW/内田    si5351−BFO タイプ−1 OneMode−BFO 部品配置図   ・・・ (1)

  2023/02−11     JE1AHW/内田    si5351−BFO タイプ−1 OneMode−BFO 回路図   ・・・ (1)

  2023/01−29     JE1AHW/内田    デジタルパワ−計「DP−10W」総合製作デ-タ(zipファイル)  ・・・ (1)

  2023/01−26     JE1AHW/内田    Libra7000 Sメ-タ-回路 改良した回路図  ・・・ (1)

  2023/01−17     JE1AHW/内田    デジタルパワ-計「DP−10W」 3V駆動 10W表示時  ・・・ (1)

  2023/01−17     JE1AHW/内田    デジタルパワ-計「DP−10W」 3V駆動 完成品フロント  ・・・ (1)

  2023/01−17     JE1AHW/内田    デジタルパワ-計「DP−10W」 3V駆動 使用した中華LCD  ・・・ (1)

  2023/01−17     JE1AHW/内田    デジタルパワ-計「DP−10W」 3V駆動 実装基板  ・・・ (1)

  2023/01−17     JE1AHW/内田    デジタルパワ-計「DP−10W」 3V駆動 部品配置図  ・・・ (1)

  2023/01−17     JE1AHW/内田    デジタルパワ-計「DP−10W」 3V駆動 回路図  ・・・ (1)

  2023/01−12     JE1AHW/内田    2SC2851 コレクタ-電流の違いによるIMDの変化  Ic=40mA時  ・・・ (1)

  2023/01−12     JE1AHW/内田    2SC2851 コレクタ-電流の違いによるIMDの変化  Ic=27mA時  ・・・ (1)

  2023/01−12     JE1AHW/内田    2SC2851 コレクタ-電流の違いによるIMDの変化  使用回路  ・・・ (1)

  2023/01−08     JE1AHW/内田    Libra7000 AGCドライブ回路の定数変更の件  ・・・ (1)


  2022/12−09     JE1AHW/内田    Libra7000 外付けフィルタ−(TRX対応)を製作してみました。実働  ・・・ (1)

  2022/12−09     JE1AHW/内田    Libra7000 外付けフィルタ−(TRX対応)を製作してみました。特性例  ・・・ (1)

  2022/12−09     JE1AHW/内田    Libra7000 外付けフィルタ−(TRX対応)を製作してみました。配置図  ・・・ (1)

  2022/12−09     JE1AHW/内田    Libra7000 外付けフィルタ−(TRX対応)を製作してみました。外観  ・・・ (1)

  2022/12−09     JE1AHW/内田    Libra7000 外付けフィルタ−(TRX対応)を製作してみました。回路図  ・・・ (1)

  2022/11−08     JE1AHW/内田    Libra7000 受信音のトリミング。高域を出す改造。回路図  ・・・ (1)

  2022/10−07     JE1AHW/内田    dsPSN 「Easy−PSN SV」改良しました。変更した回路図です。  ・・・ (1)

  2022/10−04     JE1AHW/内田    Libra7000 1号機完成。 内部の様子です。(ケ−ス再利用)  ・・・ (1)

  2022/10−04     JE1AHW/内田    Libra7000 1号機完成。 フロントパネル(ケ−ス再利用)  ・・・ (1)

  2022/09−29     JE1AHW/内田    Libra7000 IFユニット 最終版 実装基板2種類(Flat,Dip IC)  ・・・ (1)

  2022/09−29     JE1AHW/内田    Libra7000 IFユニット 最終版 部品配置図(表面実装IC)  ・・・ (1)

  2022/09−29     JE1AHW/内田    Libra7000 IFユニット 最終版 回路図  ・・・ (1)

  2022/09−24     JE1AHW/内田    2SC2851抵抗NFBアンプ、NFB抵抗値によるゲイン特性  ・・・ (1)

  2022/09−24     JE1AHW/内田    H−Moedeミキサ−仕様、Libra7000 プロトタイプ実装基板  ・・・ (1)

  2022/09−24     JE1AHW/内田    H−Moedeミキサ−仕様、Libra7000 フロントエンド部品配置図  ・・・ (1)

  2022/09−24     JE1AHW/内田    H−Moedeミキサ−仕様、Libra7000 フロントエンド部回路図  ・・・ (1)

  2022/09−04     JE1AHW/内田    3トランスタイプ、H−Moedeミキサ− 実際に聞いてみる ・・・ (1)

  2022/09−04     JE1AHW/内田    3トランスタイプ、H−Moedeミキサ− OIP3特性 ・・・ (1)

  2022/09−04     JE1AHW/内田    3トランスタイプ、H−Moedeミキサ− 試作品 ・・・ (1)

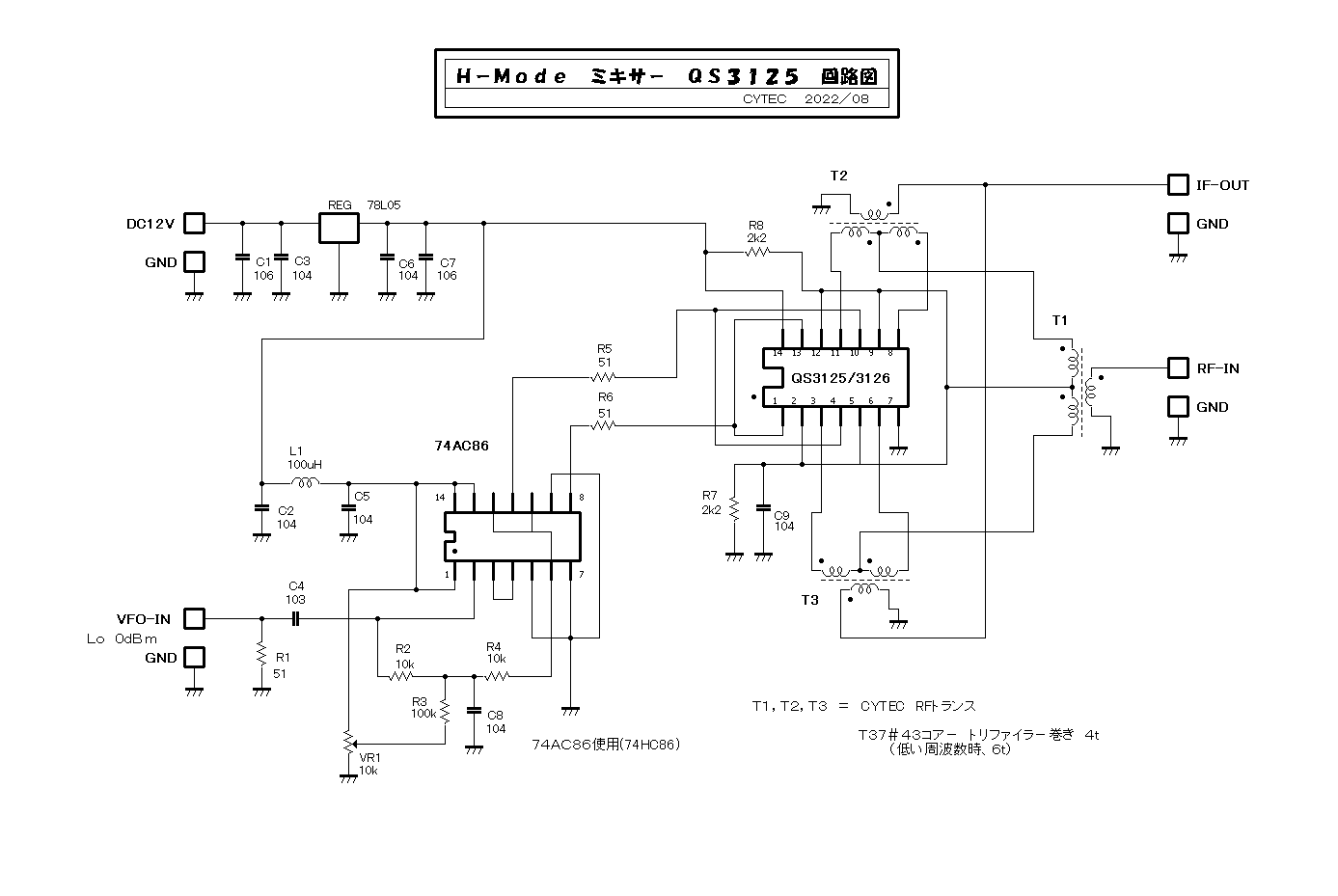
  2022/09−04     JE1AHW/内田    3トランスタイプ、H−Moedeミキサ− 回路図 ・・・ (1)

  2022/08−20     JE1AHW/内田    スイッチング・ミキサ−用 ドライブユニット 74HC04使用 回路図 ・・・ (1)

  2022/08−20     JE1AHW/内田    スイッチング・ミキサ−用 ドライブユニット 74HC86使用 完成品 ・・・ (1)

  2022/08−20     JE1AHW/内田    スイッチング・ミキサ−用 ドライブユニット 74HC86使用 プリントパタ−ン ・・・ (1)

  2022/08−20     JE1AHW/内田    スイッチング・ミキサ−用 ドライブユニット 74HC(AC)86使用 回路図 ・・・ (1)

  2022/08−20     JE1AHW/内田    1815ミキサ− 74HC04ドライブ型  受信風景 ・・・ (1)

  2022/08−20     JE1AHW/内田    1815ミキサ− 74HC04ドライブ型  IP3測定 ・・・ (1)

  2022/08−20     JE1AHW/内田    1815ミキサ− 74HC04ドライブ型  ミキサ−ゲイン ・・・ (1)

  2022/08−20     JE1AHW/内田    1815ミキサ− 74HC04ドライブ型  回路図 ・・・ (1)

  2022/08−08     JE1AHW/内田    1815ミキサ− 測定に使ったミキサ−基板・・・ (1)

  2022/08−08     JE1AHW/内田    1815ミキサ− IP3測定デ−タ・・・ (1)

  2022/08−08     JE1AHW/内田    1815ミキサ− 最終決定 回路図・・・ (1)

  2022/07−04     JE1AHW/内田    Libra7000 フロントエンド部 Ver4 回路−・・・ (1)

  2022/07−04     JE1AHW/内田    HJ誌より 2SC2851x2 SBMタイプ・ミキサ−プリント基板−・・・ (1)

  2022/07−04     JE1AHW/内田    HJ誌より 2SC2851x2 SBMタイプ・ミキサ−回路−・・・ (1)

  2022/06−30     JE1AHW/内田    失敗:2N7000を使用した「H−Modeミキサ-」試作品 −・・・ (1)

  2022/06−30     JE1AHW/内田    失敗:2N7000を使用した「H−Modeミキサ-」試作プリント基板 −・・・ (1)

  2022/06−30     JE1AHW/内田    失敗:2N7000を使用した「H−Modeミキサ-」電源をなくす −・・・ (1)

  2022/06−30     JE1AHW/内田    失敗:2N7000を使用した「H−Modeミキサ-」CYTEC版回路図 −・・・ (1)

  2022/06−30     JE1AHW/内田    webより。 2N7000を使用した「H−Modeミキサ-」回路図 −・・・ (1)

  2022/06−24     JE1AHW/内田    TR NFB−Amp使用デバイス 2SC2851 DataSheet −・・・ (1)

  2022/06−24     JE1AHW/内田    TR NFB−Amp使用デバイス 2SC2851,メガネコア−・・・ (1)

  2022/06−18     JE1AHW/内田    Libra7000開発関係 フロントエンド開発ボ-ドの様子 ・・・ (1)

  2022/06−18     JE1AHW/内田    Libra7000開発関係 ポストアンプ(NFBアンプ) ゲイン特性 ・・・ (1)

  2022/06−18     JE1AHW/内田    Libra7000開発関係 ポストアンプ(NFBアンプ) 回路図 ・・・ (1)

  2022/06−18     JE1AHW/内田    Libra7000開発関係 ポストアンプ(NFBアンプ) 基板部品配置図 ・・・ (1)

  2022/06−18     JE1AHW/内田    Libra7000開発関係 ポストアンプ(NFBアンプ) ユニット外観 ・・・ (1)

  2022/06−18     JE1AHW/内田    Libra7000開発関係 9MHzBPF(ル−フィングフィルタ−) 特性 ・・・ (1)

  2022/06−18     JE1AHW/内田    Libra7000開発関係 9MHzBPF(ル−フィングフィルタ−) 回路図 ・・・ (1)

  2022/06−18     JE1AHW/内田    Libra7000開発関係 9MHzBPF(ル−フィングフィルタ−) 外観 ・・・ (1)

  2022/06−12     JE1AHW/内田    Libra7000 Front−BPF の研究  トラップコイルにて補正したタイプ回路図・・・ (1)

  2022/06−12     JE1AHW/内田    Libra7000 Front−BPF の研究  トラップコイルにて補正したタイプ・・・ (1)

  2022/06−12     JE1AHW/内田    Libra7000 Front−BPF の研究  今まで使用していたタイプ 2種類・・・ (1)

  2022/05−29     JE1AHW/内田    CYTEC製作の PIC書き込み器:「PICerFT」 本体+アダプタ−・・・ (1)

  2022/05−29     JE1AHW/内田    CYTEC製作の PIC書き込み器:「PICerFT」 書き込みアダプタ-例・・・ (1)

  2022/05−29     JE1AHW/内田    CYTEC製作の PIC書き込み器:「PICerFT」  本体・・・ (1)

  2022/05−29     JE1AHW/内田    PIC書き込み器:「PICerFT」の製作  開発者”e電子工房”さんのHP ・・・ (1)

  2022/05−02     JE1AHW/内田    PLL−MonoBand−VFOキット 組み立て完成品(一部未実装) ・・・ (1)

  2022/05−02     JE1AHW/内田    PLL−MonoBand−VFOキット付属 初期設定の方法 pdf ・・・ (1)

  2022/04−10     JE1AHW/内田    デジタル電圧/電流計(秋月ユニット使用)の製作  使用中 ・・・ (1)

  2022/04−10     JE1AHW/内田    デジタル電圧/電流計(秋月ユニット使用)の製作  バック ・・・ (1)

  2022/04−10     JE1AHW/内田    デジタル電圧/電流計(秋月ユニット使用)の製作  フロント ・・・ (1)

  2022/04−05     JE1AHW/内田    汎用PLL−VFO1000 Mono−Band 試作機(未完成) ・・・ (1)

  2022/04−05     JE1AHW/内田    汎用PLL−VFO1000 Mono−Band 部品配置図 ・・・ (1)

  2022/04−05     JE1AHW/内田    汎用PLL−VFO1000 Mono−Band 回路図 ・・・ (1)

  2022/03−27     JE1AHW/内田    7MHz リニアアンプの製作 Orionライン ・・・ (1)

  2022/03−27     JE1AHW/内田    7MHz リニアアンプの製作 Orion−4020LA Back ・・・ (1)

  2022/03−27     JE1AHW/内田    7MHz リニアアンプの製作 Orion−4020LA Front ・・・ (1)(2)

  2022/03−27     JE1AHW/内田    7MHz リニアアンプの製作 Orion−4020LA 内部 その2・・・ (1)

  2022/03−27     JE1AHW/内田    7MHz リニアアンプの製作 Orion−4020LA 内部 その1・・・ (1)

  2022/03−27     JE1AHW/内田    7MHz リニアアンプの製作 2SC1969x2 LPF実装 ・・・ (1)

  2022/03−27     JE1AHW/内田    7MHz リニアアンプの製作 2SC1969x2 メインアンプ実装 ・・・ (1)

  2022/03−27     JE1AHW/内田    7MHz リニアアンプの製作 2SC1969x2 LPF部回路図 ・・・ (1)

  2022/03−27     JE1AHW/内田    7MHz リニアアンプの製作 2SC1969x2 メイン部回路図 ・・・ (1)

  2022/02−29     JE1AHW/内田    Libra7000 7MHzSSB受信機 IFユニット回路図(ミス訂正) ・・・ (1)

  2022/02−27     JE1AHW/内田    Libra7000 7MHzSSB受信機 IFユニット 実装プリント基板・・・ (1)

  2022/02−05     JE1AHW/内田    Libra7000−VFOユニット  PIC12F1840 書き込み用 hexファイル(ZIP) ・・・ (1)

  2022/02−05     JE1AHW/内田    Libra7000−VFOユニット  ソ−スファイル(mikroC Pro) TXT ・・・ (1)

  2022/02−05     JE1AHW/内田    Libra7000−VFOユニット  完成品 ・・・ (1)(2)

  2022/02−05     JE1AHW/内田    Libra7000−VFOユニット  部品配置図 ・・・ (1)

  2022/02−05     JE1AHW/内田    Libra7000−VFOユニット  プリントパタ-ン(pdf) ・・・ (1)

  2022/02−05     JE1AHW/内田    Libra7000−VFOユニット  回路図 ・・・ (1)

  2022/02−01     JE1AHW/内田    自作用・計算ソフト 7Pack zipファイル L型マッチング追加(訂正済み)・・・ (1)

  2022/01−31     しろくま/明石市     7MHz DC受信機{Comet40」の、受信状況です。Youtube ・・・ (1)

  2022/01−29     JE1AHW/内田    Libra7000 7MHzSSB受信機 IFユニット回路図(修正版) ・・・ (1)

  2022/01−29     JE1AHW/内田    Libra7000 7MHzSSB受信機 フロントエンド・完成基板 ・・・ (1)

  2022/01−29     JE1AHW/内田    Libra7000 7MHzSSB受信機 フロントエンド・部品配置図 ・・・ (1)

  2022/01−29     JE1AHW/内田    Libra7000 7MHzSSB受信機 フロントエンド・プリント基板 ・・・ (1)

  2022/01−29     JE1AHW/内田    Libra7000 7MHzSSB受信機 フロントエンド回路図 ・・・ (1)

  2022/01−27     しろくま/明石市     7MHz DC受信機{Comet40」を作りました。 ・・・ (1)(2)

  2022/01−24     JA9CDE/とちたに  T型BPF 14MHz シュミレ-ション特性 狭域 ・・・ (1)

  2022/01−24     JA9CDE/とちたに  T型BPF 14MHz シュミレ-ション特性 広域 ・・・ (1)

  2022/01−23     JE1AHW/内田    7MHzBPF センタ-タップをLCでつなぐ 回路図、特性 ・・・ (1)(2)

  2022/01−23     JE1AHW/内田    T型バンドパス・フィルタ−例 14MHz 回路図、特性 ・・・ (1)(2)

  2022/01−23     JE1AHW/内田    T型バンドパス・フィルタ− バンド別定数表 ・・・ (1)

  2022/01−20     JE1AHW/内田    新しい7MHz受信機の、受信テスト風景 ・・・ (1)

  2022/01−20     JE1AHW/内田    新しい7MHz受信機のフロントエンド部 回路図 ・・・ (1)

  2022/01−20     JE1AHW/内田    新しい7MHz受信機のフロントエンド部 ・・・ (1)

  2022/01−18     JE1AHW/内田    AD603を使った、IF増幅回路  基板が完成しました。 最終回路図 ・・・ (1)

  2022/01−18     JE1AHW/内田    AD603を使った、IF増幅回路  基板が完成しました。IC部 ・・・ (1)

  2022/01−18     JE1AHW/内田    AD603を使った、IF増幅回路  基板が完成しました。全体 ・・・ (1)

  2022/01−18     JE1AHW/内田    チョ-ク・コイルを使用したハムバンドのBPF 定数表 pdf ・・・ (1)

  2022/01−15     JE1AHW/内田    CendタイプのBPF 回路図 ・・・ (1)

  2022/01−15     JE1AHW/内田    2Pole型BPF 使用コイルの違いによる特性の違い。 ・・・ (1)

  2022/01−15     JE1AHW/内田    10Kコイルボビンを使用した、Cendタイプ 7MHzBPF 試作品 ・・・ (1)

  2022/01−11     JE1AHW/内田    AGCのドライブ回路に使えるプリアンプ回路(ゲイン約20dB) ・・・ (1)

  2022/01−11     JE1AHW/内田    AGCのドライブ回路の紹介 TRアンプ 設定値から上がるタイプ ・・・ (1)

  2022/01−11     JE1AHW/内田    AGCのドライブ回路の紹介 TRアンプ 設定値から下がるタイプ ・・・ (1)

  2022/01−11     JE1AHW/内田    AGCのドライブ回路の紹介 OPアンプ 設定値から上がるタイプ ・・・ (1)

  2022/01−11     JE1AHW/内田    AGCのドライブ回路の紹介 OPアンプ 設定値から下がるタイプ ・・・ (1)

  2022/01−04     JE1AHW/内田    CYTECで使用している、PCBE用パ−ツファイル zipファイル ・・・ (1)

  2022/01−04     JE1AHW/内田    自作用・計算ソフト by Cytec 6Pack zipファイル ・・・ (1)

 


  Back to Top / Back to BBS