「画像フォルダ−」過去ログ。  2012年 ー 2013年        Back to Top  Back

  2012年から2013年に渡り「画像フォルダ−」に掲載したデ−タです。自作の情報が、一杯有ります。


    BBS書き込み日     : 投稿した人      :     タイトル           (投稿者は、敬称略)

2013/12−26    JE1AHW/内田    AD9835+PIC18F14K50使用 DDS−VFOの試作機の部品配置図(基板裏) ・・ (1)

2013/12−26    JE1AHW/内田    AD9835+PIC18F14K50使用 DDS−VFOの試作機の部品配置図(基板表) ・・ (1)

2013/12−26    JE1AHW/内田    AD9835+PIC18F14K50使用 DDS−VFOの試作機の回路図です。 ・・ (1)

2013/12−26    JE1AHW/内田    AD9835+PIC18F14K50使用 DDS−VFOの試作機が完成しました。 ・・ (1)(2)(3)

2013/12−25    JE1AHW/内田    高速OPアンプ LMH6702 RF−AMPとしての動作テスト ・・ (1)(2)(3)(4)

2013/12−21    JE1AHW/内田    基板に表面実装部品を、ハンダ付けする際、便利な卓上万力。回転します。 ・・ (1)

2013/12−21    JE1AHW/内田    AD9835+PIC18F14K50使用 DDS−VFOの試作機プリント基板 失敗作です。 ・・ (1)

2013/12−15    JE1AHW/内田    AD9835+PIC18F14K50使用 DDS−VFOの試作機プリント・パタ−ン ・・ (1)

2013/12−10    JE1AHW/内田    BY−DDS Unit + PIC18F14K50使用 DDS−VFOのソフト開発風景 ・・ (1)

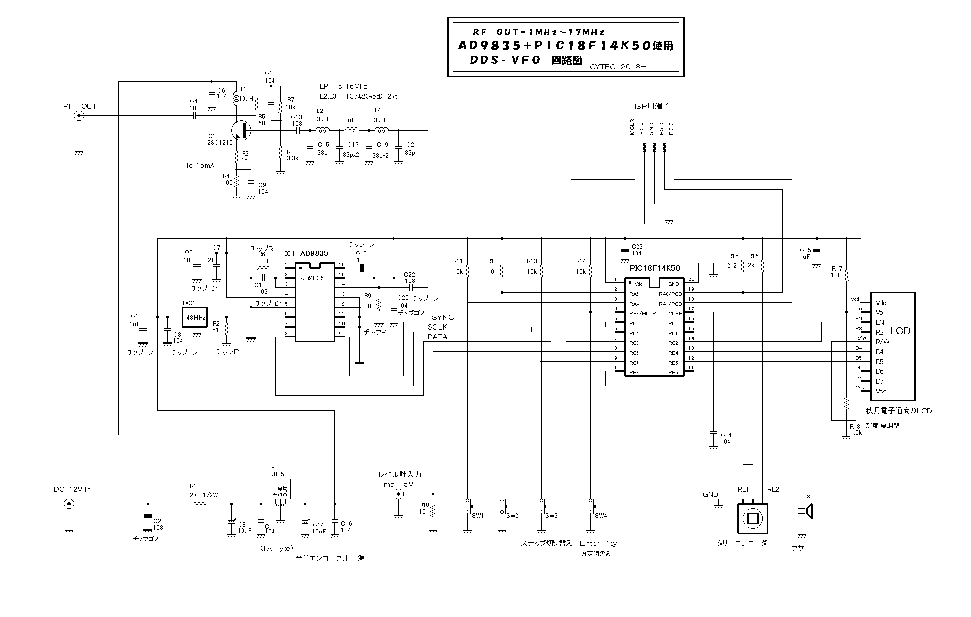
2013/12−10    JE1AHW/内田    AD9835+PIC18F14K50使用 DDS−VFOの回路図 ・・ (1)

2013/11−21    JE1AHW/内田    プリント基板設計ソフト「PCBE Ver.0.58.x」用、パ−ツライブラリ−のDL ・・ (1)(LZHファイル)

2013/11−19    JE1AHW/内田    プリント基板設計ソフト「PCBE Ver.0.58.x」用、パ−ツライブラリ−を作りました。 ・・ (1)

2013/11−04    JE1AHW/内田    こんな開発環境です。AD9835+PIC18F14K50使用 DDS−VFOソフト製作風景。 ・・ (1)

2013/10−24    JE1AHW/内田    昔懐かしい真空管を、頂きました。 807と42です。 ・・ (1)

2013/09−23    JE1AHW/内田    PLLタイプクロック発振器とクリスタル・クロック発振器のDDS−VFOの出力比較 ・・ (1)

2013/09−23    JE1AHW/内田    クリスタル・クロック発振器(48MHz)の出力、それを使用したDDS−VFOの出力 ・・ (1)(2)(3)

2013/09−23    JE1AHW/内田    PLLタイプクロック発振器(48MHz)の出力、それを使用したDDS−VFOの出力 ・・ (1)(2)(3)

2013/09−14    JE1AHW/内田    LC−VFOとDDS−VFO(PLLクロック使用)の、出力波CN特性比較 ・・ (1)(2)(3)

2013/09−10    JE1AHW/内田    7MHz帯 電圧給電型アンテナ(ツェップもどきアンテナ) マッチング部完成品 ・・ (1)(2)(3)

2013/09−10    JE1AHW/内田    7MHz帯 電圧給電型アンテナ(ツェップもどきアンテナ) マッチング部製作 ・・ (1)(2)(3)

2013/09−10    JE1AHW/内田    7MHz帯 電圧給電型アンテナ(ツェップもどきアンテナ) 回路図 ・・ (1)

2013/08−16    宇都宮市在住/原田   7MHzDC受信機「Comet40」とメ−カ−製トランシバ−の、受信比べ。動画(WMV、8MB) ・・ (1)

2013/08−09    JE1AHW/内田     久喜市(菖蒲地区)にある、NHK送信所の局舎とアンテナ(7−8年前です)    ・・ (1)(2)(3)(4)

2013/08−02    JE1AHW/内田     7MHz帯に使える Lマッチ型「空中線整合器 赤とんぼ弐号」が、完成しました。    ・・ (1)(2)(3)

2013/07−27    JE1AHW/内田     Lマッチ StepUP回路 計算ツ−ル(デ−タ入力は、Enterキ−を押す。MS−DOS風操作)LZHファイル ・・ (1)

2013/07−27    JE1AHW/内田     7MHz帯用 Lマッチ アンテナチュ−ナ− 給電点インピ−ダンスごとのL/Cの値一覧表(pdfファイル) ・・ (1)

2013/07−25    JE1AHW/内田     7MHz帯用 Lマッチ アンテナチュ−ナ−の回路図(訂正しました。)       ・・ (1)

2013/07−23    JE1AHW/内田     7MHz帯用 Lマッチ アンテナチュ−ナ−の回路図と部品       ・・ (1)(2)(3)

2013/07−21    JE1AHW/内田     マイクロストリップラインもどき「反射波検出ユニット」の製作過程を写真解説       ・・ (1)(2)(3)(4)

2013/07−20    JE1AHW/内田     失敗にめげず工法変更。マイクロストリップラインもどき「反射波検出ユニット」を作りました。  ・・ (1)(2)

2013/07−15    JE1AHW/内田     失敗した、「CMカップラ−」 7MHzに使用したかったのだが・・・。  ・・ (1)(2)

2013/07−14    JE1AHW/内田     「HAYABUSA6」に、2SC1971使用パワ−アンプを、つなぎました。3Wにパワ−アップ。  ・・ (1)(2)

2013/07−05    JE1AHW/内田      JH8LDW/篠原OM製作のエレキ−・パドル + TUキ−ヤ−でパドル一体型エレキ−に  ・・ (1)(2)(3)(4)

2013/06−24    JE1AHW/内田      昔懐かしい「マイク・コンプレッサ−」を実験中です。 途中報告、回路図(Take2)です。  ・・ (1)

2013/06−15    JE1AHW/内田      プリントパタ−ン設計の思い出  2000年頃から現在まで 「PCBE」を使った設計時代  ・・ (1)(2)

2013/06−15    JE1AHW/内田      プリントパタ−ン設計の思い出  1995年頃から2000年頃まで 「花子」を使った設計時代  ・・ (1)(2)

2013/06−15    JE1AHW/内田      プリントパタ−ン設計の思い出  1985年頃から1995年頃まで 方眼紙を使った手書き設計時代  ・・ (1)(2)

2013/06−10    JE1AHW/内田      Airgoose15 DDS−VFO改造完成。改造個所の写真  ・・ (1)(2)(3)

2013/06−02    JE1AHW/内田      FRMS 5V動作化 OPアンプ・ゲイン変更後の1MHz〜20MHzのフロア−ノイズ  ・・ (1)

2013/06−02    JE1AHW/内田      FRMS 5V動作化 OPアンプ・ゲイン変更後の1MHz〜20MHzの出力レベル  ・・ (1)

2013/06−02    JE1AHW/内田      FRMS 5V動作化 OPアンプ・ゲイン変更後の20MHzの出力波形。  ・・ (1)

2013/06−02    JE1AHW/内田      FRMS 5V動作化 OPアンプ・ゲイン変更後の3MHzの出力波形。   ・・ (1)

2013/06−02    JE1AHW/内田      FRMS 5V動作化 OPアンプ(LM7171)のゲインを、約2倍にする為の変更点。 ・・ (1)

2013/06−02    JE1AHW/内田      FRMS 5V動作化 ノ−マル・タイプのFRMSを5Vで働かせた時の、3MHzの出力波形。 ・・ (1)

2013/06−01    JE1AHW/内田      DDS−VFO出力部に入れるバンドパス・フィルタ−  9MHz トロダルコア−+BPF使用特性 ・・ (1)(2)

2013/06−01    JE1AHW/内田      DDS−VFO出力部に入れるバンドパス・フィルタ−  9MHz トロイダルコア−使用特性 ・・ (1)

2013/06−01    JE1AHW/内田      DDS−VFO出力部に入れるバンドパス・フィルタ−  9MHz チョ−クコイル使用特性 ・・ (1)

2013/06−01    JE1AHW/内田      DDS−VFO出力部に入れるバンドパス・フィルタ−  チョ−クコイル、トロイダル、トロイダル+LPF 外観 ・・ (1)

2013/05−28    JE1AHW/内田      Airgoose15 DDS−VFO改造計画  DDS−VFOユニット、エンコ−ダ取り付けの様子  ・・ (1)(2)

2013/05−18    JE1AHW/内田      7MHz AM/SSB TR受信機 「Farvoice FV-40R」 基板実装が終わり、動作テスト中   ・・ (1)(2)

2013/05−13    JE1AHW/内田      VFO周波数を、アナログで表示する周波数カウンタ−が、動作の様子・・ (1)(WMV形式、2.7M)

2013/05−13    JE1AHW/内田      7MHz AM/SSB TR受信機 「Farvoice FV-40R」 基板が完成   ・・ (1)

2013/05−13    JE1AHW/内田      MP3プレ−ヤ−を、作ってみました。(MPユニット使用)   ・・ (1)(2)

2013/05−10    JE1AHW/内田      7MHz AM/SSB TR受信機 「Farvoice FV-40R」 基板設計 部品配置図が完成   ・・ (1)

2013/05−10    JE1AHW/内田      7MHz AM/SSB TR受信機 「Farvoice FV-40R」 回路変更(AF−Amp)Take6 回路図  ・・ (1)

2013/05−02    JE1AHW/内田      VFO周波数を、アナログで表示する周波数カウンタ−が、完成しました。・・ (1)(2)(3)(4)

2013/04−30    JE1AHW/内田      VFO周波数を、アナログで表示する周波数カウンタ−の、回路図とプリント基板例 です。・・ (1)(2)

2013/04−28    JE1AHW/内田      VFO周波数を、アナログで表示する周波数カウンタ−の、試作機ができました。    ・・ (1)

2013/04−25    JE1AHW/内田      バッカ−発振回路の例(3.5MHz帯VFO回路、初歩のラジオより)    ・・ (1)

2013/04−25    JE1AHW/内田      チェコテスラ発振回路の製作例(3.5MHz帯VFO回路、JA1QLV/辻みのるさん著:初歩のラジオより)・・ (1)(LZH,2M)

2013/04−22    瀧川/長野県        「Comet40」が完成しました。ホ−ムペ−ジもご覧下さい。・・ (1)(2)(3)(4)HP−Link

2013/04−15    JE1AHW/内田      チェコテスラ発振回路の例(3.5MHz帯VFO回路一部、初歩のラジオより)    ・・ (1)

2013/03−28    JE1AHW/内田      7MHz ダイレクトコンバ−ジョン受信機 「Comet40」 キット用プリント基板が完成    ・・ (1)

2013/03−12    JE1AHW/内田      7MHz AM/SSB TR受信機 「Farvoice FV-40R」 回路図(Take5版)    ・・ (1)

2013/03−12    JE1AHW/内田      7MHz DC受信機 「Comet40」 AF−Amp TA7368Pタイプ  回路図    ・・ (1)

2013/03−11    JE1AHW/内田      7MHz AM/SSB TR受信機 FV−40R FET使用プロダクト検波/BFO回路図 改良1  ・・ (1)

2013/03−10    JE1AHW/内田      7MHz AM/SSB TR受信機 FV−40R FET使用プロダクト検波/BFO回路図と試作品  ・・ (1)(2)

2013/03−08    JE1AHW/内田      7MHz DC受信機 「Comet40」 訂正個所 回路図    ・・ (1)

2013/03−04    JE1AHW/内田      7MHz AM/SSB TR受信機 「Farvoice FV-40R」 回路図(Take4版)    ・・ (1)

2013/03−04    JE1AHW/内田      7MHz AM/SSB TR受信機 FV−40R 試作機による受信風景(動画、wmv形式)  ・・ (1)

2013/03−04    JE1AHW/内田      7MHz AM/SSB TR受信機 FV−40R VFO部  表示カウンタ−  ・・ (1)

2013/03−04    JE1AHW/内田      7MHz AM/SSB TR受信機 FV−40R VFO部  ドリフト特性(静特性)2時間   ・・ (1)

2013/03−04    JE1AHW/内田      7MHz AM/SSB TR受信機 FV−40R VFO部  完成品   ・・ (1)(2)(3)(4)

2013/03−04    JE1AHW/内田      7MHz AM/SSB TR受信機 FV−40R VFO部  回路図   ・・ (1)

2013/03−04    JE1AHW/内田      7MHz AM/SSB TR受信機 FV−40R VFO部  設計プラン ・・ (1)

2013/02−26    JE1AHW/内田      7MHz AM/SSB TR受信機 アンテナBPFの実験(FCZコイル使用)  入出力ともリンクコイル ・・ (1)

2013/02−26    JE1AHW/内田      7MHz AM/SSB TR受信機 アンテナBPFの実験(FCZコイル使用)  出力側の違いによる特性 ・・ (1)

2013/02−26    JE1AHW/内田      7MHz AM/SSB TR受信機 アンテナBPFの実験(FCZコイル使用)  カップルCを変えた特性    ・・ (1)

2013/02−26    JE1AHW/内田      7MHz AM/SSB TR受信機 アンテナBPFの実験(FCZコイル使用)  シングルとBPFの違い ・・ (1)

2013/02−26    JE1AHW/内田      7MHz AM/SSB TR受信機 アンテナBPFの実験(FCZコイル使用)  測定方法紹介    ・・ (1)

2013/02−18    JE1AHW/内田      7MHz AM/SSB TR受信機 「Farvoice FV-40R」 回路図(Take3版)    ・・ (1)

2013/02−18    JE1AHW/内田      採用した 12MHz ノ−マルタイプ 4Pole クリスタル・フィルタ−の特性    ・・ (1)

2013/02−18    JE1AHW/内田      12MHz ノ−マルタイプ 4Pole クリスタル・フィルタ−+T型フィルタ−切り替え式 の特性 ・・ (1)

2013/02−14    JE1AHW/内田      7MHz AM様受信機 試作機による実験風景・・・。    ・・ (1)

2013/02−07    JE1AHW/内田      12MHz 2Cフィルタ−、4Cフィルタ− の特性    ・・ (1)(2)(3)

2013/02−05    JE1AHW/内田      12MHz T型クリスタルフィルタ−の実験 BW=6KH、回路図、特性    ・・ (1)(2)(3)

2013/02−04    JH8LDW/篠原      CYTEC DDS−VFOユニットが、完成しました。ケ−スは、100円ショップです。   ・・ (1)

2013/02−03    JE1AHW/内田      IF増幅回路 2SC2901x2 NFB方式AGC使用 Sメ−タ−回路を追加しました。   ・・ (1)

2013/01−27    JE1AHW/内田      チップ部品の実装例。東芝IC TA−7045をまねた、カスタムIC CY−7045   ・・ (1)(2)

2013/01−25    JE1AHW/内田      IF増幅回路 2SC2901x2 NFB方式AGC使用(回路図、試作機)   ・・ (1)(2)(3)

2013/01−24    JE1AHW/内田      NFB方式AGC AGCドライブアンプの回路図    ・・ (1)

2013/01−24    JE1AHW/内田      NFB方式AGC 2SC2901x2 IFアンプ試作機のAGC特性 (pdfファイル)    ・・ (1)

2013/01−24    JE1AHW/内田      NFB方式AGC 2SC1906 AGC電圧とアンプゲイン特性 (pdfファイル)    ・・ (1)

2013/01−24    JE1AHW/内田      NFB方式AGC 2SC373 AGC電圧とアンプゲイン特性 (pdfファイル)    ・・ (1)

2013/01−24    JE1AHW/内田      NFB方式AGC 基本回路図    ・・ (1)

2013/01−17    釣巻/福島県        ジャノメ基板を使用した場合の、チップC/Rの実装例です。チップ=2512 ・・ (1)

2013/01−04    瀧川/長野県        「Sparrow40」が完成しました。ケ−スは、リ−ドのPS−12です。・・ (1)(2)(3)

2013/01−04    JE1AHW/内田      2Pole、9MHz、USB型 ラダ−フィルタ−の特性測定  ・・ (1)(2)


2012/12−31    JQ1SRN/武村      「HAYABUS 6」が完成しました。ケ−スは、タカチCU−3Nです。・・ (1)(2)

2012/12−28    JE1AHW/内田      9MHz 4ポ−ル・タイプ クリスタルフィルタ− 2種類の回路でのフィルタ−特性比較 ・・・ (1)(pdfファイル)

2012/12−27    梅津/さいたま市      「HAYABUS 6」が完成しました。ケ−スは、YM−180です。・・ (1)

2012/12−15    JE1AHW/内田      「HAYABUSA6」・キットの 訂正個所&追加情報です。pdfファイル・・・ (1)

2012/12−03    JE1AHW/内田      9MHz 4ポ−ル・タイプ クリスタルフィルタ−+Lマッチ フィルタ−特性・・・ (1)

2012/11−01    JE1AHW/内田      DDS−VFO Basic−Type(AD9835使用) 本体画面と周波数関係設定画面・・・ (1)(2)(3)(4)

2012/10−18    JE1AHW/内田      簡易型 7MHz・SSB−ワイヤレスマイク 回路図です。・・・ (1)

2012/10−16    JE1AHW/内田      DDS−VFO Basic−Type(AD9835使用) 周波数対出力レベルです。・・・ (1)

2012/10−16    JE1AHW/内田      DDS−VFO Basic−Type(AD9835使用) 5MHz,10MHzスプリアス特性です。・・・ (1)(2)

2012/10−16    JE1AHW/内田      DDS−VFO Basic−Type(AD9835使用) 5MHz,10MHz出力波形です。・・・ (1)(2)

2012/10−16    JE1AHW/内田      DDS−VFO Basic−Type(AD9835使用) 回路図です。・・・ (1)

2012/10−16    JE1AHW/内田      DDS−VFO Basic−Type(AD9835使用) トラブル対策をしました完成品です。・・・ (1)(2)(3)(4)

2012/10−09    JE1AHW/内田      DDS−VFO Basic−Type DDSチップとLPFのつなぎ方の比較です。・・・ (1)(2)

2012/10−08    JE1AHW/内田      DDS−VFO Basic−Type 出力信号のギザギザ対策しました。・・・ (1)(2)

2012/10−08    JE1AHW/内田      DDS−VFO Basic−Type 出力信号にギザギザが有る。・・・ (1)(2)

2012/10−07    JE1AHW/内田      DDS−VFO Basic−Type (AD9835使用) を製作しました。その1・・・ (1)(2)(3)(4)

2012/09−08    JE1AHW/内田      VFOドリフト自動測定器 EasyFC2アダプタ− 基板実装の様子と、回路図・・・ (1)(2)

2012/09−02    JE1AHW/内田      50MHzDSBトランシ−バ−「HAYABUSA6」のVXO部を、コ−ティングしてみました。・・・ (1)

2012/09−02    JE1AHW/内田      50MHzDSBトランシ−バ−「HAYABUSA6」が、完成しました。・・・ (1)(2)(3)

2012/08−31    JE1AHW/内田      50MHzDSBトランシ−バ−「HAYABUSA6」に使う、VRとダイアル ・・・ (1)

2012/08−16    JG1CCL/うちだ    息抜きに MP−3 プレ−ヤ−・キットを製作しました。・・・ (1)(2)(3)(4)(5)

2012/08−13    JE1AHW/内田      50MHzDSBトランシ−バ−「HAYABUSA6」部品実装が完了しました。・・・ (1)

2012/08−13    JE1AHW/内田      50MHzDSBトランシ−バ−「HAYABUSA6」改訂版プリント基板ができました。・・・ (1)(2)

2012/08−13    JE1AHW/内田      50MHzDSBトランシ−バ−「HAYABUSA6」一番最初の開発ボ−ドの様子です。・・・ (1)

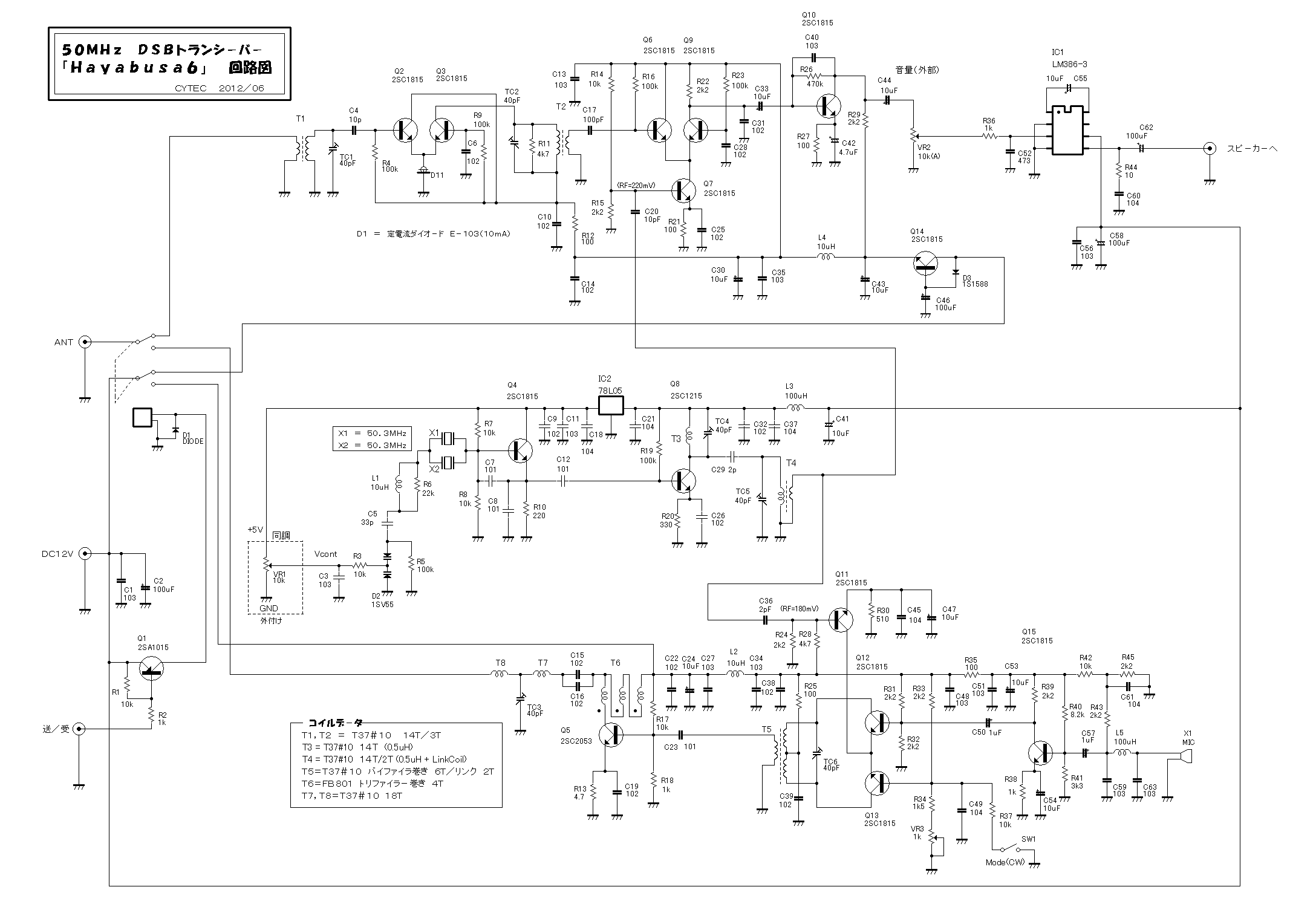
2012/06−24    JE1AHW/内田      50MHzDSBトランシ−バ−「HAYABUSA6」回路図、細かい改良、定数変更・・・ (1)

2012/06−17    JE1AHW/内田      50MHzDSBトランシ−バ−「HAYABUSA6」回路図、マイクアンプ部改良・・・ (1)

2012/06−12    JE1AHW/内田      50MHzDSBトランシ−バ−「HAYABUSA6」回路図です。・・・ (1)

2012/06−10    JE1AHW/内田       50MHzDSBトランシ−バ−「HAYABUSA6」開発中のボ−ドです。・・・ (1)

  2012/05−26    JE1AHW/内田     50MHz AM受信機を作ってみました。LA1600使用。(途中です。)  ・・・ (1)

  2012/05−18    JE1AHW/内田     清水電子 オ−ルバンドトランシ−バ−「SS−105S」(JH1JYY原氏所有品)  ・・・ (1)

  2012/03−17    JE1AHW/内田     開発中!。 AD9835使用 DDS発振ユニット基板  ・・・ (1)

  2012/03−17    JE1AHW/内田     開発中!。 50MHzDSBトランシ−バ−回路図(暫定版)です。  ・・・ (1)

  2012/03−05    JE1AHW/内田     7MHz DC受信機「Comet40」が完成しました。  ・・・ (1)(2)(3)(4)(5)(6)

  2012/02−27    JE1AHW/内田     7MHz DC受信機「Comet40」の回路図です。  ・・・ (1)

  2012/02−06    JE1AHW/内田     50MHz 2SC1815x2 差動タイプ・プリアンプ  ・・・ (1)(2)

  2012/02−02    JE1AHW/内田     50MHz 2SC1815x2 カスケ−ド接続プリアンプ  ・・・ (1)(2)

  2012/01−24    JE1AHW/内田     2SK241を使用した、50MHzプリアンプゲイン特性  ・・・ (1)(2)

  2012/01−16    JH8LDW/篠原     7MHz DC受信機「Comet40」を、製作しました。  ・・・ (1)(2)(3)

  2012/01−16    JE1GNG/斎藤     7MHz CW送信機(RF−OUT=1.5W、フルブレ−クイン、TUキ−ヤ−内蔵)を製作しました。  ・・・ (1)

  2012/01−09    JE1AHW/内田     AD9834を使用したDDS−VFOの開発ボ−ド  ・・・ (1)(2)

    


  Back to Top / Back to BBS