「画像フォルダ−」過去ログ。  2008年 ー 2009年        Back to Top  Back

  2008年から2009年に渡り「画像フォルダ−」に掲載したデ−タです。自作の情報が、一杯有ります。


    BBS書き込み日     : 投稿した人      :     タイトル           (投稿者は、敬称略)

  2009−12/20     JE1AHW/内田      HF帯用 2W出力 リニアアンプ リレ−レス・タイプの開発(回路図、部品配置) ・・・(1)(2)

  2009−11/27     JA7VJW/北舘      「デジタルLCメ−タ−」を、製作しました。 ・・・(1)

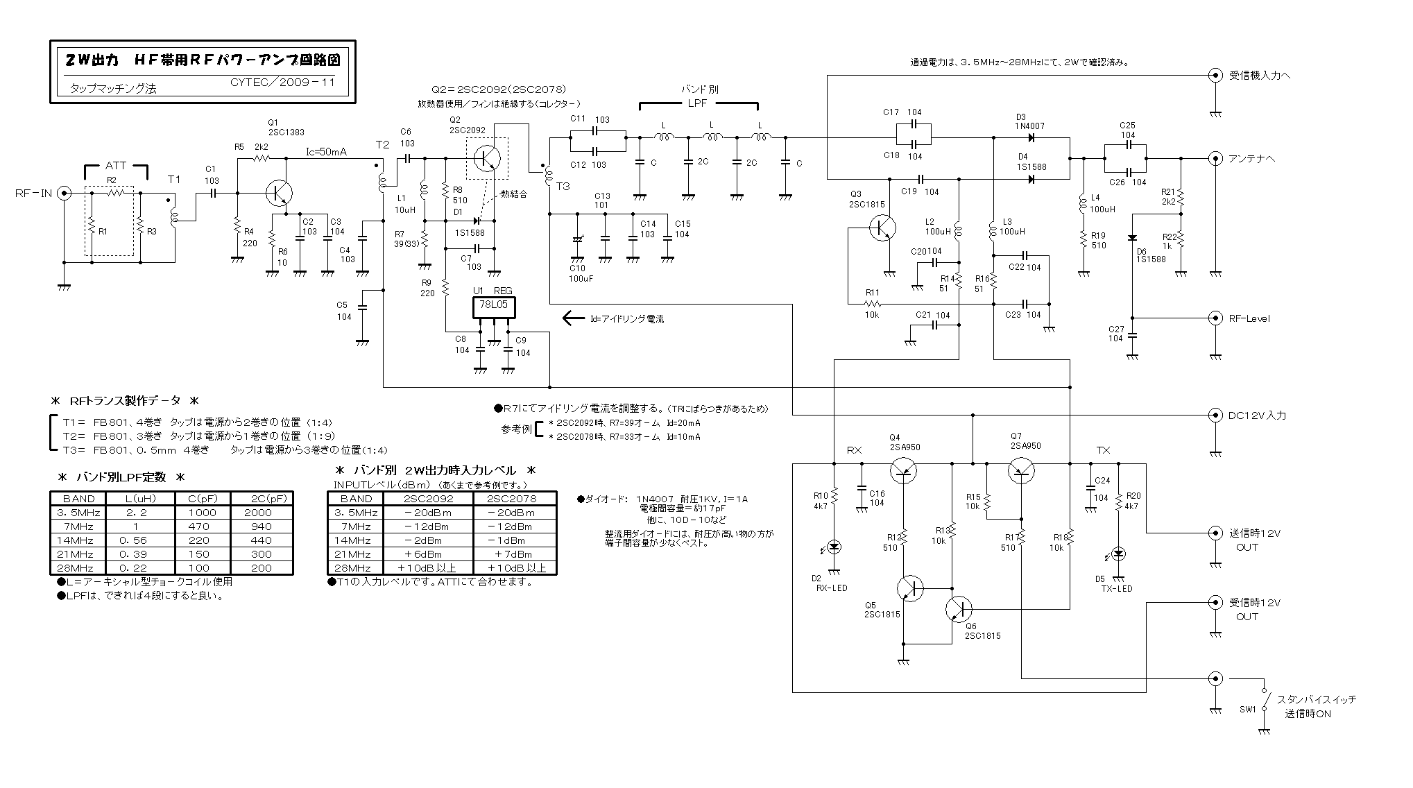
  2009−11/13     JE1AHW/内田      HF帯用 2W出力 リニアアンプ部の開発風景 ・・・(1)(2)

  2009−11/13     JE1AHW/内田      ソリッドステ−ト化した、アンテナ+電源切り替えユニットの実験 ・・・(1)(2)

  2009−11/13     JE1AHW/内田      チョ−クコイルを使用したHF帯(5バンド)LPFの実験 ・・・(1)(2)pdfファイル

  2009−11/02     愛知県/杉浦        LCメ−タ−のチップ測定用アタッチメント自作例、その2 ピンセット+ワニグチクリップで試作。 ・・・ (1)(2)(3)

  2009−11/02     愛知県/杉浦        フェライトビ−ズ、FB801にタップをもうける方法一例です。 ・・・ (1)

  2009−11/02     愛知県/杉浦        低周波(10KHz)から使える、リタ−ンロスブリッジの製作例です。 ・・・ (1)(2)(3)(4)

  2009−10/31     JE1AHW/内田      低周波用TR 2SC1383を使った、RFパワ−アンプの実験 ・・・ (1)(2)pdfファイル(デ−タシ−ト)

  2009−10/30     JE1AHW/内田      復刻版 熊本シティ−スタンダ−ド パワ−アンプ部開発 その2 完成品 ・・・ (1)(2)(3)(4)(5)

  2009−10/30     JE1AHW/内田      復刻版 熊本シティ−スタンダ−ド パワ−アンプ部開発 その1 回路図 ・・・ (1)

  2009−10/09     JE1AHW/内田      復刻版 熊本シティ−スタンダ−ド トランスバ−タ−部+ジェネレ−タ−部完成。 ・・・ (1)

  2009−10/09     JA7EXK/釣巻   LCメ−タ−のチップ測定用アタッチメント例と、測定時の周波数例 ・・・ (1)(2)(3)

  2009−10/09     愛知県/杉浦        LCメ−タ−のチップ測定用アタッチメント自作例 ・・・ (1)(2)(3)pdfファイル

  2009−10/04     JH1NUK/戸田   デジタル L/Cメ−タ−を、2種類製作しました。・・・・・・  (1)(2)(3)(4)(5)

  2009−09/27     JA8JPO/山田      デジタルL/Cメ−タ−を製作しました。 測定誤差の一例です。・・・ (1)(2)(3)

  2009−09/20     JH8LDW/篠原     アンテナチュ−ナ− 「Z−Match Tuner」を製作しました。 ・・・ (1)pdfファイル

  2009−09/20     千葉市/安川        デジタルL/Cメ−タ−(ダイソ−スペシャル)を製作しました。・・・ (1)

  2009−09/06     JG1SOO/小倉      デジタルL/Cメ−タ−を製作しました。・・・ (1)

  2009−09/01     JH1JYY/原        熊本シティ−スタンダ−ド  IF=7.8MHzコイルデ−タ ・・・(1)

  2009−09/01     JH1JYY/原        熊本シティ−スタンダ−ド  トランスバ−タ−部回路図 ・・・(1)

  2009−09/01     JH1JYY/原        熊本シティ−スタンダ−ド  SSBジェネレ−タ−回路図 ・・・(1)

  2009−08/29     東京都/立花        私の、CYTECキットコレクションです。同じ大きさのケ−スにして見ました。・・・ (1)

  2009−08/16     JE1AHW/内田      復刻した「熊本シティ−・スタンダ−ド」のSSBジェネレ−タ−基板 ・・・ (1)(2)

  2009−08/10     JE1AHW/内田      PCBEを使って、復刻した「熊本シティ−・スタンダ−ド」の基板 ・・・ (1)

  2009−08/03     JE1AHW/内田      20年ぶりの手作り基板製作過程。 ・・・ (1)(2)(3)(4)(5)(6)(7)(8)(9)

  2009−06/25     JE1AHW/内田      7MHz帯で1W出力が得られる安価なトランジスタ−です。3W出力用も。 ・・・ (1)(2)(3)

  2009−04/30     JE1AHW/内田      webで見つけた「デジタル L/Cメ−タ−」をケ−スに入れました。 ・・・ (1)

  2009−04/27     JE1AHW/内田      50MHzDSB用プリミックスVFOが出来ました。 ・・・ (1)(2)(3)(4)(5)(6)

  2009−04/27     JE1AHW/内田      webで見つけたL/Cメ−タ−を製作してみました。意外と優れものです。 ・・・ (1)(2)(3)(4)

  2009−04/27     JE1AHW/内田      「PICを使った簡易測定器の実験」CQ出版社より、付録基板で製作したCメ−タ− ・・・ (1)(2)

  2009−04/16     JH1JYY/原        「熊本シティ−スタンダ−ド  当時のキットの写真&その他資料」lzh形式・・・(1)

  2009−04/13     JH1JYY/原        懐かしい!。「熊本シティ−スタンダ−ド・トランシ−バ−・キット」を入手しました。・・・ (1)LZHファイル、1.2M

  2009−04/10     茨木市/野尻        300MHz対応の「デジタルパワ−計 PO−10」を製作しました。 ・・・(1)(2)(3)(4)(5)

  2009−04/05     JE1AHW/内田      チョイ工夫シリ−ズ2. トリファイラ−巻きトランスの製作、フラットケ−ブル使用 ・・・(1)

  2009−04/05     JE1AHW/内田      チョイ工夫シリ−ズ1. 自作チョ−クコイル(max0.6uH位まで) ・・・ (1)(2)(3)(4)

  2009−04/05     JH1NUK/戸田   現在製作中の、21MHzトランシ−バ−の正面パネルです。中身は・・・。・・・ (1)

  2009−03/27     JS1BVK/3 山田   ディスクリ−トで電源装置を製作しました。0.6Vから20V,3.5max ・・・ (1)

  2009−03/27     JE1AHW/内田      50MHz コンプリメンタリ−・エミッタ−フォロア−使用ファイナルアンプ実験 ・・・ (1)(2)

  2009−03/27     JE1AHW/内田      50MHz DSBトランシ−バ−「YWC−603」受信部開発です。 ・・・ (1)(2)

  2009−03/21     愛知/杉浦         TMPコネクタ− メ−カ−の処理と、ラジオペンチでの処理の違い・・・ (1)(2)(3)

  2009−03/17     JE1AHW/内田      サンハヤトからでている、ブレッドボ−ド用ジャンパ−線SSPシリ−ズです。 ・・・ (1)(2)

  2009−03/17     JH1JYY/原        基板用同軸コネクタ−、KENWOODの処理の様子・・・ (1)(2)(3)

  2009−03/14     愛知/杉浦         一般的なラジオペンチでのコネクタ−カシメ作業の様子・・・ (1)(2)(3)(4)(5)(6)(7)

  2009−03/14     JA7LGC/安部      HOZANの圧着ペンチ P−732にてカシメ作業をしてみました。・・・ (1)(2)(3)

  2009−03/14     JA7LGC/安部      大宏電気圧着工具の説明書 pdfファイル ・・・ (1)

  2009−03/13     JE1AHW/内田      PICプログラマ−(書き込み器) 「PicKit2」用書き込みアダプタ−を製作しました。 ・・・(1)

  2009−03/13     JE1AHW/内田      1.5D−2V用 基板用同軸コネクタ−は、これです。 ・・・(1)

  2009−02/23     JE1AHW/内田      こんなバイクを知っていましたか。 HONDA CR110 ・・・(1)

  2009−02/06     JE1AHW/内田      いまいちな「50MHz用マグネチックル−プ・アンテナ」 ・・・(1)(2)(3)(4)

  2009−02/06     JH8LDW/篠原   「ワンボ−ド トランシ−バ− 21MHz用」ここまで出来ました。 ・・・ (1)pdfファイル

  2009−01/18     JE1AHW/内田      50MHzダイレクトコンバ−ジョン受信機の実験回路 YWC−602 ・・・(1)

  2009−01/11     JE1AHW/内田      (3)50MHz帯 トランジスタ−・プリアンプ ゲイン/帯域特性 2SC1906 ・・・(1)(2)

  2009−01/11     JE1AHW/内田      (2)50MHz帯 トランジスタ−・プリアンプ ゲイン/帯域特性 2SC1815 ・・・(1)(2)

  2009−01/11     JE1AHW/内田      (1)50MHz帯 トランジスタ−・プリアンプ ベ−ス接地タイプ 回路図 ・・・ (1)

  2009−01/04     JE1AHW/内田      Planet40T トランスバ−タ−部 ボツネタ回路図・・・ (1)


  2008−12/23     JE1AHW/内田      50MHz・DSBトランシ−バ−「YWC−6」完成しました。・・・ (1)(2)(3)(4)

  2008−12/04     JE1AHW/内田      ポリバリコン取り付けベ−スの製作・・・ (1)(2)(3)(4)(5)

  2008−11/27     JE1AHW/内田      プリミックスVFOを作ろう。プリミックス・アダプタ−の回路図・・・ (1)

  2008−11/23     JE1AHW/内田      AFC−VFO+プリミックス・アダプタ−+50MHzDSBトランシ−バ−・・・ (1)(2)

  2008−11/01     JE1AHW/内田      コパル製 ロ−タリ−エンコ−ダ RES−20 の使い方・・・ (1)(2)

  2008−10/23     JH7PYU/大内   DDS−VFO IF周波数のマイナスオフセットの方法と、バグ対策の方法  ・・・ (1)(TXTファイル)

  2008−09/26     安川           手持ちのICで、製作した「FREX」です。(ブロックダイヤグラム、測定例) ・・・ (1)(2)(pdfファイル)

  2008−09/26     JH1NUK/戸田   ハムフェア−で見かけた、レア−なAMトランシ−バ−「QTR−7」 ・・・ (1)(2)(pdfファイル)

  2008−09/21     JE1AHW/内田      Planet40T VFO(A),(B)入力切り替えに使うダイオ−ドスイッチの実験・・・ (1)(2)

  2008−09/12     JE1AHW/内田      FRMSなどに使える、FT232RLを使ったUSB<−>シリアル変換ボ−ド・・・ (1)(2)(3)(4)

  2008−09/09     JE1AHW/内田      セパレ−トタイプ無線機を目指して、第一弾。「Planet40R」が完成しました。・・・ (1)(2)(3)(4)

  2008−08/21     JE1AHW/内田      PICでバリキャップを制御する、「PIC−VC」キット用基板ができました。  ・・・ (1)

  2008−08/17     JE1AHW/内田      篠原さんの、OneBoardトランシ−バ−を、製作しています。まだ途中ですが・・。  ・・・ (1)

  2008−08/17     JH8LDW/篠原   「Solder Hanger」(糸ハンダ収納ボックス)を作りました。 ・・・ (1)pdfファイル

  2008−08/04     JE1AHW/内田      AFC−VFOキット用基板が出来ました。テスト製作してみました。  ・・・ (1)

  2008−08/02     JH1NUK/戸田   21MHzトランシ−バ− 受信部の開発風景です。  ・・・ (1)

  2008−07/27     JH8LDW/篠原   AFC−VFO、PIC−VC使用「21MHzワンボ−ドトランシ−バ−」が完成しました。 ・・・ (1)(2)

  2008−07/25     JE1AHW/内田      岩通アイセック製ロ−タリ−エンコ−ダ デ−タシ−ト pdf300k  ・・・ (1)

  2008−07/21     JE1AHW/内田      コパル製 ロタリ−エンコ−ダ RES20での失敗  ・・・ (1)(2)

  2008−07/19     JE1AHW/内田      Planet40用に開発した AFC−VFOシステム 回路図と試作機  ・・・ (1)(2)

  2008−07/15     JE1AHW/内田      PIC12F683 タッチスイッチ 一般部品を使った試作品完成。  ・・・ (1)(2)(3)

  2008−07/07     JE1AHW/内田      PIC12F683 タッチスイッチ 入力部アンプ回路変更。上手く行きそうです。  ・・・ (1)

  2008−07/07     JE1AHW/内田      PIC12F683 タッチスイッチ(チップ部品使用) 失敗作です。  ・・・ (1)(2)(3)(4)

  2008−06/15     JE1AHW/内田      AFC−VFO(16MHz OUT ) コ−ルドスタ−トからのドリフト特性  ・・・ (1)

  2008−05/29     JE1AHW/内田      AFC−VFO LCD表示部の様子 動画:AVI 2MB  ・・・ (1)(2)LZHファイル

  2008−05/24     JE1AHW/内田      チップ部品の実装時の、作業台の一例  ・・・ (1)

  2008−05/24     JE1AHW/内田      PICでバリキャップを制御「PIC−VC CYTEC版」を製作しました。 ・・・(1)(2)(3)(4)(5)

  2008−05/22     JH8LDW/篠原   PICでバリキャップを制御「PIC-VC」を試作しました。 ・・・ (1)(2)

  2008−05/19     JH7PYU/大内   パソコンマウスを使って、自作ロタリ−エンコ−ダを作りました。  ・・・ (1)

  2008−05/19     JH7PYU/大内   VFOバリコンの、自作減速器  ・・・ (1)

  2008−05/19     JH1NUK/戸田   9MHz 周波数安定化回路の基板化(TNX JH8LDW−OM)  ・・・ (1)

  2008−05/19     JH1NUK/戸田   TS−511のジャンクVFO、にVFO基板を実装してみました。  ・・・ (1)(2)

  2008−05/11     JE1AHW/内田      PIC+バリキャップによる、同調機構の実験「PIC−VC]  ・・・ (1)(2)(3)(4)

  2008−05/11     JE1AHW/内田      CYTEC版 AFC−VFOの再現性テスト その2  ・・・ (1)(2)

  2008−05/11     JH8LDW/篠原   CYTEC版 AFC−VFOの再現性テスト その1  ・・・ (1)(2)

  2008−05/06     JE1AHW/内田      AFC−VFO Ver2 シ−ルドの簡素化しました。・・・ (1)(2)(3)

  2008−05/02     JE1AHW/内田      AFC−VFO Ver2 実働テストの様子です。(シ−ルド追加の様子)・・・ (1)(2)(3)

  2008−04/29     JH1NUK/戸田   9MHz 周波数安定化回路(PLL)付きVFOを製作しました。  ・・・ (1)(2)(3)(4)

  2008−04/22     JH8LDW/篠原   感光基板の感光作業を助ける、「PCBタイマ−」を製作しました。  ・・・ (1)(2)(3)(4)(5)

  2008−04/20     JE1AHW/内田      AFC付きVFOの、回路図(暫定)と実験基板部品配置図。10Hzの変調が抜けないのでNG.・・・ (1)(2)

  2008−04/17     JH8LDW/篠原   VFOの周波数スタビライザ−回路、ただいま実験中!。安定度は?。  ・・・ (1)(2)(3)

  2008−03/29     JH1JYY/原        科学教材社「0−V−2」を復刻しようと計画しています。・・・ (1)(2)

  2008−03/29     JH1JYY/原        参考にした、科学教材社 0−V−2の製作記事。・・・ (1)(2)(3)(4)   

  2008−03/23     JE1AHW/内田      DDS−VFO用 デバッグボ−ドです。・・・ (1)

  2008−03/11     JM6EWZ/頓田   OneBoardトランシ−バ−を製作しました。(TNX JH8LDW−OM)  ・・・ (1)(2)

  2008−03/09     JH8LDW/篠原   AD9851 オ−ルバンド対応DDS−VFOを製作しました。  ・・・ (1)(2)(3)(4)(5)(pdfファイル)

  2008−03/08     JA2GRC/大塚   DDS−VFOのセロサプレス機能動作の様子です。ビデオファイル ・・・ (1)(ASF形式)

  2008−03/08     JF1HHG/阿部      10Wリニアアンプを製作して、トランシ−バ−が完成しました。・・・ (1)(2)(3)

  2008−02/28     JE1AHW/内田      単球 再生式短波ラジオ(0−V−0)が完成しました。・・・ (1)(2)(3)

  2008−02/17     JE1AHW/内田      単球 短波ラジオ シャシ加工が終わりました。・・・ (1)(2)(3)

  2008−02/14     JA2GRC/大塚   DDS−VFOの周波数可変ステップ変更をしてみました。 ・・・ (1)

  2008−02/07     JE1HTM/八木   「D9851+AVR DDS−VFO」が完成しました。 ・・・ (1)(2)(3)HPリンク)

  2008−02/03     JE1AHW/内田      現代版 プラグインコイルを作って見ました。・・・ (1)(2)(3)(4)

  2008−01/28     JE1AHW/内田      真空管で遊ぼう。「真空管用セミトランスレス電源」を製作しました。・・・ (1)(2)(3)(4)

  2008−01/27     JE1AHW/内田      ダイオ−ド・スイッチのユニット化試作・・・ (1)(2)

  2008−01/18     JE1HTM/八木   ハンダゴテ温度調節器を作りました。(3)は元ネタサイトです。 ・・・ (1)(2)(3)(HPリンク)

  2008−01/14     JE1AHW/内田      VFHF帯超再生式受信機の回路図と試作機・・・ (1)(2)

  2008−01/12     JI3BSB/山本       50MHz超再生式受信機の回路図と製作風景・・・ (1)(2)

  2008−01/11     JA7LK/高橋    SSBハンドブック フェージングタイプの送信機の設計・製作・調整・・・ (1)

  2008−01/08     JP2OMU/酒井   PSN−Gear07式」測定してみました。 ・・・ (1)(2)(3)(4)(5)(6)(7)

  2008−01/05     JE1HTM/八木   愛用の自作ディップメ−タ−です。 ・・・ (1)(2)(3)TXTファイル)


  Back to Top / Back to BBS