書き直した回路図です。
50MHzAM送信機のプリント基板ア-トワ-ク
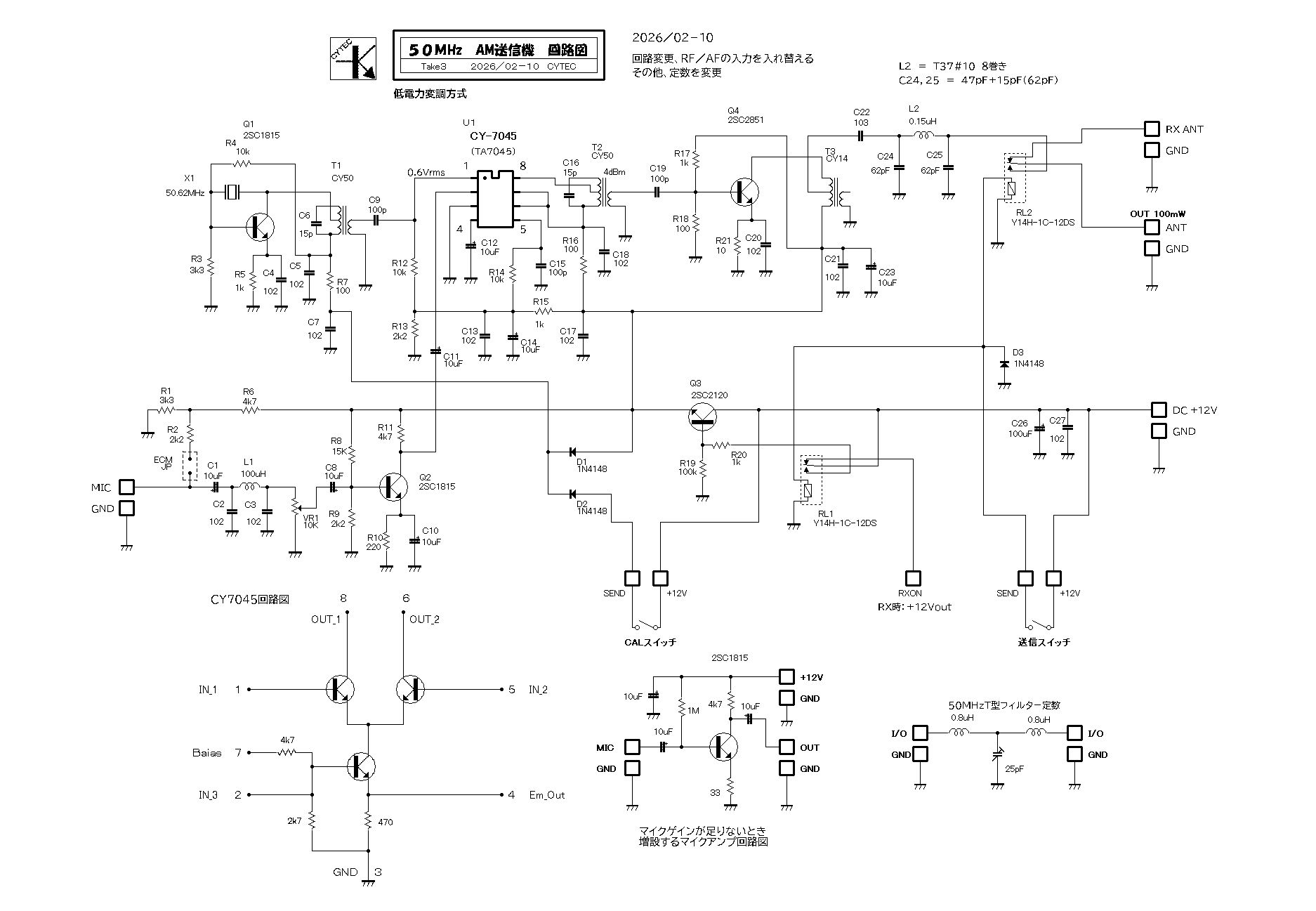
50MHzAM送信機の回路図を書きました。
みなさん、こんにちは。
50MHzAM送信機の実験がほぼ終わったので、回路図を書いてみました。
ファイナルには、SSBの時に使用したFETのリニアンプを使い、現時点で
2Wの出力を得ています。
今回は、段間増幅に2SK125を、ソ-ス接地で使ってみました。
もともとIdが流れる石なので、どうかと思い使ってみましたが、プリドライバ-
でしたら良いぐらいです。
出力としては、13dBmぐらいですが、軽く出ます。(本当は16dBmぐらいは
出ます)
それと、ファイナルアンプとの間に、T型フィルタ-を入れました。
これはフィルタ-と言うよりも、マッチングを取る意味で使いました。
思った通り、そのままでは、ろくに出力が出なかったのが、入れたら2Wまで
出ました。FETアンプの入力は、インピ-ダンスが高いので、マッチングはあまり考えていませんでしたが、やはり入力のマッチングを取ると、楽に
押せるようです。
本来は、LCで計算してマッチング回路を作るのでしょうが、マッチング作用が
有ると言われるT型フィルタ-で、ごまかしてみました。
これから基板のパタ-ンを書いて、試作してバグ取りに入りたいと思います。
みなさん、こんにちは。50MHzAM送信機の実験がほぼ終わったので、回路図を書いてみました。
ファイナルには、SSBの時に使用したFETのリニアンプを使い、現時点で
2Wの出力を得ています。
今回は、段間増幅に2SK125を、ソ-ス接地で使ってみました。
もともとIdが流れる石なので、どうかと思い使ってみましたが、プリドライバ-
でしたら良いぐらいです。
出力としては、13dBmぐらいですが、軽く出ます。(本当は16dBmぐらいは
出ます)
それと、ファイナルアンプとの間に、T型フィルタ-を入れました。
これはフィルタ-と言うよりも、マッチングを取る意味で使いました。
思った通り、そのままでは、ろくに出力が出なかったのが、入れたら2Wまで
出ました。FETアンプの入力は、インピ-ダンスが高いので、マッチングはあまり考えていませんでしたが、やはり入力のマッチングを取ると、楽に
押せるようです。
本来は、LCで計算してマッチング回路を作るのでしょうが、マッチング作用が
有ると言われるT型フィルタ-で、ごまかしてみました。
これから基板のパタ-ンを書いて、試作してバグ取りに入りたいと思います。
Re: 50MHzAM送信機の回路図を書きました。
AN612使用 低電力変調回路
みなさん、こんにちは。
takinxさん、有用な情報、ありがとうございます。
このような情報が、好きな方も多いと思います。
私には、ちょっと難しいようですが…。
変調が、加算か乗算かの下りは、難しいですね。
低電力変調と、通常のコレクタ-変調では、動作が違うような気がしますが…。 あくまでも、いじってみての感じですが。
個々のとこころ、時間があればAN612の低電力変調を、実験していました。
結果として、低電力変調部は、RF,AFの信号のレベルと、平衡変調器の
平衡を崩すバランスのレベルに、注意すれば、それほど難しくなく
変調かかかります。
調整は、やはりオシロが欲しい所です。
オ-ディオのレベルが、ちょっと上がると過変調になりますが、通常モニタ-したところでは、受信音には大きな問題はありません。
(人間の耳は、かなりいい加減です。)
が、やはり過変調などに関しての管理は、今後の問題となります。
実は、低電力変調で、難しいのは変調後です。
リニアンプを使用して、パワ-アップを図っていきますが、これがなかなか難しい。
アイパタ-ンを見て、パワ-アップの状態を見ると、ちょっととがって丸いせん
端部が、丸くなっています。
これは、アンプが飽和して、AMのキャリアレベルより上に変調波が伸びるが、詰まっているからです。
これも、受信音としては、普通に聞こえます。
良く、リニアンプは、必要とするAMパワ-の、4倍が出力で来るものを
使えと追われていますが、これが難しいです。
アンプの負荷は、軽いほうが先端部がつぶれにくくなります。
もちろん、ゲインは落ちます。ですから、低電力変調を使用した場合の
パワ-アップは、何段かに分けて大きくしていった方が良いと思います。
これがまた面倒な所です。
今まで、低電力変調を使った製作デ-タが少なく、出力が10mWや
100mWまでがほとんどで、あまり参考になる物がありません。
ここは、試行錯誤で行くしかないようです。
一応、20dBm弱まで、出力して変調も100%近くいき、アイパタ-ンも
ほどほどと言うところまで行きました。
回路図をします。
今後、多少変わるかもしれません。
目標は、1W強と言うところでしょうか。それでも、4W近くの出力能力が
求められます。
本当は、多少、過変調屋波形が向ずれても、受信音は大丈夫だと思いますが。
急に、思い出しましたが、takinxさんもHPを拝見して、測定器で
ステレオスコ-プと言う、左右に観測波形が出る、オシロを初めて知りました。結構便利かもしれませんね。
みなさん、こんにちは。takinxさん、有用な情報、ありがとうございます。
このような情報が、好きな方も多いと思います。
私には、ちょっと難しいようですが…。
変調が、加算か乗算かの下りは、難しいですね。
低電力変調と、通常のコレクタ-変調では、動作が違うような気がしますが…。 あくまでも、いじってみての感じですが。
個々のとこころ、時間があればAN612の低電力変調を、実験していました。
結果として、低電力変調部は、RF,AFの信号のレベルと、平衡変調器の
平衡を崩すバランスのレベルに、注意すれば、それほど難しくなく
変調かかかります。
調整は、やはりオシロが欲しい所です。
オ-ディオのレベルが、ちょっと上がると過変調になりますが、通常モニタ-したところでは、受信音には大きな問題はありません。
(人間の耳は、かなりいい加減です。)
が、やはり過変調などに関しての管理は、今後の問題となります。
実は、低電力変調で、難しいのは変調後です。
リニアンプを使用して、パワ-アップを図っていきますが、これがなかなか難しい。
アイパタ-ンを見て、パワ-アップの状態を見ると、ちょっととがって丸いせん
端部が、丸くなっています。
これは、アンプが飽和して、AMのキャリアレベルより上に変調波が伸びるが、詰まっているからです。
これも、受信音としては、普通に聞こえます。
良く、リニアンプは、必要とするAMパワ-の、4倍が出力で来るものを
使えと追われていますが、これが難しいです。
アンプの負荷は、軽いほうが先端部がつぶれにくくなります。
もちろん、ゲインは落ちます。ですから、低電力変調を使用した場合の
パワ-アップは、何段かに分けて大きくしていった方が良いと思います。
これがまた面倒な所です。
今まで、低電力変調を使った製作デ-タが少なく、出力が10mWや
100mWまでがほとんどで、あまり参考になる物がありません。
ここは、試行錯誤で行くしかないようです。
一応、20dBm弱まで、出力して変調も100%近くいき、アイパタ-ンも
ほどほどと言うところまで行きました。
回路図をします。
今後、多少変わるかもしれません。
目標は、1W強と言うところでしょうか。それでも、4W近くの出力能力が
求められます。
本当は、多少、過変調屋波形が向ずれても、受信音は大丈夫だと思いますが。
急に、思い出しましたが、takinxさんもHPを拝見して、測定器で
ステレオスコ-プと言う、左右に観測波形が出る、オシロを初めて知りました。結構便利かもしれませんね。
Re: AN612使用 低電力変調回路
皆さん
おはようございます。
ステレオスコ-プはJA1AMH高田OMも使っておった「1970年代の家電製造ライン(コンベア方式)」の標準です。AFの調整には視認性がよいです。
デジタルオシロでは波形頭の丸まり具合が鮮明でないので、アナログオシロで確認しますが、200MHzオシロなので現状50MHz帯は苦しいです。
変調波形は軽作動アンプを通過した状態です。LC共振のタンク回路を通さないと頭は丸くなる傾向はあります。Qが高いので頭が潰れない」イメージです。
フェライトコアでの負荷実験しましたが、刊行本ほどは効率がないので、5年ほど放置してます。
BS170があのサイズで1.5Wほど出せるので面白いデバイスだとみています。
良い結果をお待ちしております。
おはようございます。
ステレオスコ-プはJA1AMH高田OMも使っておった「1970年代の家電製造ライン(コンベア方式)」の標準です。AFの調整には視認性がよいです。
デジタルオシロでは波形頭の丸まり具合が鮮明でないので、アナログオシロで確認しますが、200MHzオシロなので現状50MHz帯は苦しいです。
変調波形は軽作動アンプを通過した状態です。LC共振のタンク回路を通さないと頭は丸くなる傾向はあります。Qが高いので頭が潰れない」イメージです。
フェライトコアでの負荷実験しましたが、刊行本ほどは効率がないので、5年ほど放置してます。
BS170があのサイズで1.5Wほど出せるので面白いデバイスだとみています。
良い結果をお待ちしております。
自作のヒントに :IQ復調
an612
Re: an612
takinxさん、こんにちは。
13年前に書き込みを。していただいたのでしょうか。
まだ、CYTECをやっていました。hi
AN612のアイパタ-ン、きれいですね。
どうしたら、こんなにきれいになるのでしょうか。
低電力変調の、コツなどがあるのでしょうか。
私が掲載したものは、全体が丸っこくなって、クロスパタ-ン部も
クロスしていません。
頭の丸いのは、たぶん波形が飽和した波形に近いからだと思います。
takinxさん、回路図などの公開は、無理でしょうか。
追試してみたいです。
AN612は、インラインパッケ-ジで、使いやすいですね。
13年前に書き込みを。していただいたのでしょうか。
まだ、CYTECをやっていました。hi
AN612のアイパタ-ン、きれいですね。
どうしたら、こんなにきれいになるのでしょうか。
低電力変調の、コツなどがあるのでしょうか。
私が掲載したものは、全体が丸っこくなって、クロスパタ-ン部も
クロスしていません。
頭の丸いのは、たぶん波形が飽和した波形に近いからだと思います。
takinxさん、回路図などの公開は、無理でしょうか。
追試してみたいです。
AN612は、インラインパッケ-ジで、使いやすいですね。
Re: an612
Re: an612 低電力変調
低電力変調部デ-タUP
50MHzAMトランシ-バ-につかう、低電力変調部の実験結果を
UPしました。
使用したICは、AN612と言う、ものすごく古い2重平衡変調器(ミキサ-)を使いました。
このICの手持ちが結構あるので、採用しただけで、この手のICなら同じように
使えます。(NJM2594など)
以前公開した、CY7045(差動アンプ)を使った変調器は、問題なく動作しますが、波形にひずみが出ます。たぶんこれは、バイアスの値があまりよくなく、動作点が良くないからだと思います。
そこで、今回は2重平衡型のICを使ってみました。
アイパタ-ンも取ってみましたが、教科書に出てくるような良い形とは、言えません。普通、コレクタ-変調時の物が多く掲載されているので、低電力型では、このぐらいでしょうか。
音声を、受信機でモニタ-してみると、問題なく深い変調が得られています。
多少過変調ぐらいのほうが、了解度は上がります。
現在、RF2段増幅で、+13dBmが得られています。この後、リニアンプを
付けて1W出力を狙っていきます。
低電力変調は、このパワ-アップが難しい所です。
低電力変調にこだわっているのは、変調にトランスがいらないと言う点です。
小型トランスはない訳ではないですが、仕様にあったトランスの入手は
結構難しくなっています。
AM自体の需要が、どれほどあるかは分かりませんが、低電力型変調に関して、もっと情報が出れば、SSBよりもずっと製作しやすいAMが、再び遊びの
場に復活するかもしれません。
画像フォルダ-に、いくつかのデ-タをUPしました。
50MHzAMトランシ-バ-につかう、低電力変調部の実験結果をUPしました。
使用したICは、AN612と言う、ものすごく古い2重平衡変調器(ミキサ-)を使いました。
このICの手持ちが結構あるので、採用しただけで、この手のICなら同じように
使えます。(NJM2594など)
以前公開した、CY7045(差動アンプ)を使った変調器は、問題なく動作しますが、波形にひずみが出ます。たぶんこれは、バイアスの値があまりよくなく、動作点が良くないからだと思います。
そこで、今回は2重平衡型のICを使ってみました。
アイパタ-ンも取ってみましたが、教科書に出てくるような良い形とは、言えません。普通、コレクタ-変調時の物が多く掲載されているので、低電力型では、このぐらいでしょうか。
音声を、受信機でモニタ-してみると、問題なく深い変調が得られています。
多少過変調ぐらいのほうが、了解度は上がります。
現在、RF2段増幅で、+13dBmが得られています。この後、リニアンプを
付けて1W出力を狙っていきます。
低電力変調は、このパワ-アップが難しい所です。
低電力変調にこだわっているのは、変調にトランスがいらないと言う点です。
小型トランスはない訳ではないですが、仕様にあったトランスの入手は
結構難しくなっています。
AM自体の需要が、どれほどあるかは分かりませんが、低電力型変調に関して、もっと情報が出れば、SSBよりもずっと製作しやすいAMが、再び遊びの
場に復活するかもしれません。
画像フォルダ-に、いくつかのデ-タをUPしました。
Re: 低電力変調部デ-タUP
>CY7045(差動アンプ)を使った変調器は、問題なく動作しますが、波形にひずみが出ます。たぶんこれは、バイアスの値があまりよくなく、動作点が良くないからだと思います。
CA3028 (和名 TA7045)は等負荷で使うデバイスです。その辺りは大丈夫でしょうか?
CA3028 (和名 TA7045)は等負荷で使うデバイスです。その辺りは大丈夫でしょうか?
Re: 低電力変調部デ-タUP
takinxさん、こんにちは。
>>CA3028 (和名 TA7045)は等負荷で使うデバイスです。その辺りは大丈夫でしょうか?
大丈夫ではなかったです。
シングルで出力していました。
聞いたので、時間を見て、再度挑戦してみます。
差動アンプの、低電力変調は、ほとんど参考資料がないですね。
IC自体もかなり古いので、余り使われないからでしょうか。
>>CA3028 (和名 TA7045)は等負荷で使うデバイスです。その辺りは大丈夫でしょうか?
大丈夫ではなかったです。
シングルで出力していました。
聞いたので、時間を見て、再度挑戦してみます。
差動アンプの、低電力変調は、ほとんど参考資料がないですね。
IC自体もかなり古いので、余り使われないからでしょうか。
Re: 低電力変調部デ-タUP
低電力変調 MC1496
おはようございます。
MC1496は加算動作と乗算動作します。
どちらになるか?は、負荷抵抗の値次第です。
https://youtu.be/bdLNNnOSw4I?si=wT4DEC6vJunMzkgj
https://youtu.be/kuZBkxU66gw?si=n1dwia81ynQfMwgf
https://youtu.be/LI1mTo0kz4w?si=CLun7MqYj9jW0l7a
MC1496では UPした写真(加算動作波形)もつくれます。
http://www.radiokits.jp/radio_kit_/am-mc14962.html
おはようございます。MC1496は加算動作と乗算動作します。
どちらになるか?は、負荷抵抗の値次第です。
https://youtu.be/bdLNNnOSw4I?si=wT4DEC6vJunMzkgj
https://youtu.be/kuZBkxU66gw?si=n1dwia81ynQfMwgf
https://youtu.be/LI1mTo0kz4w?si=CLun7MqYj9jW0l7a
MC1496では UPした写真(加算動作波形)もつくれます。
http://www.radiokits.jp/radio_kit_/am-mc14962.html
無題
こんにちは、
自宅の火事では、燃えた木材をユンボで片づけるのはアタシの仕事でしたし、建物の上棟はアタシの仕切りでした、
工事も屋根工事はアタシひとりでやりました、
元々が材木屋でしたから、あれこれ自分でやれました、
今や新築は坪単価100マンの時代です、隔世の感がありますね !
ところで秋月の24メガクリスタル、SSBのフィルターに使えそうです、
SI5351Aも120メガを出力できるようなので、144メガのシングル
コンバージョンができるのではないかと・・・
1130ユニットを144メガにできませんかねえ ??
自宅の火事では、燃えた木材をユンボで片づけるのはアタシの仕事でしたし、建物の上棟はアタシの仕切りでした、
工事も屋根工事はアタシひとりでやりました、
元々が材木屋でしたから、あれこれ自分でやれました、
今や新築は坪単価100マンの時代です、隔世の感がありますね !
ところで秋月の24メガクリスタル、SSBのフィルターに使えそうです、
SI5351Aも120メガを出力できるようなので、144メガのシングル
コンバージョンができるのではないかと・・・
1130ユニットを144メガにできませんかねえ ??
Re: 無題
斎藤さん、こんにちは。
Gen1130のクリスタルを変更して、24MHzのジェネレ-タ-に変更は、できると
思います。
ただし、
1)フィルタ-入力部のマッチング回路定数変更
2)IFコイルの変更
3)BFO部のVXO定数変更
は、必要になります。
トランスバ-タ-の、Tran1130も使えると思いますが、ちょっと問題が
有るかもしれません。
1)コイルの変更。
現在、FCZコイルの144MHz仕様は、入手できましか?。
2)ミキサ-出力部、マッチング回路定数変更
3)送信部LPFの定数変更
あたりでしょうか。
ただ、
1)144MHzとなると損失があるので、受信時のゲインが取れない。
送信時の出力が小さい
などが考えられます。
144MHzのリグは、作ったことがないので、たぶんレベルのアドバイス
になります。
トランスバ-タ-部などは、ブロックごとに試作して、動作確認と各部のレベル合わせを行っていくと、完成が早いと思います。
Gen1130のクリスタルを変更して、24MHzのジェネレ-タ-に変更は、できると
思います。
ただし、
1)フィルタ-入力部のマッチング回路定数変更
2)IFコイルの変更
3)BFO部のVXO定数変更
は、必要になります。
トランスバ-タ-の、Tran1130も使えると思いますが、ちょっと問題が
有るかもしれません。
1)コイルの変更。
現在、FCZコイルの144MHz仕様は、入手できましか?。
2)ミキサ-出力部、マッチング回路定数変更
3)送信部LPFの定数変更
あたりでしょうか。
ただ、
1)144MHzとなると損失があるので、受信時のゲインが取れない。
送信時の出力が小さい
などが考えられます。
144MHzのリグは、作ったことがないので、たぶんレベルのアドバイス
になります。
トランスバ-タ-部などは、ブロックごとに試作して、動作確認と各部のレベル合わせを行っていくと、完成が早いと思います。
JE1GNG/斎藤さんは、あの斎藤さんだったんですね。、
斎藤さん、皆さん、こんにちは。
斎藤さんは、いつもご利用いただいていた、斎藤さんだったんですね。
コ-ルサインを知りませんでしたし、苗字もけっこうある苗字なので、
まったく気が付きませんでした。
すいません。
火事からは、だいぶ立ち直ったようですね。
コ-ルから見ても、同じ世代なので、ハンダ付けしてボケ防止をしましょう。
最近、物忘れが多く、自分でもボケたかなと思うこの頃です。
斎藤さん、今後ともよろしくお願いします。
斎藤さんは、いつもご利用いただいていた、斎藤さんだったんですね。
コ-ルサインを知りませんでしたし、苗字もけっこうある苗字なので、
まったく気が付きませんでした。
すいません。
火事からは、だいぶ立ち直ったようですね。
コ-ルから見ても、同じ世代なので、ハンダ付けしてボケ防止をしましょう。
最近、物忘れが多く、自分でもボケたかなと思うこの頃です。
斎藤さん、今後ともよろしくお願いします。
無題
こんにちは、
3/1にやっと新居へ引っ越しました、
まだ借家には荷物がしっかりあって、全部運ぶのは時間が
かかりそうです、
無線のシャックは、住宅より先に完成した農業倉庫の一角に
設けました、きのう確定申告が終わって一息ついたところです、
農業資材がまだ収納しきれません、
建設業界から足を洗って10年、現在は畑で野菜作ってます、
野菜作りのブログは「ユンボオヤジの野良仕事」です、
はんだ付け作業はまだ先になりそうです
今後ともよろしくお願いいたします!
3/1にやっと新居へ引っ越しました、
まだ借家には荷物がしっかりあって、全部運ぶのは時間が
かかりそうです、
無線のシャックは、住宅より先に完成した農業倉庫の一角に
設けました、きのう確定申告が終わって一息ついたところです、
農業資材がまだ収納しきれません、
建設業界から足を洗って10年、現在は畑で野菜作ってます、
野菜作りのブログは「ユンボオヤジの野良仕事」です、
はんだ付け作業はまだ先になりそうです
今後ともよろしくお願いいたします!
JE1GNG/斎藤さんは、あの斎藤さんだったんですね
斎藤さんん、こんにちは。
3月に入って、引っ越しをしたんですね。
かたずいて、落ち着いた生活までは、まだ結構大変だと思います。
シャックを作られたそうで、やはり無線が好きなんですね。
ブログを、拝見しました。
状況が良く分かります。
お話からすると、建築業に携わっていたのでしょうか。
設備関係は、ご自分でやられているんでしょうか。
大工さんとか、その方面の技術があれば、いいな-と思います。
家の補修など、自分でできると、本当にいいなと思います。
ハンダ付けへの復帰を願っています。
3月に入って、引っ越しをしたんですね。
かたずいて、落ち着いた生活までは、まだ結構大変だと思います。
シャックを作られたそうで、やはり無線が好きなんですね。
ブログを、拝見しました。
状況が良く分かります。
お話からすると、建築業に携わっていたのでしょうか。
設備関係は、ご自分でやられているんでしょうか。
大工さんとか、その方面の技術があれば、いいな-と思います。
家の補修など、自分でできると、本当にいいなと思います。
ハンダ付けへの復帰を願っています。
無題
こんばんは、
ほんとにいままでいろいろとお世話になりました、
FRMSの頃からですからねえ、今やTINY SAが出て、スプリアス測定まで
素人ができる時代になりました
アタシの腕では小さいのはSOPのはんだ付けまでです、
SSOPなど手に負えません、
でかいのは鉄骨・木造の建築物ならまだ現役です !
ほんとにいままでいろいろとお世話になりました、
FRMSの頃からですからねえ、今やTINY SAが出て、スプリアス測定まで
素人ができる時代になりました
アタシの腕では小さいのはSOPのはんだ付けまでです、
SSOPなど手に負えません、
でかいのは鉄骨・木造の建築物ならまだ現役です !

2026/04/02(Thu) 17:16 







